Sửa chữa và trang trí
06/03/2018 Anastasia Prozheva
Bộ điều khiển tự động là một tập hợp các thiết bị và thiết bị được thiết kế để cung cấp khả năng tự động điều chỉnh nhiệt độ và tốc độ dòng chảy của chất làm mát, được thực hiện ở đầu vào của mỗi tòa nhà phù hợp với lịch trình nhiệt độ cần thiết cho một tòa nhà cụ thể. Điều chỉnh cũng có thể được thực hiện phù hợp với nhu cầu của người dân.

Cụm đường ống máy nước nóng.
Trong số những ưu điểm của AUU, nếu chúng ta so sánh nó với thang máy và thiết bị sưởi, có mặt cắt cố định của lối đi mở ra, là khả năng thay đổi lượng chất làm mát, điều này phụ thuộc vào nhiệt độ của nước trong trở lại. và đường ống cung cấp.
Một thiết bị điều khiển tự động thường được lắp đặt cho toàn bộ tòa nhà, điều này phân biệt với thiết bị thang máy, được lắp trên từng phần của ngôi nhà.
Trong trường hợp này, việc lắp đặt được thực hiện sau thiết bị có tính đến nhiệt năng của hệ thống.


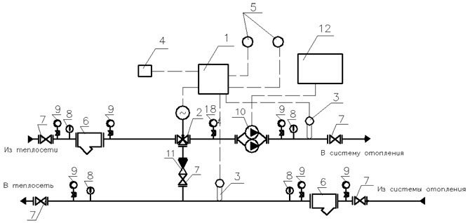
Hình ảnh 1. Một sơ đồ của AUU với các máy bơm trộn trên lintel cho nhiệt độ lên đến AUU t = 150-70 ˚C với hệ thống sưởi một và hai ống có bộ điều nhiệt (P1 - P2 ≥ 12 mWC).
Khối điều khiển tự động được biểu diễn bằng sơ đồ được minh họa bằng IMAGE 1. Sơ đồ cung cấp: khối điện tử (1), được biểu diễn bằng bảng điều khiển; cảm biến báo mức nhiệt độ ngoài trời (2); cảm biến nhiệt độ trong chất làm mát trong đường ống trở lại và cung cấp (3); van điều khiển lưu lượng được trang bị bộ truyền động bánh răng (4); van điều khiển chênh lệch áp suất (5); bộ lọc (6); bơm tuần hoàn (7); van một chiều (8).
Như sơ đồ cho thấy, khối điều khiển về cơ bản bao gồm 3 phần: mạng, tuần hoàn và điện tử.
Phần mạng của AUU bao gồm một van cho bộ điều chỉnh lưu lượng mang nhiệt với bộ truyền động bánh răng, một van điều chỉnh áp suất chênh lệch với phần tử điều chỉnh có lò xo và một bộ lọc.
Phần tuần hoàn của bộ phận điều khiển bao gồm một bơm trộn có van một chiều. Một cặp máy bơm dùng để trộn. Trong trường hợp này, các máy bơm phải được sử dụng đáp ứng các yêu cầu của bộ phận tự động: chúng phải làm việc luân phiên với chu kỳ 6 giờ. Hoạt động của chúng phải được giám sát bởi một tín hiệu từ cảm biến, chịu trách nhiệm về chênh lệch áp suất (cảm biến được lắp trên máy bơm).
Bài viết liên quan: Có thể làm gì từ một chiếc máy giặt cũ?
Làm thế nào nó hoạt động
Nguyên tắc hoạt động của bộ điều khiển hệ thống sưởi rất đơn giản:
Khi nhiệt độ bên ngoài giảm xuống, ví dụ đến -20 ° C, bộ điều khiển sưởi sẽ cung cấp nhiều nhiệt hơn cho các phòng, do đó duy trì nhiệt độ trong nhà ở mức cần thiết, ví dụ +20 ° C.


Và ngược lại.
Khi nhiệt độ bên ngoài tăng lên, chẳng hạn như + 5 ° C, bộ phận kiểm soát thời tiết, như nó còn được gọi là, truyền nhiệt ít hơn đến cơ sở.
Do đó, mức tiêu thụ nhiệt được giảm xuống và nhiệt độ trong cơ sở vẫn ở mức chúng ta cần, ví dụ: +20 ° С và không tăng lên +28 ° С, như thường xảy ra trong quá trình hâm nóng mạnh.


Nhiệt độ không tăng lên +28 ° С
Và nếu xét về mặt khoa học, bộ phận kiểm soát thời tiết được thiết kế để đảm bảo và duy trì nhiệt độ cần thiết của chất làm mát trong đường ống cung cấp, phụ thuộc vào nhiệt độ không khí bên ngoài.
Những lợi ích


Có thể dễ dàng điều khiển hệ thống bằng chính tay của bạn từ mọi khoảng cách.
Những lợi thế của việc sử dụng một bộ điều khiển sưởi ấm tự động là gì?
Bộ điều khiển hiện đại với mô-đun giao tiếp cho phép bạn nhận được những ưu điểm và lợi ích sau:
- Sự điều chỉnh tinh vi của hệ thống trong thời gian thực cho phép bạn đạt được mức tiết kiệm tối đa với mức độ thoải mái thích hợp;
- Bạn có thể đạt được chính xác các thông số nhiệt độ và khí hậu của căn phòng như bạn muốn, và đối với điều này, chỉ cần đặt các giá trị nhiệt độ mong muốn là đủ;
- Hệ thống thông báo tức thời các chế độ khẩn cấp và các sự kiện bất thường làm tăng đáng kể độ tin cậy và an toàn trong công việc;
- Bạn có cơ hội ra khỏi nhà với hệ thống sưởi đang chạy và theo dõi từ xa tình trạng của nó, cũng như điều khiển các chế độ hoạt động, bật hoặc tắt thiết bị từ xa;
- Một chuyến thăm vào mùa đông đến một ngôi nhà ở vùng nông thôn với hệ thống sưởi đã tắt, yêu cầu phải vào một căn phòng lạnh, làm tan chảy thiết bị và đợi trong vài giờ cho đến khi căn phòng ấm lên. Bây giờ bạn có thể đưa ra lệnh bật trước và không mất thời gian.


Bạn chỉ cần lấy điện thoại ra.
Bạn có thể tự lắp ráp và kết nối hệ thống điều khiển - không yêu cầu quyền hoặc phê duyệt cho việc này. Công việc dễ dàng thực hiện theo hướng dẫn của nhà sản xuất. Giá của bộ dụng cụ có thể thay đổi từ 4 đến 40 nghìn rúp, tùy thuộc vào cấu hình và nhà sản xuất.
Quan trọng! Hầu hết các mô-đun đều có đầu nối để kết nối các cảm biến bổ sung, nhờ đó bạn có thể tổ chức kiểm soát việc mở cửa sổ và cửa ra vào, nghe hoặc giám sát và các chức năng hữu ích khác.
Những ưu điểm chính của việc lắp đặt một bộ điều khiển hệ thống sưởi tự động
Như chúng tôi đã nói, mục đích của biện pháp tiết kiệm năng lượng này là tối ưu hóa việc tiêu thụ nhiệt năng trong tòa nhà, cụ thể là:
- giảm đáng kể chi phí sưởi ấm các tòa nhà và cấu trúc,
- nâng cao chất lượng và độ tin cậy của việc cung cấp nhiệt,
- điều chỉnh tự động cung cấp nhiệt cho các tòa nhà và cấu trúc,
- khả năng giám sát từ xa các thông số của chất làm mát và các chế độ hoạt động của thiết bị cung cấp nhiệt,
- khả năng, không mất thêm chi phí, cấu hình lại hoạt động của hệ thống sưởi, ví dụ, sau khi cách nhiệt mặt tiền, thay cửa sổ, cải tạo một tòa nhà,
- tự động hóa hệ thống đo tiêu thụ nhiệt năng.
Như thực tế cho thấy, một bộ điều khiển tự động (AUU) tiết kiệm khoảng 25% - 37% năng lượng nhiệt và cung cấp điều kiện sống thoải mái trong mỗi phòng.


Tiết kiệm nhiệt năng
Hiện nay ngày càng có nhiều người suy nghĩ về vấn đề tiết kiệm năng lượng. Và điều này không có gì đáng ngạc nhiên - tại sao phải trả quá nhiều cho việc sưởi ấm khi bạn có thể tiết kiệm được? Cách đơn giản nhất để tiết kiệm năng lượng nhiệt là lắp đặt đồng hồ (đơn vị đo nhiệt). Phương pháp này đã được sử dụng trong 10 năm và cho phép giảm 20 - 30% chi phí năng lượng nhiệt. Thực tiễn đã chỉ ra rằng, trung bình, việc lắp đặt một bộ đo nhiệt cho một tòa nhà chung cư sẽ có kết quả trong một mùa sưởi. Nếu bạn đã lắp thiết bị đo nhiệt và cảm nhận được hiệu quả của nó - đừng dừng lại. Bạn có thể đi xa hơn trong vấn đề này. Có một số cách để giảm tiêu thụ năng lượng và do đó, giảm chi phí của bạn.
Các cách chính để tiết kiệm năng lượng: tự động điều chỉnh nhiệt độ của chất làm mát trong hệ thống sưởi và giảm thất thoát nhiệt của cấu trúc bao quanh.
Cách đầu tiên để tiết kiệm năng lượng bằng cách lắp đặt hệ thống điều khiển tự động là do hai yếu tố. Thứ nhất, điều khiển tự động cho phép bạn duy trì nhiệt độ phòng tối ưu, dựa trên nhiệt độ bên ngoài, giảm tốc độ dòng chảy của chất mang nhiệt từ mạng lưới sưởi ấm trong thời gian nhiệt độ dao động mạnh.Điều này là do việc tái sử dụng một phần chất làm mát trong hệ thống sưởi của tòa nhà, vì cần một lượng nhỏ hơn nhiều chất làm mát từ các mạng lưới sưởi để đảm bảo nhiệt độ cần thiết. Tùy chọn này phù hợp cho các tòa nhà dân cư, công cộng và văn phòng. Thứ hai, đối với các xí nghiệp công nghiệp, nhờ điều chỉnh tự động, chúng ta có thể cài đặt nhiệt độ nước làm mát cần thiết vào thời điểm phòng không được sử dụng (vào ban đêm, ngày lễ và cuối tuần). Do đó, giảm tiêu thụ nhiệt năng và do đó, tiết kiệm nhiệt năng. Các tiêu chuẩn đã được phê duyệt về việc tiêu thụ năng lượng nhiệt hiện không phản ánh bức tranh thực tế về việc tiêu thụ chất mang nhiệt của các tòa nhà và được đánh giá quá cao.
Việc lắp đặt một đơn vị đo nhiệt cho phép bạn tính toán lượng năng lượng tiêu thụ thực tế, cũng như giảm mức tiêu thụ của nó.
Tổ chức cung cấp điện không điều chỉnh việc cung cấp đầy đủ chất làm mát, điều này dẫn đến việc tiêu thụ quá mức rõ ràng các nguồn năng lượng và dẫn đến chi phí sưởi ấm.
Sự hiện diện của một hệ thống tự động hóa hoạt động tốt để cung cấp năng lượng nhiệt trực tiếp trong tòa nhà, cũng như việc tổ chức và điều chỉnh hệ thống sưởi một cách chính xác, có thể làm giảm đáng kể mức tiêu thụ nhiệt năng cho các nhu cầu sưởi ấm. Khi kết nối hệ thống sưởi của tòa nhà theo sơ đồ phụ thuộc (không có trạm sưởi trung tâm), chi phí sưởi có thể giảm tới 50% trong giai đoạn chuyển tiếp và khi kết nối hệ thống sưởi theo sơ đồ độc lập (quy định tại một trạm sưởi trung tâm), chi phí có thể giảm 10-15%, tùy thuộc vào chất lượng điều tiết tại trạm sưởi trung tâm. Ngoài ra, thiết bị tự động cung cấp năng lượng nhiệt sẽ cho phép đạt được điều kiện thoải mái tối ưu bên trong các khu dân cư, cải thiện điều kiện sống của cư dân.
Khi nào thì nên cài đặt AUU - ví dụ và tính toán thời gian hoàn vốn
Hãy xem 3 ví dụ về việc cài đặt đơn vị đo sáng và tính thời gian hoàn vốn cho sự kiện này.
Tất cả các ví dụ đều từ thực tế cuộc sống và dựa trên các cuộc khảo sát năng lượng mà chúng tôi đã thực hiện.
Và như vậy, chúng tôi có ba tòa nhà hành chính (văn phòng):
- Tòa nhà 1 với diện tích 1300 m2
- Tòa nhà 2 với diện tích 4800 m2
- Tòa nhà 3 với diện tích 18.500 m2
Cả ba tòa nhà đều nằm ở Moscow.
Dưới đây là kết quả chính của việc lắp đặt bộ điều khiển hệ thống sưởi:
| Diện tích, m2 | Tổng lượng nhiệt tiêu thụ cho giai đoạn sưởi ấm trước khi lắp đặt AUU | Tổng lượng nhiệt tiêu thụ trong thời gian sưởi ấm sau khi lắp đặt AUU | Giảm tiêu thụ nhiệt Gcal | Chi phí Gcal nghìn rúp. (2018 y.) | Tiết kiệm cho thời kỳ sưởi ấm hàng nghìn rúp. | |
| Tòa nhà số 1 | 1 300 | 340 | 266 | 74 | 2,0 | 148 | 
| Tòa nhà số 2 | 4 800 | 550 | 418 | 132 | 2,0 | 264 | 
| Tòa nhà số 3 | 18 500 | 4 400 | 3 720 | 680 | 2,0 | 1 360 | 
Có thể thấy từ bảng này, việc lắp đặt bộ phận kiểm soát nhiệt giúp giảm tiêu thụ nhiệt trong thời gian sưởi bằng cách:
- Tòa nhà số 1 - 74 Gcal,
- Tòa nhà số 2 - 132 Gcal,
- Tòa nhà số 3 - 680 Gcal.
Sự khác biệt đáng kể trong việc giảm tiêu thụ chủ yếu là do:
- quy mô của các tòa nhà (diện tích và số tầng)
- số giờ hoạt động,
- cuộc hẹn.
Bảng sau đây cho thấy:
- tiết kiệm nhiệt cho giai đoạn sưởi ấm (dựa trên chi phí 2 nghìn rúp cho mỗi Gcal)
- chi phí lắp đặt và cài đặt bộ điều khiển sưởi ấm và
- thời gian hoàn vốn.
| Tiết kiệm cho thời kỳ sưởi ấm hàng nghìn rúp. | Chi phí AUU (thiết bị và lắp đặt) | Thời gian hoàn vốn đơn giản tính theo năm | |
| Tòa nhà số 1 | 148 | 1 556 | 10,5 | 
| Tòa nhà số 2 | 264 | 1 856 | 7,0 | 
| Tòa nhà số 3 | 1 360 | 2 000 | 1,5 | 
Kết luận chính mà chúng ta có thể rút ra từ việc tính toán thời gian hoàn vốn của AUU
Nên lắp đặt thiết bị kiểm soát nhiệt tự động trong các tòa nhà có mức tiêu thụ nhiệt năng đáng kể và trong các tòa nhà quá nóng.
Trong các tòa nhà nhỏ và các tòa nhà có mức tiêu thụ năng lượng nhiệt thấp, một bộ phận điều khiển hệ thống sưởi tự động sẽ có hiệu quả trong một thời gian rất dài hoặc không bao giờ.
Trong các tòa nhà nhỏ, nên sửa lại các đơn vị thang máy hoặc lắp đặt chúng, cũng như lắp đặt hệ thống van cân bằng trên các ống nâng chính của hệ thống sưởi.


Bộ điều khiển hệ thống sưởi
Lỗi trong quá trình triển khai một nút tự động


 Bộ phận gia nhiệt và điều khiển nước nóng theo mạch cấp nhiệt và cấp nước nóng độc lập theo mạch kín.
Các sai sót có thể xảy ra ngay cả tại thời điểm lập kế hoạch và tổ chức công việc sau đó về việc triển khai hệ thống sưởi ấm. Một số sai lầm thường mắc phải khi lựa chọn giải pháp kỹ thuật. Không nên bỏ qua các quy tắc về việc xây dựng một điểm gia nhiệt riêng lẻ. Cuối cùng, tại thời điểm lắp đặt bộ điều khiển hệ thống sưởi, có thể xảy ra sự trùng lặp chức năng của thiết bị được lắp đặt trong trạm sưởi trung tâm, điều này trái ngược với các quy tắc vận hành hệ thống lắp đặt nhiệt. Vì vậy, việc lắp đặt các bộ điều khiển gia nhiệt với van cân bằng có thể dẫn đến lực cản thủy lực cao trong hệ thống, dẫn đến yêu cầu thay thế hoặc tái tạo lại các thiết bị nhiệt và cơ khí.
Việc lắp đặt không đầy đủ các bộ điều khiển hệ thống sưởi cũng có thể được gọi là một sai lầm, điều này chắc chắn sẽ vi phạm sự cân bằng nhiệt và thủy lực đã thiết lập trong các mạng nội bộ. Điều này sẽ làm giảm hiệu suất của hệ thống sưởi ấm trong hầu hết các tòa nhà được kết nối. Cần thực hiện điều chỉnh nhiệt tại thời điểm hoạt động của thiết bị sưởi.
Lỗi thường xảy ra trong quá trình nhập bộ điều khiển nhiệt ở giai đoạn thiết kế. Điều này là do thiếu các dự án làm việc, sử dụng một dự án tiêu chuẩn, không có sự tính toán, ràng buộc và lựa chọn thiết bị với những điều kiện nhất định. Kết quả là vi phạm các chế độ cung cấp nhiệt.
Tại sao lắp đặt AUU trong các tòa nhà có mức tiêu thụ nhiệt cao lại có lợi hơn?
Thiết bị điều khiển hệ thống sưởi có giá tương đương nhau đối với các tòa nhà lớn và nhỏ (chênh lệch giữa chi phí thiết bị và lắp đặt là 20% -30%).
Đồng thời, một tòa nhà lớn có thể tiết kiệm năng lượng nhiệt gấp 5-10 lần so với một tòa nhà nhỏ.
Trong ví dụ của chúng tôi, chúng tôi thấy:
- Bộ phận điều khiển hệ thống sưởi tự trả trong 10,5 năm tại tòa nhà số 1, với diện tích 1.300 m2 và mức tiêu thụ nhiệt là 340 Gcal trước khi lắp đặt AUU.
- Đơn vị tương tự tự chi trả trong 1,5 năm cho tòa nhà số 3, với diện tích 18.500 m2 và mức tiêu thụ nhiệt trước khi lắp đặt là 4.400 Gcal AUU.
Phân tích và tính toán của chúng tôi không phải là phổ quát.
Chúng chỉ cung cấp cho bạn hiểu biết cơ bản về việc lắp đặt các thiết bị điều khiển hệ thống sưởi tự động ở những tòa nhà nào là phù hợp hơn.
Chúng tôi khuyên bạn nên tính toán tính khả thi và thời gian hoàn vốn của bộ điều khiển hệ thống sưởi cho từng tòa nhà, dựa trên các trường hợp và điều kiện cụ thể.
Cách lắp đặt bộ điều khiển hệ thống sưởi tự động
Không có thay đổi cơ bản nào trong sơ đồ cấp nhiệt của tòa nhà khi lắp đặt bộ điều khiển hệ thống sưởi tự động (AUU).
Không giống như các đơn vị thang máy được lắp đặt trên mỗi khu vực của ngôi nhà, AUU được gắn trên mỗi tòa nhà, theo quy định, một đơn vị thang máy.
Kết nối thiết bị điều khiển được thực hiện sau thiết bị đo năng lượng nhiệt.
Thiết bị kiểm soát thời tiết bao gồm các yếu tố sau:
- phần tử điều khiển,
- van điều khiển với một thiết bị truyền động,
- bơm tuần hoàn,
- cảm biến nhiệt độ ngoài trời,
- cảm biến nhiệt độ phòng.
Yếu tố điều khiển của thiết bị kiểm soát thời tiết cho phép bạn thay đổi thủ công các cài đặt xác định chế độ hoạt động của hệ thống sưởi và cho phép bạn duy trì các nhiệt độ khác nhau trong tòa nhà tại các thời điểm khác nhau.
Ví dụ, trong các tòa nhà văn phòng vào cuối tuần và ngày lễ, bạn có thể giảm nhiệt độ không khí bên trong xuống +12 ° C.
Ngày thường, nhiệt độ có thể nâng lên +18 ° C.
Sơ đồ và cái nhìn chung của bộ điều khiển thời tiết tự động được thể hiện trong các hình bên dưới.


Đề án cung cấp cho:
- tự động chuyển đổi giữa máy bơm chính và máy bơm dự phòng trong trường hợp hỏng một trong các máy bơm,
- khả năng đưa ra một lịch trình linh hoạt để điều chỉnh nhiệt độ không khí trong cơ sở, có tính đến thời gian ban đêm, cuối tuần và ngày lễ cho toàn bộ mùa sưởi,
- kiểm soát bắt buộc nhiệt độ của vật mang nhiệt trở lại,
- duy trì lịch trình nhiệt độ.
Nhiệt độ của hệ thống sưởi ấm được kiểm soát bằng cách thay đổi thông lượng của van và thêm nước làm nóng bằng cách sử dụng một máy bơm tuần hoàn.
Trong quá trình hoạt động, bộ điều khiển:
- thăm dò định kỳ các cảm biến nhiệt độ nước làm mát, cảm biến không khí trong nhà (nếu có) và cảm biến không khí ngoài trời,
- xử lý thông tin nhận được và
- tạo ra các tín hiệu điều khiển đưa ra lệnh cho cơ cấu chấp hành để mở hoặc đóng.
Hành động điều khiển từ bộ điều khiển làm thay đổi độ mở của vùng dòng chảy của van điều khiển.
Trong trường hợp không có cảm biến không khí trong nhà, ưu tiên kiểm soát chính là duy trì lịch trình nhiệt độ.
Các yêu cầu bổ sung khi đưa bộ điều khiển hệ thống sưởi vào hoạt động


 Bộ phận điều khiển hệ thống sưởi và nước nóng theo một sơ đồ độc lập.
Các sơ đồ đã chọn để lắp đặt bộ điều khiển hệ thống sưởi có thể không tương ứng với các sơ đồ yêu cầu, điều này ảnh hưởng tiêu cực đến việc cung cấp nhiệt. Cũng có thể xảy ra trường hợp tại thời điểm hệ thống được đưa vào vận hành, các điều kiện kỹ thuật được sử dụng không tương ứng với các thông số thực. Điều này có thể dẫn đến việc lựa chọn bố cục nút không chính xác.
Tại thời điểm vận hành thiết bị tự động hóa, cần lưu ý rằng hệ thống sưởi ấm trước đây có thể đã trải qua sửa chữa và xây dựng lại lớn, trong đó mạch điện có thể được thay đổi từ một đường ống sang hai đường ống. Các vấn đề có thể phát sinh khi một nút được tính toán cho một hệ thống trước khi xây dựng lại.
Quá trình đưa hệ thống vào vận hành không nên tiến hành vào mùa đông để hệ thống được khởi động kịp thời.


 Sơ đồ bộ điều khiển tự động hệ thống sưởi ấm (AUU) tại nhà.
Cần nhớ rằng cảm biến nhiệt độ không khí phải được gắn ở phía bắc, điều này cần thiết để thiết lập chính xác chế độ nhiệt độ, trong trường hợp đó, bức xạ mặt trời không thể ảnh hưởng đến việc sưởi ấm của cảm biến.
Trong quá trình chạy thử, cần cung cấp nguồn điện dự phòng của nút, điều này sẽ giúp tránh việc dừng hệ thống sưởi trung tâm trong trường hợp mất điện. Cần tiến hành công việc điều chỉnh và vận hành thử cũng như các biện pháp giảm tiếng ồn, tổ máy phải được bảo dưỡng. Cần lưu ý rằng việc không tuân thủ một hoặc nhiều quy tắc có thể dẫn đến hệ thống không nóng, và việc không có thiết bị giảm chấn sẽ dẫn đến tiếng ồn khó chịu.
Sự ra đời của bộ phận điều khiển phải đi kèm với việc kiểm tra các điều kiện kỹ thuật đã ban hành, chúng phải tương ứng với số liệu thực tế. Và việc giám sát kỹ thuật phải được thực hiện ở từng giai đoạn công việc. Sau khi tất cả các công việc trên hệ thống đã hoàn thành, việc bảo trì thiết bị sẽ bắt đầu do một tổ chức chuyên môn thực hiện. Nếu không, thời gian ngừng hoạt động của thiết bị đắt tiền của một đơn vị tự động hoặc bảo trì không có tay nghề của nó có thể dẫn đến hỏng hóc và các hậu quả tiêu cực khác, bao gồm cả việc mất tài liệu kỹ thuật.
Sử dụng hiệu quả các trạm đo tự động
Việc sử dụng AUU là hiệu quả nhất:
- trong các tòa nhà lớn với mức tiêu thụ nhiệt đáng kể,
- trong những ngôi nhà được kết nối với mạng lưới sưởi ấm của thành phố,
- trong các tòa nhà có hệ thống sưởi trung tâm giảm áp suất không đủ và bắt buộc phải lắp đặt các máy bơm sưởi trung tâm,
- trong các tòa nhà có hệ thống cấp nước nóng phi tập trung và hệ thống sưởi trung tâm.


Bộ điều khiển tự động
Cuộc hẹn


Bộ điều khiển tự động là một điểm gia nhiệt cá nhân được thiết kế để kiểm soát các thông số của chất làm mát lưu thông trong hệ thống sưởi, tùy thuộc vào các chỉ số nhiệt độ trong phòng, bên ngoài, trong các đường ống cấp và trở lại của mạch điện.
Ngoài ra, hệ thống cho phép bạn thực hiện bảo vệ chống lại các tình huống khẩn cấp, chuyển đổi chế độ vận hành thiết bị, điều khiển sưởi ấm GSM. Trong trường hợp có sự cố hoặc tình huống bất thường, mô-đun có thể thông báo cho tất cả các thuê bao có trong danh sách gửi thư qua SMS.


Nhưng đây không phải là danh sách đầy đủ các chức năng.
Bộ điều khiển có thể cung cấp:
- các thông số và chế độ vận hành của bơm tuần hoàn của hệ thống sưởi, tốc độ tuần hoàn của chất làm mát đã cài đặt,
- thực hiện và kiểm soát việc duy trì lịch trình nhiệt độ cài đặt của đường ống cung cấp và đường ống trở lại... Điều này cho phép hệ thống được bảo vệ khỏi hiện tượng hạ nhiệt và quá nhiệt,
- Duy trì chênh lệch áp suất không đổi định trước tại nguồn cung cấp và đầu vào trở lại tòa nhà, cho phép hoạt động bình thường của tất cả tự động hóa ở chế độ bình thường,
- Làm sạch hẹp và thô của phương tiện gia nhiệt,
- Kiểm soát trực quan tất cả các chỉ số hoạt động của hệ thống: nhiệt độ ở các khu vực quan trọng, chênh lệch áp suất tại đầu ra và đầu vào từ thiết bị, chế độ hoạt động được chỉ định, cảnh báo,
- Điều khiển hệ thống sưởi từ xa qua điện thoại và qua Internet,
- Điều khiển từ xa mặt bằng, báo động, cổng và cửa ra vào bằng các cảm biến bổ sung.


Ghi chú! Để lắp đặt hệ thống như vậy, các thiết bị khác và lò hơi phải được điều chỉnh để được điều khiển bằng điện tử. Khung đổ nát có van cơ học với sơ đồ như vậy sẽ không hoạt động.
nguyên tắc và thiết bị hành động


Cấu trúc của bất kỳ hệ thống điều khiển tự động nào bao gồm các nút cảm biến:
- và các Cảm biến như vậy, thu thập dữ liệu cần thiết ở các vị trí khác nhau của hệ thống,
- bộ xử lý và bộ điều khiển, so sánh dữ liệu nhận được từ các cảm biến với các giá trị được chỉ định bởi lệnh (chương trình) được ghi trên thẻ nhớ, đưa ra quyết định và trên cơ sở đó, đưa ra lệnh cho các cơ chế thực thi,
- Cơ chế thực thi, nhận lệnh từ bộ điều khiển và thực hiện các hành động đơn giản - tắt van và vòi, tăng công suất của thiết bị, chuyển chế độ hoạt động của thiết bị sưởi, tắt khẩn cấp thiết bị bị hỏng.


Cảm biến nhiệt độ và áp suất hoạt động như cảm biến, và mỗi cảm biến bổ sung, cho phép kiểm soát các quá trình khác nhau. Nghiêm trọng nhất là các cảm biến nhiệt độ cung cấp và hồi lưu của chất làm mát, cảm biến nhiệt độ trong nhà và ngoài trời, và cảm biến áp suất ở đầu vào hệ thống.


Vai trò của bộ điều khiển được thực hiện bởi một máy tính công suất thấp đọc dữ liệu từ tất cả các cảm biến. Thẻ nhớ máy tính có chứa chương trình xác định điều kiện nhiệt độ.
Bộ điều khiển so sánh các giá trị thu được với các giá trị đã đặt và nếu cần, đưa ra quyết định thực hiện các biến đổi: tăng nguồn cung cấp chất làm mát cho một hoặc một mạch khác, tắt lò hơi hoặc chuyển nó sang chế độ vận hành khác, v.v. .


Khi đưa ra quyết định, bộ điều khiển sẽ gửi tín hiệu điều khiển đến một hoặc một thiết bị gọn gàng khác: rơ le chuyển mạch, bộ truyền động servo van hoặc van điều tiết, công tắc hoặc thiết bị điện tử của nồi hơi.Tùy thuộc vào chương trình đã đặt, mô-đun GSM để điều khiển hệ thống sưởi có thể gửi tin nhắn cho chủ sở hữu về sự kiện này hoặc sự kiện kia, và sau khi chờ phản hồi, nó có thể thực hiện các biện pháp nhất định.


Điều khiển hệ thống sưởi trong một ngôi nhà nông thôn qua GSM được thực hiện bằng một mô-đun đặc biệt được tích hợp trong máy tính.
Mô-đun này bao gồm các yếu tố sau:
- Khe để chuyển đổi thẻ SIM,
- Nguồn điện và pin,
- Modem GSM,
- Đầu nối ăng-ten,
- Cổng LAN để kết nối với nhà cung cấp Internet,
- CPU,
- Thẻ nhớ,
- Cổng USB để cấu hình và thiết lập,
- Đèn báo LED hoặc màn hình tinh thể lỏng,
- Nhóm tiếp xúc với các đầu ra và đầu vào để thu thập dữ liệu và gửi tín hiệu điều khiển.


Ghi chú! Cùng với mô-đun điều khiển GSM, phần mềm phải được cung cấp để cài đặt trên hệ điều hành của điện thoại di động. Chương trình sẽ giúp tổ chức các nhà điều hành và giao tiếp từ xa của bộ điều khiển.























