HƯỚNG DẪN VẬN HÀNH Giới thiệu …………………… ..
Trang 3
- Hình ảnh
- Bản văn
3
HƯỚNG DẪN SỬ DỤNG Giới thiệu ………………………………………………. 4 Điều khiển và báo hiệu ……………………. 6 Chọn chế độ đọc ……………………. 7 Chọn chế độ cài đặt ………………………. 8 Thông báo sự cố lò hơi …… .. 10 Sơ đồ điều khiển vận hành lò hơi …………. 11 Đặc điểm của lò hơi …………………………. 12 Khởi động và tắt lò hơi …………………. 13 Quy định vận hành lò hơi ……………… .. 13 Chức năng an toàn lò hơi …………………… .. 15 Bảo dưỡng và chăm sóc ………… 17 Vận chuyển và lưu kho ……………… .. 18 Bảo hành và bảo hành điều kiện …………… 18 Thông số kỹ thuật ……………………… .. 19 Kích thước nối ………………. 20 Giản đồ ………………………… 21
CKAT 6, 9, 12, 14, 18, 21, 24, 28 K
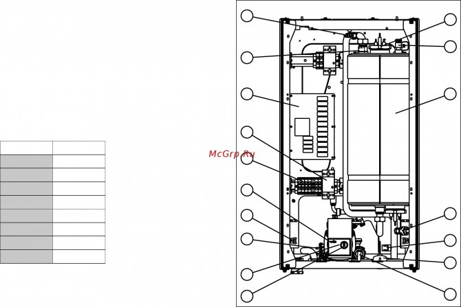
Số sê-ri, ký hiệu loại, dữ liệu kỹ thuật nồi hơi được ghi trên bảng tên
nằm trên bảng điều khiển dưới cùng của trống lò hơi. Để đọc thông tin trên
biển tên, cần phải tháo mặt trước của vỏ lò hơi.
Phần "Hướng dẫn vận hành" có mô tả về các chức năng chính của lò hơi.
và các khuyến nghị để sử dụng an toàn. Phần "Hướng dẫn cài đặt"
chỉ dành cho các chuyên gia của các tổ chức dịch vụ và lắp đặt.
HƯỚNG DẪN LẮP ĐẶT Giới thiệu ……………………… .. ……………………………… .. 25 Kết nối lò hơi với mạng cấp điện ………. 26 Sơ đồ đấu dây nối lò hơi đốt nóng gián tiếp …………………. 28 Sơ đồ đấu dây lò hơi …………………. 30 Sự cố lò hơi …………………………… 37
0020095669_04

Cài đặt và khởi động lò hơi


 Nồi hơi có công suất 6 và 9 kw có thể đấu vào mạng một pha
Thiết bị được treo trên tường bằng vít. Kết nối các đường ống với đường ống sưởi ấm. Với việc lắp đặt thêm lò hơi, một van ba chiều được lắp đặt tại điểm kết nối của nó. Chúng được kết nối với mạng điện 380 V. Một công tắc được lắp đặt ở đầu vào, công tắc này sẽ ngắt nguồn cung cấp hiện tại. Một cáp nguồn riêng được đặt cho nguồn điện. Tất cả các điểm kết nối đều được nối đất.
Nồi hơi điện Protherm Skat 9 kW và 6 kW có thể được kết nối với mạng một pha bằng cầu nối đi kèm trong bộ thiết bị. Nó kết nối các pha của dây trên khối thiết bị đầu cuối. Để khởi động máy, mở vòi cấp nước, đưa áp suất trong hệ thống lên 2 atm, giá trị nhiệt độ sẽ hiển thị trên màn hình và đèn sẽ sáng.
Bạn có thể tìm hiểu thêm chi tiết về hoạt động của nồi hơi, về việc thiết lập các chế độ vận hành khác nhau trong hướng dẫn "Hướng dẫn lắp đặt và vận hành nồi hơi Skat Protherm".
Giới thiệu
Trang 4
- Hình ảnh
- Bản văn
4
Bạn đã trở thành chủ sở hữu của một nồi hơi điện dòng trực tiếp cho hệ thống sưởi ấm trung tâm với khả năng điều chỉnh tiện nghi nhiệt. Chúng tôi hy vọng rằng nồi hơi điện Skat sẽ phục vụ bạn lâu dài và đáng tin cậy. Khi cài đặt và bảo trì nó, phải tuân theo các quy tắc nhất định. Do đó, chúng tôi yêu cầu bạn đọc kỹ nội dung của hướng dẫn bảo trì này và khi làm việc với nồi hơi, hãy thực hiện theo các khuyến nghị và hướng dẫn được đưa ra trong đó. Chúng tôi tin rằng nồi hơi điện SKAT sẽ giúp bạn tạo ra một bầu không khí dễ chịu và tiện nghi nhiệt tối ưu ngay tại nhà. Hãy chú ý đến những điểm chính sau:
1.
Lò hơi cùng với các thiết bị liên quan phải được lắp đặt và sử dụng theo tài liệu của dự án, các luật và quy định kỹ thuật có liên quan hiện hành và hướng dẫn của nhà sản xuất.
2. Lò hơi chỉ phải được lắp đặt trong
mặt bằng được thiết kế đặc biệt.
3. Đưa lò hơi vào hoạt động sau
cài đặt chỉ có thể được thực hiện
một chuyên gia từ một tổ chức chuyên môn được chứng nhận bởi Protherm.
4.
Lò hơi tuân thủ các yêu cầu của tiêu chuẩn và văn bản quy định có hiệu lực trên lãnh thổ Liên bang Nga, được xác nhận bởi Giấy chứng nhận phù hợp do cơ quan có thẩm quyền cấp, Giấy phép sử dụng từ Cơ quan giám sát môi trường, công nghệ và hạt nhân liên bang. .
5.
Trong trường hợp có bất kỳ trục trặc nào, chỉ liên hệ với tổ chức dịch vụ chuyên biệt - không chuyên nghiệp
Giới thiệu
giả mạo có thể ảnh hưởng đến bảo hành của thiết bị.
6.
Nhân viên của tổ chức dịch vụ đưa lò hơi vào vận hành có nghĩa vụ cho người sử dụng hiểu rõ các biện pháp phòng ngừa an toàn khi bảo dưỡng thiết bị và kiểm soát hoạt động của lò hơi; các hoạt động mà người sử dụng có quyền thực hiện độc lập và các hoạt động mà chỉ một chuyên gia có trình độ của tổ chức dịch vụ mới có quyền thực hiện. Nếu tổ chức dịch vụ được chỉ định đồng thời là nhà cung cấp nồi hơi, thì có nghĩa vụ đảm bảo rằng bao bì gốc của nồi hơi được lưu giữ trong trường hợp có thể vận chuyển.
7. Kiểm tra tính toàn vẹn và đầy đủ.
chuyển.
8. Đảm bảo rằng loại được cung cấp cho bạn là
lò hơi theo các thông số đầu vào của nó (ghi trên bảng tên), phù hợp để vận hành ở khu vực này. Các thông số đầu vào có nghĩa là: điện áp của mạng điện.
9. Trong trường hợp khi bạn không có
để chắc chắn về tính đúng đắn của các hành động của bạn về bảo trì lò hơi, hãy tìm và nghiên cứu cẩn thận các hướng dẫn và khuyến nghị liên quan có trong sổ tay hướng dẫn bảo trì này và hành động hoàn toàn phù hợp với chúng.
10.
Không loại bỏ hoặc làm hỏng các ký hiệu hoặc chữ khắc trên lò hơi.
Giữ nguyên bao bì ban đầu của lò hơi trong trường hợp có thể vận chuyển cho đến khi đưa vào vận hành lò hơi.
11.
Chỉ sử dụng các phụ tùng thay thế chính hãng để sửa chữa. Không được can thiệp vào cấu trúc bên trong của nồi hơi và thực hiện bất kỳ thay đổi nào đối với cấu trúc của nó.
12.
Trong trường hợp lò hơi ngừng hoạt động kéo dài, nên đổ hết nước và ngắt kết nối với nguồn điện. Khuyến nghị này được đưa ra có tính đến


Thiết bị của nồi hơi điện Protherm
Nồi hơi điện protherm là một giải pháp chất lượng cao hiện đại cho hệ thống sưởi ấm.
Chúng được sản xuất trên lãnh thổ của Slovakia và có đặc tính hiệu suất khá cao.
Thiết bị nồi hơi:
- bộ trao đổi nhiệt hình trụ làm bằng thép;
- điện trở đốt nóng làm bằng đồng.
Một yếu tố sáng tạo, được lắp đặt trong thiết kế của nồi hơi điện protherm, là một máy bơm có van tự động để xả khí. Thiết bị cũng có đồng hồ báo áp suất, van an toàn và bình giãn nở 10 lít.
Các nồi hơi được trang bị bộ chuyển mạch điện giúp điều chỉnh công suất dễ dàng. Việc cài đặt được thực hiện bằng hai công tắc.
Ngoài ra, còn có điều tiết điện tử, cung cấp chức năng điều chỉnh nguồn điện và đóng ngắt từng bước. Đồng thời, cung cấp độ trễ khi bật các giai đoạn sưởi ấm, tương đương với khoảng 20 giây.
Nồi hơi nhiệt thải nước nóng được thiết kế để chuẩn bị nước nóng cho các mục đích công nghiệp và gia dụng với nhiệt độ thiết kế tối đa lên đến 115 ° C.
Tìm hiểu về các loại nồi hơi nước nóng bằng điện tại đây.
Điều này giúp tránh xảy ra hiện tượng tăng điện áp mạnh khi bật và tắt thiết bị, có thể dẫn đến hỏng thiết bị.
Máy bơm tuần hoàn được lắp đặt trong nồi hơi đốt nóng bằng điện được sản xuất bởi các công ty nổi tiếng - Wilo hoặc Grundfoss. Tính năng của chúng là làm việc trong một chế độ đặc biệt, giúp ngăn ngừa sự hao mòn của thiết bị.
Sau khi thiết bị làm nóng nồi hơi được tắt, máy bơm sẽ tiếp tục hoạt động trong một thời gian (khoảng hai phút), do đó đảm bảo lưu thông trong hệ thống nước làm mát.
Nồi hơi điện Proterm Skat
___________________________________________________________________________________________
- Nồi hơi đặt sàn Medved KLOM, KLZ, TLO, PLO
- Nồi hơi treo tường Panther, Cheetah, Jaguar, Leopard, Lynx
Ông đã tham gia vào việc lắp đặt lò hơi Proterm Skat 9 kW, phòng lò hơi và hệ thống sưởi dưới sàn. Hôm qua tôi đổ xăng cho hệ thống, áp suất là 1,7 bar. Chuẩn bị cung cấp điện. Câu hỏi nảy sinh: Tôi đo áp suất bằng một đồng hồ đo áp suất bên ngoài - Tôi đã lắp nó trên đường trở lại. Và đây là đồng hồ đo áp suất của riêng bạn trong nồi hơi? Anh ấy rõ ràng cần phải chuẩn bị cho công việc bằng cách nào đó. Rõ ràng bạn cần phải uốn cong nó lại? Nếu không, bạn sẽ không nhìn nó từ bên dưới. Hãy nêu cách bẻ cong để không bị gãy mọi thứ hoặc không chạm vào nó một chút nào? Bạn không cần phải uốn cong bất cứ điều gì. Đồng hồ đo áp suất cơ học thấp hơn để kiểm soát trực quan khi thiết bị không được kết nối với nguồn điện lưới. Đối với hoạt động, menu điện tử của thiết bị là đủ cho bạn. Làm thế nào để chuyển đổi, hãy đọc hướng dẫn. Xin vui lòng cho biết lý do của yêu cầu của hướng dẫn lắp đặt cho nồi hơi điện Proterm Skat 12 kW, trong đó nói rằng khoảng cách đến trần nhà từ đỉnh của lò hơi là 700 mm? Các bộ phận làm nóng được kéo lên khi thay thế. Khoảng cách từ 40-50 cm là đủ. Giúp tôi tìm ra một vấn đề như vậy. Tôi đã lắp đặt lò hơi Protherm Scat 18 kW, thông qua van ba chiều Fugas và cảm biến nhiệt độ, tôi đã kết nối lò hơi gia nhiệt gián tiếp Hajdu STA 300 C với nó. Tôi không thể cài đặt nhiệt độ nước nóng cho phù hợp. Vì lý do gì mà đơn vị có thể không nhìn thấy nồi hơi? Hệ thống sưởi đã được khởi động bình thường, được điều chỉnh và không khí được đẩy ra ngoài. Tản nhiệt tốt, không vấn đề gì. Máy vẫn hoạt động ở công suất 6 kW, nhiệt độ nước làm mát là 55 độ. Van ba chiều được bật ở vị trí của nó, cảm biến được kết nối, nhưng dây của nó được kéo dài thêm 10m bằng một dây có tiết diện là 0,7 ô vuông. Có thể đây là vấn đề hoặc một cái gì đó khác? Cảm biến bị kẹt ở vị trí sai. Kiểm tra lại. Việc lắp đặt hệ thống sưởi ấm sắp kết thúc và cần phải đưa nồi hơi điện Proterm Skat 6 kW vào hoạt động. Cho tôi biết phải làm gì với lỗ thông hơi, v.v., làm thế nào và những gì để mở, để lại những gì để tháo? Chưa hết, một ống nối bằng nhựa màu đen, có ghi rằng bạn cần thoát nước ra đường hoặc thoát nước - có thực sự cần thiết để làm điều này không? Bật - tắt tự động? Trong quá trình chảy khí, có lẽ sẽ cần phải nạp lại hệ thống đến một áp suất nhất định? Theo tôi hiểu, hệ thống của bạn cũng là propylene, bạn cấp tối đa bao nhiêu độ vào propylene? Mở vĩnh viễn lỗ thoát khí trên máy bơm (một vài lần vặn nắp). Xả không khí ra khỏi bộ trao đổi nhiệt bằng vòi qua một ống trong suốt thả ra khỏi chai. Chạy thiết bị trong 10 - 20 giây. Tăt. Làm chảy không khí từ vòi một lần nữa. Chạy trong vài phút. Dừng lại. Hạ xuống một lần nữa. Nếu chất chống đông không có bọt thoát ra khỏi ống, bạn có thể bật lò hơi vĩnh viễn và thoát khí ra khỏi bộ tản nhiệt thông qua vòi Mayevsky. Sau một ngày, kiểm tra để đảm bảo rằng vẫn không có bọt trong chất chống đông từ ống. Sau 3-4 ngày, lại đi qua các bộ tản nhiệt, xả khí. Sau một tuần, lặp lại một lần nữa. Không bao giờ đóng lỗ thoát khí trên máy bơm.Nó có thể phun ra từ khớp nối khi bơm. Ít nhất là cho đến khi hệ thống đạt được các chỉ số hiệu suất - hãy thay thế thứ gì đó. Sau đó, nó là không cần thiết. Đang tắt. tự động, có. Nó có thể và sẽ phải được cho ăn. Nó phụ thuộc vào số lượng bạn bơm ban đầu. Tôi có ống PP, tôi không khuyên dùng nhiều hơn 75. Nhưng tôi đặt thời tiết để nó là 75 độ, chỉ bắt đầu từ -5 bên ngoài, và ở các nhiệt độ khác - các giá trị lành tính hơn. Nồi hơi điện Proterm Skat 14 kW. Có một sơ đồ cho hoạt động của mô hình này về cấp nước nóng thông qua van ba chiều và cảm biến NTS. Ví dụ, tôi có một nồi hơi điện 9-12 kW, tôi chỉ cần 6 kW để sưởi ấm. Tất nhiên, tôi hạ nó từ bảng cài đặt xuống mức cần thiết. Nhưng khi chuyển sang sưởi ấm bằng DHW thì sẽ tiêu tốn bao nhiêu? Các cài đặt nguồn có được lưu cho cả DHW và sưởi ấm không? Có thể cung cấp, ví dụ, cũng 6 kW cho DHW sưởi ấm? Sản lượng DHW không được điều chỉnh (luôn luôn đầy đủ đầu ra). Nguồn cấp nước nóng của bạn không phải lúc nào cũng hoạt động. Và ở công suất cao hơn, thiết bị sẽ làm nóng nước nhanh hơn. Còn gì tiết kiệm hơn, thời gian làm nóng lâu hơn với một thiết bị yếu hoặc nhanh hơn với một thiết bị mạnh, bạn phải xem. Sự cố của nồi hơi điện Proterm Skat 28 kW. Lỗi F20 sáng lên, leo lên để tìm nút màu đỏ, nắp không tuột ra theo bất kỳ cách nào, được giả mạo bằng tuốc nơ vít và làm ngắn mạch đầu cực cảm biến, có nút, với hộp tenov, một tia lửa nhỏ, thiết bị bị tắt và không bật. Hậu quả là gì? Xem cầu chì. Có 2,80 mA và 1,6 A. Nhà 100 mét vuông, tôi định lắp đặt 1 lò hơi điện Protherm Skat 9 kr-13, tôi định đưa vào nhà 3 pha công suất 3x5 kW, nếu một trong các pha là cắt giảm (và đây là những gì chúng tôi thường xuyên), sau đó thiết bị sẽ không hoạt động trên hai phần còn lại? Có lẽ sau đó kết nối với một? Rơ le điều khiển pha? Có thể làm việc trên hai. Nhưng nếu pha mà từ đó bộ điều khiển bị ngắt, thiết bị tất nhiên sẽ bị ngắt. Tất nhiên, với hai pha, công suất tối đa sẽ giảm đi một phần ba. Để thiết bị không bị dập tắt do mất điện của bo mạch điều khiển, tốt hơn hết bạn nên cấp nguồn cho thiết bị thông qua rơ le chọn pha - một loại ATS. Tốt hơn là không ghi lại từ một giai đoạn. Cho tôi biết, theo hướng dẫn khi lắp đặt lò hơi Proterm Skat 12K, khoảng cách tự do từ phía trên ít nhất phải là 800 mm. Trong trường hợp của tôi, nó quay ra 400. Nó sẽ là một dự phòng, bộ máy chính là khí. Nguy cơ vi phạm khoảng cách tự do là gì? Để thay thế các bộ phận làm nóng, lò hơi sẽ cần phải được tháo dỡ. Việc cấp nguồn cho máy bơm của các mạch từ dòng kích hoạt máy bơm thông qua các rơ le nguồn có hợp lý không? Để làm rõ những nghi ngờ của tôi: nồi hơi điện Protherm Skat 6 kW được điều khiển qua Zont bởi nhiệt độ trong phòng nồi hơi - phiên bản ban đầu của quyền sở hữu nhà. Và máy bơm của các mạch (sàn ấm, bộ tản nhiệt sưởi ấm) - hoạt động liên tục. FUGAS đã được kết nối với các tiếp điểm điều khiển máy bơm bên ngoài. Có thể (sử dụng rơ le nguồn) để cấu hình lại hoạt động của máy bơm trên lược từ thuật toán của máy bơm được tích hợp sẵn không? Máy bơm đã dừng - "máy bơm mạch đã bị đóng băng". Và ngược lại. Theo em hiểu vấn đề là công suất của các tiếp điểm điều khiển hoạt động của máy bơm tích hợp không đủ để điều khiển máy bơm bổ sung? Nếu vậy, hãy kết nối công tắc tơ (rơ le) thay vì máy bơm tích hợp. Và treo trên đó mọi thứ cần được bật / tắt cùng một lúc. Giúp xử lý sự cố của nồi hơi điện Skat 14 kr-13. Màn hình hiển thị 4,5 bar, trong khi áp suất cơ là 1,1 - 1,2. Một vài lần nó đã xảy ra, tôi đã sửa nó bằng cách khởi động lại thiết bị. Vấn đề này đã không hoạt động ngày hôm qua. Thiết bị là tháng thứ 3 đi vào hoạt động. Phải làm gì và tiến hành như thế nào? Lý do là gì? Có hai cách: nếu quá trình cài đặt và khởi động được thực hiện chính thức, thì hãy gửi khiếu nại với người bán hoặc người cài đặt. Nếu mọi thứ được thực hiện một cách độc lập, thì lĩnh vực khả năng sẽ rộng hơn nhiều: Đừng lo lắng. Sau cùng, có một đồng hồ đo áp suất cơ học và một van an toàn. Kiểm tra chất lượng của nguồn điện. Có thể một số can thiệp dẫn đến sai số trong phép đo. Thay thế cảm biến, nếu nó không giúp đỡ - bo mạch (nó có thể bị lỗi theo định kỳ, xử lý không chính xác dữ liệu nhận được từ cảm biến). Mời ASC chẩn đoán.Start-up độc lập, ngay cả theo các điều khoản của bảo lãnh, vẫn chưa phải là phán quyết cuối cùng. Lò hơi Proterm Skat 18 kW đang hoạt động. Hoạt động trên bộ tản nhiệt và hệ thống sưởi sàn tầng 1. Tôi có hai câu hỏi cho các bác sĩ chuyên khoa. Một cảm biến nhiệt độ bên ngoài và một phòng được kết nối với thiết bị, chúng tôi đã làm việc bình thường trong năm thứ hai. Đối với mùa đông này, tôi đã lắp ráp và kết nối một điều khiển từ xa, trong trường hợp chúng tôi vắng mặt, hỗ trợ khoảng 10C và nếu cần, chúng tôi sẽ bật thiết bị ở chế độ bình thường trước. Ngoài ra, hệ thống cố gắng tính đến tỷ lệ ban đêm. Mọi thứ sẽ tốt, nhưng tôi muốn nhiều hơn nữa - phản hồi. Đó là, giám sát nguồn điện, nhiệt độ nước, áp suất và các thông báo lỗi có thể xảy ra trong quá trình vận hành. Thực ra câu hỏi là - tôi có thể lấy sơ đồ bảng điều khiển và bảng mạch chính ở đâu (tôi không biết nó được gọi như thế nào là chính xác)? Rất cần thiết. Đánh giá theo mô tả, khi kết nối sàn ấm, cần kết nối bộ điều nhiệt khẩn cấp với thiết bị. Trong thực tế, tôi thấy một jumper trên các tiếp điểm cần thiết của nồi hơi điện. Bạn khuyên bạn làm thế nào? Tất cả những gì tôi nghĩ đến là giới hạn nhiệt độ của chất làm mát. Bây giờ nó được giới hạn ở 60C, điều này đương nhiên có ảnh hưởng tiêu cực đến tốc độ sưởi ấm của cơ sở. Và có thể lắp đặt bộ điều chỉnh nhiệt này mà không cần tháo rời các tầng không? Nó thường được lắp đặt ở đâu và nhiệt độ nào của chất làm mát cho sàn được coi là quan trọng? Tôi đã lắp đặt một nồi hơi điện Protherm Skat 9 kW, trong quá trình tìm hiểu Hướng dẫn lắp đặt và vận hành nồi hơi, tôi thấy có thông tin rằng cần có khoảng cách tối thiểu đến trần phía trên nồi hơi - 800 mm. Lý do là gì, tại sao lại có khoảng cách như vậy? Tôi không tìm thấy yêu cầu như vậy trong hướng dẫn cho đơn vị khí. Đây có phải là đặc điểm riêng của lò hơi điện không? Trong thực tế, tôi nhận được khoảng 400 mm. Đây có phải là một vấn đề lớn? 800 mm là cần thiết để thay thế bộ phận làm nóng, nếu bạn có 400 mm, sau đó để thay thế bộ phận làm nóng, bạn sẽ phải tháo thiết bị, điều này sẽ không ảnh hưởng đến hoạt động của nó theo bất kỳ cách nào. Nồi hơi điện Protherm Skat 12 kr-13 đang hoạt động. Máy điều nhiệt Evan ZONT H-2 như một máy điều nhiệt trong phòng. Một số cảm biến ở các khu vực khác nhau trong nhà. Bộ điều chỉnh nhiệt cũng hỗ trợ khả năng kết nối cảm biến ngoài trời và hoạt động tùy thuộc vào thời tiết (tự động hóa phụ thuộc vào thời tiết). Đồng thời, bản thân thiết bị cũng có một đầu ra để kết nối cảm biến nhiệt độ ngoài trời, ví dụ, S010075. Logic của lò hơi, có cả bộ điều nhiệt trong phòng và cảm biến ngoài trời được kết nối cùng một lúc, tôi không rõ ràng. Tôi đang cố gắng tìm ra giải pháp tốt nhất. Các thuật toán PZA trong ô vẫn còn rất chưa hoàn thiện. Trong nồi hơi, PZA hoạt động hoàn hảo và theo một cách hơi khác. Chiếc ô kéo nguồn điện của thiết bị để mô phỏng PZA và thiết bị điều chỉnh công suất của nó phù hợp với PZA của chính nó. Đó là, nguyên tắc của PZA hoàn toàn khác: ô đang bật / tắt. nó hoạt động hết công suất để duy trì nhiệt độ nước làm mát, thiết bị chỉ cần thay đổi nhiệt độ nước làm mát hiện tại trong menu, đồng thời điều chỉnh nguồn điện. Tôi đã vận hành lò hơi điện Protherm Skat 6 kW cho mùa thứ hai ở chế độ ban đêm và trong tháng trước, tôi đã nhận được hóa đơn tiền điện cao hơn một chút so với chu kỳ thời gian vừa qua. Bằng cách tắt tất cả email. người tiêu dùng, ngoài anh ta, phát hiện ra rằng anh ta tiêu thụ 6,5 kilowatt. Có lẽ ai đó biết vấn đề là gì? Vâng, nếu anh ta tiêu thụ 6,5, thì anh ta đang cho 6,5. Trên thực tế, rất có thể, manh mối là do điện áp tăng trong ổ cắm của bạn. Được lắp đặt trong một ngôi nhà (150 mét vuông M.) và được kết nối với hệ thống sưởi, một nồi hơi điện Proterm Skat 14K. Sau hai tuần hoạt động, giá trị 14 trong menu chọn công suất (kW) biến mất, tức là tôi có thể chọn 2,4,7,9. Tất nhiên, điều này không quan trọng, chúng tôi không sử dụng toàn bộ công suất (nó được bật lên đến tối đa là 9 kW), nhưng tôi muốn hiểu điều này được kết nối với cái gì. Nhìn bằng mắt thường, bo mạch là toàn bộ và các điểm tiếp xúc dây điện của các bộ phận làm nóng cũng vậy. Thiết bị đã hoạt động được 2,5 tháng kể từ thời điểm lắp đặt, và tôi tình cờ xem được nó. Trong quá trình cài đặt, trình hướng dẫn đã chỉ ra cách sử dụng menu và đặt 9 kW, và chỉ sau hai tuần, tôi đã cố gắng tự chuyển đổi nguồn điện. Tôi không thấy chỉ báo 14 sau khi cài đặt.Anh ta gọi cho bậc thầy và nói rằng anh ta không đặt ra một hạn chế cụ thể nào. Mình ngồi suy nghĩ hay là anh ấy vô tình đặt hạn chế, vì sau câu trả lời của bạn, mình nhận ra rằng điều này là có thật và bạn có thể cấu hình lại nồi hơi hoặc hỏng hóc gì đó. Tôi đã ngắt kết nối thiết bị khỏi mạng, nó không giúp được gì. Hy vọng rằng, vấn đề không nghiêm trọng. Tôi chưa lắp rơ le không tải, nhưng tôi đang suy nghĩ về nó, vì 15 kW đến nhà và khi sử dụng các thiết bị tiêu thụ mạnh như lò hơi và lò hơi, nó là cần thiết. Chỉ là trong menu dịch vụ, bạn có thể đặt công suất lò hơi tối đa, ở trên đó, sau này sẽ không thể đặt thông qua menu thông thường. Bạn có chắc rằng sau chuyến thăm của người lắp đặt, thiết bị đã cho bạn 14 kW? Tôi chỉ không nhớ rằng nồi hơi điện đã loại trừ công suất của các bộ phận làm nóng khỏi menu trong trường hợp hư hỏng. Hãy thử tắt nó trong bảng điều khiển tự động (khi nó sẽ không nóng lên) và bật lại. Tôi đã khởi động nồi hơi điện Proterm Skat 9 kW và quên mất ống thoát nước có bàn xoay màu xám trên thùng chứa có các bộ phận làm nóng, nó sôi rất lâu (khoảng 20 phút), nhưng anh ấy đã làm nóng nước trong BKN ở chế độ bình thường , và sau đó tôi cũng khởi động mạch sưởi ấm, giống như mọi thứ cũng ở chế độ bình thường. Bây giờ câu hỏi đang day dứt: tôi đã đốt cháy các bộ phận sưởi ấm hay tất cả đều ổn? Chà, một, hai, ba, tất cả các bộ phận làm nóng sẽ đóng lại hoặc ngược lại sẽ ở trong một vách đá. Hoặc một phần sẽ đóng lại, một phần sẽ ở trong khoảng trống. Nó sẽ tự biểu hiện trong ngắn mạch hoặc giảm tốc độ gia nhiệt. Hoặc có thể bạn là người may mắn, mọi việc sẽ như ý. Bạn có thể cho tôi biết liệu có thể tăng công suất của nồi hơi điện Skat từ 12 kW lên 18 kW bằng cách thay thế các bộ phận gia nhiệt hay không, hay bạn vẫn cần thay đổi điều gì đó trong điều khiển của thiết bị? Tiếp điểm với bộ điều nhiệt của phòng bên ngoài đã ngừng hoạt động. Gần đây, tôi đã rút dây từ bộ điều nhiệt đến thiết bị để kết nối bộ điều nhiệt với nồi hơi diesel. Khi tôi đặt lại dây vào, lò hơi điện ngừng phản ứng với nó - nó sẽ bật trong mọi trường hợp, bất kể mạch đi đến bộ điều nhiệt đang mở hay đóng. Hơn nữa, nếu bạn tháo khối ra khỏi bảng, nơi dây dẫn từ bộ điều nhiệt thực sự bị mắc kẹt, nó vẫn bật, như thể một dây nối được lắp vào. Mặc dù, về lý thuyết, trong trường hợp này, mọi thứ đều mở và nó không nên bật. Nồi hơi điện Proterm Skat 6K đang hoạt động. Diện tích khoảng 50 sq. m. với một hành lang, phòng tắm và tầng hai. Bộ tản nhiệt lưỡng kim. Hai mạch sưởi ấm khởi hành từ thiết bị riêng biệt: tầng một, nhà bếp, phòng tắm (4 bộ tản nhiệt) và mạch thứ hai đến hành lang, tầng hai (4 bộ tản nhiệt). Mỗi mạch có thể được tắt, mỗi bộ tản nhiệt có thể được tắt. Ống propylene 32. Điều đáng lo ngại: Khi làm nóng một mạch, không có vấn đề gì - mọi thứ đều hoạt động tốt. Khi kết nối mạch thứ hai (tầng hai và hành lang), nhiệt độ nước không ấm lên trên 54 độ, ngay cả khi tôi tắt tất cả các bộ tản nhiệt trên tầng hai. Chuyện gì vậy? Máy bơm bị nóng, điều này có bình thường không? Máy bơm liên tục chạy với tốc độ nhanh nhất, điều này có bình thường không? Điều chỉnh tốc độ bơm có hợp lý không? Tôi đã bao gồm các điều chỉnh máy bơm, nó hiển thị 0, và sau đó phải làm gì để đạt được 16 và sau đó là gì? Vì vậy, ai đó đã không có một hướng dẫn để kết thúc. Giúp kết nối bộ điều nhiệt trong phòng, theo đúng nghĩa đen, chỗ để dán cái gì. Tôi đã tìm ra nó trên đơn vị, nhưng ngay cả thợ điện cũng không thể nói với bộ điều chỉnh. Nó phải là bao nhiêu? Việc thoát nhiệt của các bộ tản nhiệt nên nhiều hơn 10 phần trăm so với công suất tối đa, tôi không thấy có vấn đề gì, có lẽ tầng 2 không đủ cách nhiệt. Lấy một nhiệt kế, đo các nhánh cung cấp / trả hàng, thứ cần thiết và không đắt như máy ảnh nhiệt. Có thể đáng cân nhắc việc lắp đặt một mũi tên thủy lực và kết nối máy bơm của riêng bạn với từng nhánh. Vâng, nó bình thường, nó có một cánh quạt ướt, nó sẽ có nhiệt độ trở lại. Leo sai chỗ. Điểm tốc độ bơm 19. Tải xuống hướng dẫn sử dụng và đọc kỹ. Bám tiếp điểm khô, đây là cực 1 và 0, đồng hồ vạn năng kiểm tra giúp bạn. Không kết nối với 220 trong bất kỳ trường hợp nào. Nồi hơi điện Protherm Skat 12 kr-13 đang hoạt động (mua và lắp đặt cách đây 1 tháng rưỡi).Giới hạn công suất là 10 kW, nhiệt độ nước làm mát được giới hạn ở 65 độ. Chỉ hoạt động để sưởi ấm (diện tích được sưởi ấm 115 sq. M.). Chất làm mát có thể được làm nóng đến tối đa 48 độ và thế là xong. Làm việc ở 10 kW (theo màn hình), nó thực sự tiêu thụ khoảng 7 kW (theo đồng hồ điện). Đơn vị đã được kiểm tra, mọi thứ đều theo thứ tự. Những người hàng xóm có cùng một vấn đề, nhưng một thiết bị khác nhau. Thợ điện cho biết, sự cố ở lưới điện là điện áp thấp (174-200v, và không đồng đều các pha). Nên lắp một bộ điều chỉnh điện áp mạnh. Câu hỏi đặt ra là - nếu tôi đặt một bộ điều chỉnh điện áp, nó có thực sự cho phép tăng nhiệt độ sưởi không? Và phiên bản nào của bộ ổn định tốt hơn: một ba pha, hay ba một pha? Trên thực tế, lò hơi điện sẽ không thể vượt quá công suất phân bổ cho ngôi nhà, vì ở điện áp này, và công suất tỷ lệ với bình phương của điện áp, thiết bị sản xuất một nửa công suất định mức và thậm chí ít hơn. Bạn đã được đưa ra lời khuyên chính xác, chế độ 12 kW sẽ cho phép bạn loại bỏ nhiệt nhiều hơn một chút từ nó. Nhưng việc lắp đặt bộ ổn định sẽ không hoàn toàn giải quyết được vấn đề, vì ở điện áp thấp, công suất thực tế mà bạn có thể lấy từ mạng ít hơn nhiều so với giới hạn bởi bộ tự động đầu vào. Nếu hệ thống sưởi không thể thiết lập điện áp bình thường trong mạng, thì hãy để nó cho phép tăng định mức của máy. Trong trường hợp này, sẽ có ý nghĩa khi lắp đặt các bộ ổn định (hoặc thay đổi các bộ phận làm nóng cho các bộ ổn định mạnh hơn). Sự cố lò hơi Proterm Skat 6 kr-13. Sau khi bật, nó sẽ tắt sau 5 giây. Vấn đề là gì? Trong phần tử bị cháy / cháy của phần tử gia nhiệt. Các tùy chọn khác khó có thể xảy ra, tất nhiên, trừ khi điều này xảy ra ở chế độ nhàn rỗi. Tôi đã khởi động lò hơi Proterm Skat 9 kr-13, tôi định mua Instat-2, nhưng hóa ra nó đã hết sản xuất. Đổi lại bạn khuyên bạn nên làm gì? Hãy xem xét kỹ hơn về Termolink S và SD 2000. Tôi đã lắp đặt và kết nối một nồi hơi điện Protherm Skat 12 kW, tự khởi động, mọi thứ đều theo hướng dẫn, không khí được thông khí trước khi khởi động. Các bộ tản nhiệt nóng lên, mọi thứ đều như mong đợi, nhiệt độ được giữ nguyên. Nhưng sau khi bật nó lên thì nó bắt đầu kêu mạnh, bạn có thể nghe thấy nó trong nhà rất rõ. Em đã kiểm tra khí hư, chảy máu lại thì không nhiều. Câu hỏi cho những người có cùng một thiết bị, tiếng vo ve có bình thường không? Làm thế nào để nó làm việc cho bạn? Vâng, ấn tượng là bản thân máy bơm đang kêu ồn ào. Nhiều khả năng là máy bơm và nếu tốc độ của nó được đặt quá cao so với hệ thống của bạn, thì bạn nên giảm tốc độ xuống. Khi hệ thống bị kẹp quá chặt, chất làm mát có thể vượt qua ngưỡng âm thanh và âm thanh đặc trưng bắt đầu trong đường ống. Nồi hơi điện Proterm skat 9K. Có thể vận hành nó một cách dễ dàng từ máy phát điện sử dụng sơ đồ chuyển mạch một pha không? Mô hình 6K và 9K có thể hoạt động từ mạng có điện áp cả 380V và 220V, các mô hình khác chỉ từ 380V. Nếu nó không gây khó khăn, bạn có thể phác thảo các sắc thái của sơ đồ đường ống nồi hơi của bạn. Sắp tới tôi sẽ lắp đặt lò hơi điện Protherm skat 6K, hiện tại tôi đang thu thập thông tin về đường ống. Tốt hơn là đặt cạnh dưới của thiết bị ngang hàng với nồi hơi, sao cho màn hình hiển thị ngang tầm mắt. Tôi đã sử dụng một ống PPR thông thường để cung cấp cho các bộ thu VTP - đường dẫn đến thiết bị được mở để lấy oxy. Đã lắp đặt và kết nối nồi hơi điện Protherm Skat 9k. Khi nhiệt độ của chất làm mát giảm xuống 30-35 độ, áp suất giảm xuống dưới 0,6 và do đó, lò hơi dừng với lỗi F22. Hệ thống kín, một tầng, không có bơm tuần hoàn trong hệ thống (chỉ có trong bộ máy). Tắt lò hơi, bơm bình giãn nở lên 0,8 rồi cấp hệ thống lên 1 vạch qua đường hồi, bật? Không thể làm gì nếu không có một máy bơm tuần hoàn? Chúng tôi tắt thiết bị và xả nước khỏi nó, chỉ sau đó bơm nó (van xả đang mở). Và tại sao lại là một máy bơm tuần hoàn? Nếu bạn bơm chúng trong trường hợp không có hệ thống cấp nước, thì nó sẽ không nâng quá 0,6. Đã xảy ra sự cố với nồi hơi Skat 12K. Súng máy hạ gục. Tôi đã không hiển thị bất kỳ lỗi nào trên màn hình trước đây, tốt, ít nhất là họ không nhìn thấy chúng. Chúng tôi đã cố gắng bật nó lên. Lúc đầu, anh ấy bắt đầu bật và ngay lập tức tắt.Và bây giờ vào buổi sáng, anh ta nhấp chuột, đèn đỏ dưới nắp đang nhấp nháy. Nó không bật, màn hình không sáng, các chỉ báo trên màn hình không sáng. Sau đó, hóa ra là cáp từ màn hình đã bị rơi ra. Họ đã đặt nó vào đúng vị trí, màn hình hoạt động. Chúng tôi bật nó lên, nó bắt đầu hoạt động, và sau đó cắt giảm giai đoạn 0. Nó được kết nối thông qua một máy tự động (có thể bạn cần sử dụng xe buýt)? Ở khối các bộ phận phát nhiệt, có sự cố về vỏ máy hoặc chập mạch, rất có thể là sự cố và bạn mắc vi sai. máy móc. Sử dụng tuốc nơ vít chỉ thị để kiểm tra sự hiện diện của một pha trên vỏ. Lấy Megohmmeter (hoặc đồng hồ vạn năng rất tốt), ngắt kết nối các bộ phận làm nóng khỏi bo mạch và đổ chuông. Về ngắn mạch / sự cố. Hãy cho tôi biết, nếu bạn xả nước từ các đường ống, thì sẽ không còn nước trong nồi hơi điện Protherm Skat 14 kW? Chúng ta có kế hoạch tắt hệ thống sưởi trong một năm, cất thiết bị trong phòng ấm áp hay có thể cất giữ thiết bị trong phòng không được sưởi ấm? Nhiều khả năng nước sẽ đọng lại ở cút dẫn từ bình chứa nồi hơi đến máy bơm. Nó có thể được làm trống bằng cách loại bỏ nó. Nó sẽ thoát khỏi phần còn lại của nơi này. Đã lắp đặt nồi hơi điện Proterm Skat 18 kW cho bộ tản nhiệt và sưởi ấm dưới sàn. Tôi muốn tìm hiểu từ xa về nhiệt độ của chất làm mát và liệu thiết bị có đang hoạt động hay không (có bị mất điện không). Bạn khuyên bạn làm thế nào? Tôi đang hướng tới Micro Line GSM-Climate ZONT H-1, nhưng đột nhiên có lựa chọn thay thế? Và có đáng để lắp đặt một bộ tản nhiệt hay không, liệu nó có thực sự mang lại lợi ích gì về mặt tiết kiệm điện hay không? Vấn đề sau đây được hình thành với nồi hơi điện Proterm Skat 24 kW. Sau 4 tháng hoạt động bình thường, sự cố sau xuất hiện. Tôi bật nó lên, chẩn đoán diễn ra, máy bơm khởi động, các bộ phận làm nóng bật dần lên đến 24 kW, nhiệt độ bắt đầu tăng lên, sau ba mươi phút, các bộ phận làm nóng đột ngột bị tắt 24-22-20 ... -0 , trong khi số lỗi không sáng lên, sau đó thiết bị cố gắng bật lại các bộ phận làm nóng, nhưng ngay lập tức tắt chúng và do đó tiếp tục cố gắng khởi động. Nếu bạn tắt nó khỏi nguồn điện và để nó đứng và nguội trong khoảng 30 phút, nó có thể hoạt động một lúc ở chế độ bình thường và sau đó tắt lại. Áp suất trong hệ thống là 1,5, cảm biến nhiệt độ không có tác dụng khỏi ống, bộ điều nhiệt khẩn cấp đặt lại về 0, hệ thống sạch, nước được đổ vào. Tôi quay sang trung tâm bảo hành - họ từ chối theo sự bảo đảm, vì không có công việc vận hành, họ thậm chí không thèm xem xét lò hơi để tìm lỗi của nhà máy, họ chỉ đơn giản là hủy đăng ký và đề nghị sửa chữa bằng cách thay thế bảng mạch với cài đặt cho một nửa chi phí. Có thể ai đó đã gặp phải vấn đề tương tự hoặc có những phỏng đoán mà bạn vẫn có thể nhìn thấy. Trục trặc và lỗi của lò hơi điện Proterm Skat Rơ le bị kẹt - Trong những trường hợp như vậy, đèn LED HDO sẽ bắt đầu nhấp nháy trên bảng điều khiển. Thiết bị sẽ tự cố gắng tháo rơ le và trong trường hợp không thành công, thông báo lỗi F41 sẽ xuất hiện trên màn hình. Thiết bị sẽ bắt đầu hoạt động ở mức công suất tối thiểu. Nếu sau khi tắt và bật lại, nó bắt đầu hoạt động ở chế độ bình thường nhưng đèn LED HDO vẫn tiếp tục nhấp nháy trên màn hình, bạn cần liên hệ với tổ chức dịch vụ chuyên dụng. Kiểm tra: Khi lệnh đun nước nóng bị hủy - khi kết thúc chu trình đun nước đun (mở mạch RT) hoặc nguồn cấp nước nóng (nhiệt độ nước trong bình chứa đã đạt đến giá trị cài đặt). Khi kích hoạt "bộ giới hạn nhiệt độ có thể lập trình", tức là trong trường hợp vượt quá nhiệt độ cài đặt 5 C. Chức năng này được kích hoạt trong trường hợp thiết bị ở chế độ chờ (tức là không có lệnh). Chức năng bắt đầu khi máy dò được kích hoạt. Nếu thiết bị hoạt động với một jumper và cảm biến nhiệt độ bên ngoài mà không làm nóng nguồn cấp nước nóng, thì có thể bỏ qua sự cố tương tự với rơ le cho đến khi nhiệt độ của nước trong hệ thống được tính bằng bộ điều chỉnh bằng nhiệt vượt quá 5 C. độ dính của rơ le không phụ thuộc vào chế độ vận hành. Nó được liên kết với trạng thái hiện tại của chức năng sưởi ấm. Trong khi cái sau bị ngắt kết nối và trạng thái rơle được kiểm tra. Thiết bị ở trạng thái tương tự bất cứ khi nào các bộ phận làm nóng ngừng hoạt động, tức làsau khi hủy các lệnh đun nước nóng và chuẩn bị cấp nước nóng, kích hoạt hệ thống bảo vệ chống đóng băng - đun nóng. Khi bộ giới hạn nhiệt độ lập trình được kích hoạt - điểm đặt + 5 C. Trong trường hợp kích hoạt máy dò (ví dụ, trong trường hợp vô tình đóng tiếp điểm rơle), chức năng này sẽ được kích hoạt. Ngoài ra, chức năng được kích hoạt trong các trường hợp sau: DHW - trường hợp 1 và 2 có thể xảy ra, ОВ - bộ điều nhiệt trong phòng - 1 và 2, ОВ - cầu dao và cảm biến nhiệt độ bên ngoài. Giảm áp suất nước trong hệ thống sưởi - Khi áp suất nước nóng trong hệ thống giảm xuống dưới 0,8 bar, thanh chỉ báo sẽ nhấp nháy. Lò hơi điện sẽ tiếp tục hoạt động, nhưng đồng thời cần phải tăng áp suất của nước lưu thông trong hệ thống sưởi ấm lên 1-2 bar bằng phương pháp bổ sung. Sau khi đạt đến mức yêu cầu của áp lực nước trong hệ thống sưởi ấm, nó sẽ tự động trở lại hoạt động bình thường. Nếu sự cố không thể được loại bỏ, bạn cần liên hệ với một chuyên gia. Mã lỗi cho nồi hơi Protherm Độ dốc và ý nghĩa của chúng Lỗi F00 - Mở mạch cảm biến NTC tại cửa xả khí. Sự cố được chỉ ra khi mạch cảm biến NTC được lắp trên thiết bị đầu cuối OB được mở. Thông báo sẽ tự động bị xóa sau khi kết nối lại cảm biến NTC. Mở mạch cảm biến NTC xảy ra khi điện áp tăng trên 4,75 V. Lỗi F10 - Ngắn mạch của cảm biến NTC tại đầu nối OB. Sự cố được chỉ ra trong trường hợp đoản mạch của cảm biến NTC được lắp trên thiết bị đầu cuối OB. Thông báo sẽ tự động bị xóa sau khi kết nối lại cảm biến NTC. Ngắn mạch của cảm biến NTC được phát hiện nếu điện áp trong mạch của nó dưới 0,45 V. Lỗi F13 - Ngắn mạch của cảm biến NTC của bình lưu trữ DHW bên ngoài. Sự cố được chỉ ra trên màn hình trong trường hợp đoản mạch trong cảm biến NTC của bình lưu trữ DHW bên ngoài. Thông báo sẽ tự động bị xóa sau khi kết nối lại cảm biến NTC. Ngắn mạch của cảm biến NTC được phát hiện nếu điện áp trong mạch của nó dưới 0,45 V. Lỗi F19 - Ngắn mạch của cảm biến nhiệt độ bên ngoài. Lỗi được chỉ ra khi cảm biến nhiệt độ bên ngoài bị đoản mạch. Thông báo sẽ tự động bị xóa sau khi kết nối lại cảm biến NTC. Ngắn mạch của cảm biến NTC được phát hiện nếu điện áp trong mạch của nó giảm xuống dưới 0,45 V. Lỗi không được chỉ ra nếu chức năng điều chỉnh bằng phẳng (E-) không hoạt động. Trong trường hợp này, thiết bị tiếp tục hoạt động ở chế độ sưởi ấm bình thường (không có điều chỉnh nhiệt độ đều). Lỗi F20 - Đơn vị quá nóng. Lỗi được chỉ ra trong trường hợp kích hoạt bộ điều nhiệt khẩn cấp do thiết bị quá nóng. Thông báo sẽ tự động bị xóa sau khi đặt lại bộ điều nhiệt khẩn cấp theo cách thủ công. Lỗi F22 - Mất nước - áp lực nước không đủ trong hệ thống sưởi. Sự cố được chỉ ra khi áp suất nước trong hệ thống sưởi giảm xuống dưới 0,6 bar. Thông báo sẽ tự động bị xóa sau khi áp suất nước nóng trong hệ thống tăng trên 0,6 bar - do thêm nước vào hệ thống sưởi. Thông báo lỗi sẽ không xuất hiện nếu cảm biến áp suất bị lỗi. Lỗi F41 - Rơle "dính". Thông báo này sẽ xuất hiện trong trường hợp nồi hơi cố gắng "tháo" rơ le không thành công 5 lần. Thông báo sẽ biến mất khi bạn bật và tắt lại. Sự hiện diện của sự cố với rơ le "dính" sau khi thiết bị được bật lại tiếp tục được báo hiệu bằng sự nhấp nháy của LED HDO. Thông báo sẽ biến mất sau khi cập nhật cài đặt gốc của thiết bị được lưu trữ trong EEPROM (mã d96). Lỗi F63 - Lỗi bộ nhớ EEPROM. Thông báo này sẽ xuất hiện trong trường hợp có sự cố với dữ liệu được lưu trữ trong bộ nhớ EEPROM hoặc lỗi trong giao tiếp EEPROM. Thông báo sẽ biến mất sau khi cập nhật cài đặt gốc của nồi hơi từ EEPROM (mã d96). Lỗi F73 - Ngắn mạch (tín hiệu - GND) hoặc hở mạch của cảm biến áp suất.Thông báo sẽ xuất hiện trong trường hợp ngắn mạch (tín hiệu - GND) hoặc hở mạch của cảm biến áp suất. Thông báo sẽ tự động bị xóa sau khi kết nối lại cảm biến áp suất vào vị trí thích hợp. Ngắn mạch hoặc ngắt mạch cảm biến được xác định nếu điện áp giảm xuống dưới 1 V. Lỗi F74 - Ngắn mạch (tín hiệu - +5 V) của cảm biến áp suất khí nén. Thông báo này sẽ xuất hiện trong trường hợp đoản mạch (tín hiệu - +5 V) hoặc hở mạch của cảm biến áp suất khí nén. Thông báo sẽ tự động bị xóa sau khi kết nối lại cảm biến áp suất vào vị trí thích hợp. Phát hiện đoản mạch của cảm biến với tín hiệu +5 V nếu điện áp tăng trên 4 V. Lỗi F85 - Nước đóng băng trong thiết bị. Thông báo này sẽ xuất hiện nếu nhiệt độ hiển thị của cảm biến NTC tại cửa xả khí giảm xuống dưới 3 C. Thông báo sẽ tự động bị xóa khi nhiệt độ nước hiển thị bởi cảm biến NTC tại cửa xả khí tăng trên 4C. Thông báo sẽ không xuất hiện nếu có sự cố của cảm biến NTC ở đầu ra. Lỗi F86 - Nước đóng băng trong bể chứa DHW. Thông báo này sẽ xuất hiện khi nhiệt độ nước được chỉ báo bởi cảm biến NTC trong bể chứa giảm xuống dưới 3 C. Thông báo này sẽ tự động bị xóa sau khi nhiệt độ nước được chỉ báo bởi cảm biến NTC trong bể chứa tăng trên 4 ° C. Thông báo sẽ không xuất hiện nếu cảm biến NTC của bể chứa bị lỗi hoặc chức năng làm nóng nước trong bể chứa bị vô hiệu hóa - giá trị của chức năng này được đặt thành o.
___________________________________________________________________________________________
___________________________________________________________________________________________
Sửa chữa nồi hơi khí AOGV Borino, ZhMZ, Siberia, Alpha Calor, Thermotechnik. Điều chỉnh gas tự động Eurosit 630. Thay thế cặp nhiệt điện và bảo trì đầu đốt đánh lửa.
Trục trặc và sửa chữa nồi hơi Baxi Model Luna, Luna 3 Comfort, Luna Duo Tec (F / Fi). Mạch kép, tăng áp. Khuyến nghị để loại bỏ lỗi và trục trặc. Cài đặt và điều chỉnh các chế độ hoạt động.
Lò hơi đốt nóng Bosch Model ZWC, ZSA, ZSC, ZWR, Gaz 5000, Gaz 3000 W ZW, WBN 6000. Treo tường, mạch kép. Sửa chữa, điều chỉnh và trục trặc. Các tùy chọn để thiết lập các chức năng và chế độ.
Khuyến nghị sửa chữa Navien Deluxe Coaxial, Deluxe Plus, GA. Lỗi và trục trặc. Làm việc với điều khiển từ xa Ksital. Kiểm soát hệ thống. Cài đặt công việc về nhiệt độ và áp suất.
Nồi hơi đặt sàn Buderus Sửa chữa các model Logano G124, G125, G215, G234, G334. Sự cố và trục trặc. Hoạt động với hệ thống điều khiển Logomatic và lò hơi gia nhiệt gián tiếp. Chế độ và chức năng.
Hoạt động của nồi hơi Vilant Kiểu Turbotec Atmotec pro / plus VU / VUW INT. Các thành phần và chức năng làm việc. Các chương trình điều chỉnh. Hệ thống gas. Cài đặt và lắp ráp. Bảo dưỡng và phòng ngừa.
Nồi hơi đặt sàn Protherm Repair của Bear các model KLOM, KLZ, TLO, PLO có công suất từ 20 đến 50 kw. Sự cố và trục trặc. Vận hành và bảo trì. Khuyến nghị để thiết lập các thông số vận hành.
Lemax - sửa chữa và lắp đặt Các mẫu nồi hơi tầng gas Premium, Leader, Patriot. Đặc điểm hoạt động. Các mô hình Prime, Wise. Điều chỉnh thiết bị tự động Eurosit, Minisit, Sit Nova. Nồi hơi nhiên liệu rắn Chuyển tiếp.
Đồng hồ treo tường của các mô hình Protherm Repair of the Panther, Cheetah, Jaguar, Lynx, Leopard. Sự cố và trục trặc. Hoạt động và dịch vụ. Khuyến nghị để điều chỉnh các chế độ hoạt động.
Beretta - sửa chữa và điều chỉnh Sửa chữa và vận hành nồi hơi Ciao, City, Novella, Exclusive. Mô hình tường và sàn. Trục trặc và mã lỗi. Các chức năng làm việc và cài đặt các chế độ dịch vụ. Bảo trì.
Nồi hơi Teplodar Kupper PRO Vận hành và điều chỉnh nồi hơi nhiên liệu rắn công suất 22, 28, 36 kW. Lắp đặt máy đốt viên tự động APG-25, 36, 42. Cài đặt các chế độ vận hành.
Sửa chữa nồi hơi Oasis Các mẫu nồi hơi treo tường ZRT, ZRN, BM. Trục trặc và mã lỗi. Những mẹo xử lí sự cố. Chế độ vận hành và cài đặt các thông số dịch vụ. Bảo trì.
Lò hơi gia nhiệt Alfatherm Mô tả về nồi hơi đứng trên sàn Beta và nồi hơi gas treo tường Sigma. Trục trặc và mã lỗi. Các câu hỏi sửa chữa và khắc phục sự cố. Công việc bảo trì cơ bản.
Wolf - trục trặc và sửa chữa Lò hơi Wolf được lắp đặt. Tôi nhận thấy rằng theo thời gian, áp suất trong đó giảm dần (khoảng 1 trong 2 ngày). Tôi đã kiểm tra tất cả các đường ống xem có rò rỉ nhưng không tìm thấy gì. Những gì khác để kiểm tra?
Junkers lò hơi gas Sau 7 năm vận hành, lò hơi gas Junkers ZW-23-KE gặp các sự cố sau. Khi DHW bắt đầu hoạt động, nó sẽ tắt hoặc ngừng hoạt động ...
Sửa chữa nồi hơi Neva Lux Neva Lux 8224 (Baltgaz), phát hiện ra sự cố sau: máy bơm sau tuần hoàn không tắt, bất kể nhiệt độ là bao nhiêu. Để chắc chắn rằng điều này là như vậy, anh ấy đã tăng nhiệt độ trong ...
Giá ↑
Giá của nồi hơi điện phụ thuộc vào mức công suất của chúng và thay đổi ở các cửa hàng bán lẻ khác nhau trong giới hạn sau:
- Skat 6 kW: 490-580 €.
- Skat 9 kW: 500-610 €.
- Skat 12 kW: 510-620 €.
- Skat 14 kW: 570-690 €.
- Skat 18 kW: 590-720 €.
- Skat 21 kW: 620-750 €.
- Skat 24 kW: 630-770 €.
- Skat 28 kW: 650-795 €.
Nồi hơi điện rẻ hơn đáng kể, bắt đầu từ 350 €. Để so sánh, một nồi hơi Kospel có công suất 8 kW, tương tự về thông số và chất lượng, có giá khoảng 550 €. Tuy nhiên, sau khi nghiên cứu các đặc điểm của nó, bạn có thể chú ý đến một thực tế, chẳng hạn như nó không có bình giãn nở. Sau này sẽ cần phải được mua riêng và lắp đặt, điều này làm tăng đáng kể chi phí.
Hướng dẫn vận hành ngắn gọn
Có năng lực thiết lập nồi hơi khí Protherm cung cấp điều kiện nhiệt độ tối ưu trong các phòng có mục đích và diện tích khác nhau. Ngoài ra, việc điều chỉnh tự động hóa các thiết bị đó góp phần làm tăng hiệu quả của đơn vị, đồng thời làm cho hoạt động của đơn vị trở nên đáng tin cậy và an toàn. Tự động hóa hiện đại giải quyết các vấn đề:
- đóng mở các phụ kiện trong hệ thống cung cấp khí đốt;
- quá trình khởi động thiết bị ở chế độ tự động;
- đã lắp đặt hoặc tắt khẩn cấp thiết bị lò hơi;
- điều chỉnh mức ngọn lửa trong đầu đốt bằng cảm biến nhiệt độ;
- hiển thị các chỉ số nhiệt độ không khí, mức gia nhiệt của tác nhân sưởi và các thông số khác trên màn hình.
Hướng dẫn lắp đặt nồi hơi:
- kết nối bộ điều nhiệt với một cảm biến nhiệt độ được đặt cố định trong phòng và đặt các giá trị cần thiết cho phép bạn có được một chế độ nhiệt độ thoải mái để sưởi ấm;
- việc lắp đặt van hằng nhiệt trên các đường ống cấp trước các bộ tản nhiệt giúp thay đổi diện tích mặt cắt và dễ dàng thực hiện quá trình điều chỉnh nhiệt độ của chất mang nhiệt;
- lần khởi động đầu tiên của hệ thống ở nhiệt độ giới hạn cho phép chất làm mát đã sử dụng tự do đi vào thùng, góp phần làm đầy tối đa chất làm mát;
- Việc nâng cao hiệu quả được tạo điều kiện thuận lợi bằng cách loại bỏ cặn và muội than kịp thời, cũng như kiểm soát việc thiếu không khí trong hệ thống và lắp đặt bộ hạn chế gió lùa;
- Việc điều chỉnh các chỉ số áp suất được thực hiện bằng cách sử dụng bộ điều chỉnh van đặc biệt, và để tăng áp suất, một máy bơm tuần hoàn được lắp đặt;
- Việc giảm công suất đầu đốt lò hơi được thực hiện tự động thông qua menu dịch vụ và việc kiểm soát tăng công suất được thực hiện bằng cách lắp đặt thêm bộ tản nhiệt hoặc thay thế bộ tản nhiệt hiện có bằng các mẫu mạnh nhất;
- nhiều đơn vị được đặc trưng bởi hiệu suất đầy đủ ở áp suất 1,5 atm, và thông thường giá trị này là 0,3 atm. thấp hơn các chỉ số trong hệ thống sưởi ấm;
- sự giảm nhẹ mức áp suất trong thiết bị được khôi phục trong quá trình khởi động lại tiêu chuẩn;
- tự động lựa chọn chế độ hoạt động của nồi hơi giúp duy trì mức nhiệt độ mong muốn ngay cả khi không có người tiêu dùng trong phòng trong thời gian dài.
Quá trình bật lò hơi lần đầu tiên đi kèm với hoạt động ngắn và đầy năng lượng sau khi thiết bị được kết nối hoàn toàn với hệ thống sưởi, do đó dễ dàng kiểm tra tính đúng đắn của việc lắp đặt thiết bị lò hơi và sự đầy đủ. hoạt động của hệ thống sưởi.






















