Su ısı yalıtımlı zemin nedir
Su yerden ısıtma, 55 ° C'den yüksek olmayan normlara göre, soğutucunun 35-45 ° C'lik bir sıcaklıkla beslendiği, düşük sıcaklıkta bir ısıtma sistemidir. Ek olarak, yerden ısıtma, ayrı bir sirkülasyon pompası gerektiren ayrı bir sirkülasyon devresidir.
Yerden ısıtmanın zemin yüzeyinin sıcaklığı üzerinde sınırlamaları vardır - 26-31oC. Besleme dağıtımı ve ılık su tabanının dönüşü arasındaki maksimum sıcaklık farkına 10оС'den fazla olmamasına izin verilir. Soğutucunun maksimum akış hızı 0,6 m / s'dir.
Karıştırma ünitesi kurulumu
Yerden ısıtma karıştırma ünitesinin montajı çok zor değildir. Bunu yapmak için birkaç bağlantı şemasından birini kullanabilirsiniz. Tüm montaj detayları için bu videoya bakın:
yer

Kollektörü en uygun şekilde ısıtma kazanı ile yerden ısıtma arasına monte edin
Sistemi evinizde herhangi bir yere, örneğin kazan ile yerden ısıtma sistemi arasında herhangi bir yere kurabilirsiniz. Karıştırma ünitesinin bağlantı noktaları aşağıdaki yerlere yerleştirilebilir:
- Doğrudan su tabanı sistemi ile donatılmış bir odada.
- Kazan dairesinde, bunun için uygun herhangi bir noktada.
- Özel bir dolapta, bir manifold yardımıyla birkaç odada ısıtma devreleri kontrol ediliyorsa.
İlgili makale: Paslanmaz çelik tuvalet
Toplayıcıyı kurmanın özellikleri


Tüm elektrikli aletleri topraklamayı unutmayın.
Sistemin doğru ve güvenli çalışması için, kurulumu sırasında bir takım nüanslara uyulmalıdır:
- her zaman ısıtma devresinin girişine termostatlı bir su karıştırma vanası takılır;
- üniteyi oluşturan tüm elektrikli cihazlar topraklanmalıdır;
- Elektrikli cihazların üzerine nem girme olasılığı çalışma sırasında engellenmelidir.
Montajı yapılan katkı manifoldu, seçtiğiniz tesisat şemasına göre besleme ve dönüş borularına bağlanmalıdır. Sıhhi tesisatta iyi değilseniz veya karıştırma ünitesini bireysel parçalardan kişisel olarak monte etme fırsatınız yoksa, çeşitli konfigürasyonlarda hazır bir ünite satın alabilirsiniz. Bu durumda, onu ısıtma sistemine bağlamanız yeterlidir. Otomatik bir termostat kurma hakkında daha fazla bilgi için şu videoya bakın:
Evinizi bir soğutma sıvısı ayar ünitesi ile donattıktan sonra, onu güç kaynağına bağlamalı ve cihazları yapılandırmalısınız.
Kontrol cihazlarının kurulması


Isıtma sisteminin bileşenleri
Karıştırma ünitesi birkaç aşamada kurulur.
- Termostatı, vanaların ayarını etkilememesi için servo sürücülerle kaldırıyoruz.
- Sistem kurulumu sırasında çalışmaması için baypas valfini maksimum işarete ayarladık.
- Dengeleme vanasını ayarlıyoruz. Kazan çıkışındaki sıcaklık göstergelerini 95 ºº, su yerden ısıtma borularındaki maksimum sıcaklığı 45 ° C girişte ve 35 ºº çıkışta aşağıdaki formülü kullanarak hesapladıktan sonra esas alarak, 4 katsayısını elde edin. Balans vanamıza takılır ...
- Bir sonraki adım, sirkülasyon pompasının basıncını ayarlamaktır. Pompa gücünü minimuma indirip sistemdeki basınç istenilen değere ulaşıncaya kadar kademeli olarak arttırıyoruz.
- Son adım, baypas valfini ayarlamaktır. Bypass vanasındaki maksimum çalışma basıncından% 10 daha yüksek bir değer belirledik.
Karıştırma ünitesi birkaç ısıtma devresinin çalışmasını sağlıyorsa, içlerindeki basınç, her devrenin girişine takılan ilgili kapatma vanaları ayarlanarak dengelenmelidir.
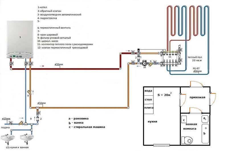
Şema 1. Yerden ısıtmanın doğrudan kazandan bağlanması


Su ısıtmalı zemin için bu bağlantı şeması, bir ısı üreticisine ve pompalı güvenlik tertibatlarına sahiptir. Doğrudan kazandan gelen ısı taşıyıcı, yerden ısıtma dağıtım manifolduna girer ve daha sonra döngüler halinde ayrılır ve kazana geri döner. Kazan, yerden ısıtma sıcaklığına ayarlanmalıdır.
Bu durumda iki nüans ortaya çıkar:
- Tesisatta yoğuşmalı bir kazan kullanılması tavsiye edilir, çünkü düşük sıcaklık modu onun için en uygunudur. Bu modda, yoğuşmalı kazan maksimum verime sahiptir. Geleneksel bir kazanda, düşük sıcaklık modunda çalışırken, ısı eşanjörü çok hızlı arızalanacaktır. Kazan katı yakıt ise, bu kazanın sıcaklık kontrolü zor olduğundan, sıcaklığı düzeltmek için bir tampon tankına ihtiyaç vardır.
- Yerden ısıtma için iyi bir seçenek, bir ısı pompasına bağlı olduğu zamandır.
Salyangoz ile sıcak bir zemin döşemenin özellikleri
Isıtma için tek seçenek sıcak bir zeminse, oda geleneksel olarak 2 bölgeye ayrılır: kenar ve ana.
Marjinal bölge, toplam ısı kaybının daha fazla olduğu sokak duvarları, pencere açıklıkları boyunca yer almaktadır. Bir soğuk duvarın varlığında, kenar bölgesi dikdörtgen bir şekle sahiptir ve bir tarafı odanın derinliklerinde - 1 m.İki cadde duvarının kenetlendiği köşe odasında, kenar bölgesi L şeklinde yapılmıştır.
Kenar bölgesinde borular daha küçük bir adımla döşenir, yaklaşık 10 cm'dir.
Ana bölgede ise döşeme aşaması genellikle 20 cm'dir.Geniş bir odada kenar ve ana bölgeler iki boru halkası ile oluşturulur. Küçük bir alan ile bir döngü kullanılır.


Farklı alanlara farklı şekillerde döşenir. Bir döngüyü iki farklı bölgeye ustaca yerleştirmek belli bir beceri ve deneyim gerektirir. Ayrıca, ana ilkeye uyulmalıdır: döşeme adımı ne kadar küçükse, ısı akışı o kadar büyük olur.
Şema 2. Üç yollu bir vanadan yerden ısıtmanın montajı


3 yollu termostatik vana devresi
Çoğu durumda, böyle bir kurulum şeması ve suyla ısıtılan bir zeminin bağlanması ile kombine bir ısıtma sistemimiz var, 70-80 ° C sıcaklığa sahip ısıtma radyatörleri ve 40 ° C sıcaklıkta bir yerden ısıtma devresi var. . Soru, bu seksenden kırkının nasıl çıkarılacağıdır.
Bunun için üç yollu bir termostatik vana kullanılır. Vana, kaynağa monte edilir, bundan sonra mutlaka bir sirkülasyon pompası monte edilir. Isıtılmış zeminin dönüş akışından, soğutulan soğutucu, kazan devresinden elde edilen ve daha sonra üç yollu bir vana yardımıyla çalışma sıcaklığına düşürülen soğutucu ile karıştırılır.
Sıcak bir zemin için böyle bir bağlantı şemasının dezavantajı, soğutulmuş soğutucunun karışımının sıcak olanla orantılılığının ölçülmesinin imkansızlığıdır ve aşırı soğutulmuş veya aşırı ısınmış bir soğutucu sıcak zemine girebilir. Bu, sistemin konforunu ve verimliliğini azaltır.
Bu şemanın avantajı, kurulum kolaylığı ve düşük ekipman maliyetidir.
Bu şema, küçük alanları ısıtmak için ve konfor ve verimlilik için yüksek müşteri gereksinimlerinin olmadığı, paradan tasarruf etme arzusunun olduğu yerlerde daha uygundur.
Gerçek hayatta, tek bir boruya bağlı radyatörlerin çalışmasındaki dengesizlik nedeniyle devre son derece nadirdir. Üç yollu vana hafifçe açıldığında ısıtma devresi beslenir ve pompa basıncı ana hatta aktarılır.
Uygulama örneği:
Bir ünite ve bir manifold kullanmadan ısıtmalı zemin sistemi kurma seçenekleri
Manifold kullanmadan ısıtılmış zeminlere su ısıtma sisteminin montajı için aşağıdaki malzemeler ve cihazlar gereklidir:
- devre için borular;
- Kazan;
- boru hattı için aksesuarlar;
- üç yollu termostatik vana.


Merkezi bir ısıtma sisteminden yerden ısıtma için döşeme şeması
Bazı ustalar, ısıtma sistemini merkezi ısıtmaya bağlayarak donatmak için en kolay kurulum yöntemini kullanmaya çalışır. Bu karar daha sonra boru hattı arızaları ile tehdit eder, çünkü bataryaların soğutucu sıvısının sıcaklığı zemin için gerekenden önemli ölçüde daha yüksektir. Ve denetleyici kuruluşlar, ilgili makamların izni olmadan bu "kendi kendine yapılan cihazın" varlığını fark ederse, mal sahibine önemli bir para cezası verilecek ve suyla ısıtılan zemin sistemini sökmesi istenecektir.


Boru konturunun döşenmesi
Boru hattı devresini döşemek için birkaç yöntem kullanılır, en kabul edilebilir olanı bir salyangoz ve bir yılandır. Bu devreler, su tabanının iki paralel döngüsünden oluşur (besleme ve dönüş). "Yılan" ın avantajı, ısıtma bölgelerinin dağılımıdır, örneğin, sıhhi tesisatı atlayabilirsiniz. "Salyangoz" un avantajı, alanın eşit şekilde ısıtılmasıdır. Montajdan sonra borular, bağlantı şemasına göre kazana bağlanır.
Suyun kazanın altındaki borulardan hareketini hızlandırmak için, beslemeye otomatik veya manuel olarak kontrol edilen bir pompa monte edilir. Karıştırma ünitesinin olmadığı bir sistemde, üç yollu bir termostatik vana, boru hattı ile kazan arasındaki devreyi kapatır.
Dikkat! Sıcak zeminin pompasız çalışması için, gaz veya elektrik olsun, güçlü bir kazan seçilmesi önerilir. Önemli olan, gücünün sıcak bir zemin kaplaması için yeterli olmasıdır. Yerleşik pompalı bir kazan seçmeye değer.
Şema 3. Pompa ve karıştırma ünitesinden sıcak zeminin kablolanması


karıştırma modülü
Bu, bir radyatör ısıtma bölgesi, bir sıcak zemin ve bir pompa ve karıştırma ünitesinin kullanıldığı, su ısıtmalı bir zemin için karışık bir bağlantı şemasıdır. Soğutulan soğutucu, ısıtılmış zeminin dönüş hattından kazana karıştırılır.
Tüm karıştırma ünitelerinde, sıcakken soğutulmuş soğutma sıvısı miktarını ölçebileceğiniz bir dengeleme vanası bulunur. Bu, üniteden çıkışta soğutucu için iyi tanımlanmış bir sıcaklık elde etmenizi sağlar, yani. Yerden ısıtma döngülerinin girişinde. Bu, tüketici konforunu ve bir bütün olarak sistemin verimliliğini önemli ölçüde artırır.
Ünitenin modeline bağlı olarak, başka yararlı unsurlar içerebilir: bir baypas valfli bir baypas, birincil kazan devresinde bir dengeleme valfi veya sirkülasyon pompasının her iki tarafında küresel valfler.
Bileşen parçalar
Isı yalıtımlı bir zemin için pompa karıştırma ünitesi, gerektiğinde soğuk sıvının ısıtma sistemine karıştırılmasına izin veren birkaç parçadan oluşur.
Sirkülasyon pompası


Sirkülasyon pompası
Sistemde basınç oluşturmak ve soğutucuyu borularda hareket ettirmek için tasarlanmıştır. Ayrıca bir pompa yardımı ile kollektör içerisindeki soğuk ve sıcak ısı taşıyıcıların zorla karıştırılması gerçekleştirilir.
Kollektör bloğu
Manifold sisteminin ana parçası, gerekli tüm cihazlar için tek bir blokta monte edilmiş musluklar dahil. Her blok belirli sayıda ısıtma devresi için tasarlanmıştır - 2 veya daha fazla.
Bir sıhhi tesisat mağazasında, kuruluma hazır bir cihaz satın alabilir veya kendiniz yapabilirsiniz. Bunun için bir tarafı boğuk olan bir nargile parçası alınır. Daha sonra, boruya her bir ısıtma devresi için iki tane olmak üzere birkaç kıvrım kaynaklanır.


Sirkülasyon pompasının çalışma prensibi
Ancak, uygulamanın gösterdiği gibi, bir mağazada bir koleksiyon bloğu satın almak, kendiniz yapmaya çalışmaktan çok daha kolaydır.
Termostat


Termostatın iki veya üç yollu bir valfı vardır
İlgili makale: Mutfağa TV yerleştirme seçenekleri
Termostat, ısıtma elemanlarındaki sıcaklık ayarlanan sınırın altına düştüğünde kollektöre sıcak su sağlamaya yarar. Termostat valfi 2 yollu veya 3 yollu olabilir.
2 yollu vana, dönüş devresinden yerden ısıtma devresine sıvı sağlar ve gerekirse soğutucunun çalışma sıcaklığını yükseltir ve besleme devresinden ona sıcak su ekler. Böyle bir vana küçük bir akış kapasitesine sahiptir, bu nedenle su tabanının borularındaki suyun sıcaklığı kademeli olarak değişir.
3 yollu vana aynı anda bir karıştırıcı ve baypas işlevleriyle birleşir. Bu nedenle, takarken ek bir basınç dengeleme vanası kullanmaya gerek yoktur. Genellikle, böyle bir valf, termostatları ve kontrolörleri kontrol etmek için servo sürücülere sahiptir. Ayrıca 3 yollu vana, hava durumuna bağlı sensörlerle birlikte çalışabilir - soğuk bir ani hareket durumunda vana, besleme devresine su beslemesini otomatik olarak artırır. Karıştırıcı olmadan ısıtma sıcaklığını nasıl ayarlayabileceğiniz hakkında bilgi için bu videoya bakın:
Özel bir evde 2 yollu bir vana kullanılması tavsiye edilir. Toplam alanı 200 m2'ye kadar olan bir ev için karıştırıcı manifold devresinin normal çalışmasını sağlayabilir. m Aynı zamanda, maliyeti 3 yollu bir vanadan önemli ölçüde daha düşüktür.
Balans vanası


Balans vanası cihazı
Dengeleme vanası, yerden ısıtma karışım manifoldunda aşırı basınç olması durumunda, fazla soğutucuyu besleme devresinden tersine boşaltmak için tasarlanmıştır.
Listelenen ayrıntılara ek olarak, yerden ısıtma karıştırma ünitesi şeması filtreler, bir termometre, bir basınç göstergesi, hava tahliye vanaları ve diğer ek izleme ve kontrol cihazlarını içerebilir.
Şema 4. Yerden ısıtmanın bir radyatörden bağlanması


Bunlar, 15-20 m2'lik bir alan için bir yerden ısıtma devresini bağlamak için tasarlanmış özel kitlerdir. Üreticiye ve yapılandırmaya bağlı olarak, içinde soğutucu, oda sıcaklığı sınırlayıcıları ve bir hava deliği için sıcaklık sınırlayıcıları bulunan plastik bir kutu gibi görünürler.


Isı taşıyıcı, bağlı su yerden ısıtma döngüsüne doğrudan yüksek sıcaklık devresinden girer, yani. 70-80 ° C sıcaklıkta, döngüde önceden belirlenmiş bir değere soğur ve yeni bir parti sıcak soğutma sıvısı girer. Burada ek bir pompaya gerek yoktur, kazan onu idare etmelidir.
Dezavantaj düşük konfordur. Aşırı ısınma bölgeleri mevcut olacaktır.
Su ısıtmalı zemin için bu bağlantı şemasının avantajı kolay kurulumdur. Benzer kitler, küçük bir ısıtmalı zemin alanı olduğunda, sakinlerin seyrek kaldığı küçük bir oda olduğunda kullanılır. Yatak odalarında kullanılması tavsiye edilmez. Banyoları, koridorları, sundurmaları vb.Isıtmak için uygundur.
Bir tabloda özetleyip özetleyelim:
| Bağlantı türü | Konfor | Verimlilik | Kurulum ve kurulum | Güvenilirlik | Fiyat |
| Geleneksel gaz, TT veya dizel | ± | ± | + | ± | + |
| Yoğuşmalı kazan veya ısı pompası | + | + | + | ± | — |
| Üç yollu termostatik vana | ± | ± | + | + | ± |
| Pompa karıştırma ünitesi | + | + | ± | + | — |
| Termal montaj kiti | — | ± | + | + | + |
Tesisatçılar ve ısı ve gaz tedariki uzmanları, suyla ısıtılan bir zemini çalışan ısıtma dallarına bağlamak için planlardan kaçınılmasını önermektedir. Yerden ısıtmanın ısıtma devrelerinin doğrudan kazana beslenmesi, özellikle yaz aylarında yerden ısıtmanın pillerden bağımsız olarak çalışabilmesi için daha iyidir.
Yerden ısıtmanın sıcaklık kontrolü farklı şekillerde gerçekleştirilir:
Üç yollu bir karıştırıcı ve bir otomasyon kiti ile. En basit olanı, servo sürücü ile donatılmış üç yollu bir valfe sahip devredir. Kazandan gelen daha sıcak olana daha soğuk bir ısı taşıyıcıdan gerekli hacim ilave edilerek sistemde gerekli sıcaklık sağlanır.
Isıtma ortamının üç yollu bir vana ile karıştırılması
Düzenleme, kural olarak otomatik olarak yapılır. Örneğin güneş ışığı nedeniyle oda sıcaklığındaki artış veya insan sayısındaki artış, havanın kısa sürede zemin kadar sıcak olacağı anlamına gelir. Bu eşitlik noktasına ulaşılır ulaşılmaz, elektronik sistem üç yollu karıştırıcıya soğuk su karışımının artırılması için bir komut verir.
Pompa-karıştırma grupları aracılığıyla düzenleme Hızlı kurulumun pompa karıştırma gruplarının (örneğin, OVENTROP, MEIBES, Hydrologo, vb.) Ortaya çıkması nedeniyle yaygınlaştı ve bu, birkaç ısıtma devresine sahip bir sistemi hızlı bir şekilde monte etmenize olanak tanır. Bununla birlikte, bu tür modüller esas olarak, oda sıcaklığına veya zemin yüzeyinin sıcaklığına bakılmaksızın ısıtma ortamının akış sıcaklığını düzenlemek için kullanılır. Bu durumda, yerden ısıtma manifoldunda servo sürücülü oda termostatlarının kullanılması önerilir. Avantajlar: Kurulumu son derece kolaydır ve insan hatası riskini önemli ölçüde azaltır. fabrikada çalışabilirlik için monte edilmiş ve test edilmiştir.
Kazan otomasyonu ile düzenleme Önde gelen kazan ekipmanı üreticilerinin çoğu, aynı anda birkaç ısıtma devresinde farklı sıcaklıkları korumanıza izin veren modern mikroişlemci kontrol panelleri sunar. Bu düzenleme ilkesine sahip sistemler meteorolojik veya hava durumuna bağlı olarak adlandırılır. Dış sıcaklığı izlemek için bu sistemler, kuzey tarafındaki binanın dışına monte edilmiş bir dış mekan sensörü kullanır. Bazı sistemlerde, sistemin belirli kullanıcı gereksinimlerine göre tamamlanmasına, ek devrelerin bağlanmasına ve kontrol panelini bir bütün olarak değiştirmeden uygun modülün takılarak işleyişinin kontrol edilmesine imkan veren modülerlik ilkesi ortaya konmuştur, önemli ölçüde maliyet tasarrufu sağlayan
Radyant ısıtma tasarımının temelleri
Radyant ısıtma sisteminin hesaplanmasının amacı: • yerden ısıtma sisteminden odalara ısı girdisini belirlemek; • belirli bir döşeme tipi ve belirli bir zemin yüzeyi sıcaklığı için boru hatlarının döşenmesi adımının seçimi; • sistemin hidrolik özelliklerinin ve manifoldlar üzerindeki kontrol vanalarının ön ayarlarının değerlerinin belirlenmesi (dengeleme); • bir sirkülasyon pompası seçimi.
Su ısıtmalı zemin için döşeme şemaları


Yerden ısıtma için boru döşeme yolları
Suyla ısıtılan bir zemin döşemenin üç ana yolu vardır: yılan, spiral (salyangoz) ve bu seçeneklerin bir kombinasyonu. Çoğu zaman, bir salyangoz ile sıcak bir zemin monte edilir, bazı yerlerde bir yılan kullanılır.
Kurulum şeması "Salyangoz"
Sıcak bir salyangoz döşemek, ısının odaya daha eşit bir şekilde dağılmasını sağlar. Bu kablolama ile boru, merkeze bir daire içinde, daha sonra ters yönde bir daire içine monte edilir.
Salyangozlu sıcak bir zemin döşerken, boruyu ters yönde döşemek için bir girinti koymanız gerekir.
Yılanla yerden ısıtmanın döşenmesi
Bu kurulumla, yerden ısıtma borusu tek yönde monte edilir ve devre düzeninin sonunda basitçe kollektör dönüşüne geri döner. Böyle bir cihazla, devrenin başlangıcında, soğutma suyu sıcaklığı daha sıcak, sonunda daha soğuktur. Bu nedenle yılan düzeni nadiren kullanılır.
Uygulama özellikleri


Yerden ısıtma öncelikle alt yüzeyi ve kişiyi ısıtır.
Duvar radyatörlerinden farklı olarak sıcak zeminler, düşük sıcaklıklı ısıtma sistemlerine aittir.Önerilen sıcaklık rejimi 30-35 ° C'de aşılırsa, odadaki insanlar bariz bir rahatsızlık hissedeceklerdir. Her şey, bu iki ısıtma yöntemini kullanırken, oda ısıtma şemalarındaki farkla ilgilidir.
Duvara monte radyatörler, her şeyden önce odanın üst yarısını ısıtır. Bu nedenle bu durumda zemindeki sıcaklık tavandaki hava sıcaklığından birkaç kat farklı olabilir.


Yerden ısıtma için boru döşeme yolları
Yerden ısıtma kullanılırken odanın ısıtma şeması tamamen zıttır - bu durumda en büyük ısıtma bölgesi, insanların genellikle bulunduğu odanın alt kısmında bulunur. Bu nedenle, soğutucunun önerilen sıcaklığının aşılması, evin sakinleri için somut bir rahatsızlığa neden olur.
İlgili makale: Kendi elinizle tavan lambası nasıl yapılır
Ek olarak, ısıtma devresinin artan sıcaklığı, bitmiş zemin kaplamasını deforme edebilir veya soyabilir. Bunu önlemek için, yerden ısıtma karıştırma ünitesi amaçlanmıştır. Karıştırma ünitesi olmayan sıcak bir zeminin ayarlanması tamamen imkansız olacaktır.
Termostat üzerinde maksimum sıcaklığı ayarlarken, zemin kaplamasının yapısını dikkate alın. Odadaki zeminler laminat, parke veya halı ile kaplanmışsa, bu ısı dağılımını önemli ölçüde azaltabilir. Bu durumda, maksimum sıcaklık eşiğinin 40 - 55 ºº'ye yükseltilmesi gerekecektir.
Yerden ısıtma hesabı
Geliştirilen şemaya göre sıcak bir zemin bağlamadan önce bir ön hesaplama yapmak gerekir. Aşağıdaki adımlarda kabaca bir hesaplama yapabilirsiniz:
- Manifoldun yerini belirleyin. Çoğu zaman zeminin ortasına monte edilir.
- Yerden ısıtma borularının düzenini şematik olarak tasvir etmeye çalışın, aşağıdaki bilgileri göz önünde bulundurun: 15 cm'lik bir adımda, bir metrekare boru için 6,5 metre boru harcanır, borunun uzunluğu 100 metreyi geçmemelidir, konturlar hepsi yaklaşık olarak aynı.
- Tüm konturların görüntülerine karar veririz ve genel olarak kuruluma devam edebiliriz.
Ayrıca binanın ısıl hesaplamalarını yapmayı da unutmayın. İnternette birçok hazır hesap makinesi var. Odadaki ısı kaybı metrekare başına 100 W'ı geçmezse, sıcak bir zemin ek ısıtma cihazları gerektirmeyecektir.
İki yollu vana
İki yollu bir vana (diğer adıyla seyahat vanası), sıcak su beslemesini bağımsız olarak kapatan mekanik bir cihazdır. Mekanizma, geniş yaşam alanlarına kurulum için önerilir.


Yerden ısıtma için iki yollu vananın çalışma prensibi
Sıcak su kesme işlevi, sıvı sensörlü bir termal kafa ile gerçekleştirilir. Düzenleme nasıl gerçekleşir? Isıtma sisteminden tam bir daire geçen su, iki yollu vanaya girer - sensör sıcaklığını analiz eder ve gerekirse sıcak sıvı ekler.
İki yollu bir vana üzerinde yerden ısıtma için karıştırma ünitesi, boru hattının hizmet ömrünü önemli ölçüde artırır ve ısıtma için enerji maliyetlerinden tasarruf sağlar. Düzgün ayar ve küçük akış kapasitesi - bu, iki yollu vanayı ayıran ikinci parametre grubudur. Ana dezavantaj: ısıtılmış alan 200 m²'yi geçmemelidir.
Modern ısıtmada, yerden ısıtma için üç yollu bir ünite kullanılır. Bunları satın alabilir veya kendiniz monte edebilirsiniz. İkinci seçeneğin çok az finansal maliyete mal olduğunu, ancak zaman gerektirdiğini ve tüm yapının işleyişini iyi anlamak gerektiğini unutmayın.
Üç yollu vanaların tümü sıcaklık derecelidir. Üç yollu vana türleri:


Üç yollu termostatik karışım vanasının şeması
- Düşük kapasiteli modeller (yaklaşık 1–2 m³ / saat). Küçük bir alana sahip odalar için tasarlanmıştır: 10 ila 40-50 m².Uzmanlar, 100 veya daha fazla metrekare gibi büyük daireler için düşük performanslı modellerin kurulmasını önermiyor;
- Büyük daireler için vanalar yüksek performansa sahiptir (2 ila 4 m³ / saat). Manuel ayarlamaya ek olarak, cihazlar servo kontrollü olabilir. 100 m²'den fazla alana sahip tesislere hizmet vermek için tasarlanmıştır. Büyük dairelere, yemek yerlerine, süpermarketlere veya restoranlara kurulurlar.
Yerden ısıtma tesisatı
Su tabanının yerleşimi ve bağlantısına karar verirken, kurulumu başlatmanız gerekir.
- Sıcak zeminin tabanını hazırlayın. Minimum yükseklik farkı ile düz olmalıdır.
- Su yalıtımını yerel yönetmeliklerin gerektirdiği şekilde kurun
- Birinci kata 10 cm, sonraki kata 5 cm polistiren döşeyin.
- Polietileni, yalıtımla daha az şap temas edecek şekilde döşeyin
- Bağlama yönteminiz bir takviye ağıysa, polietilen üzerine yerleştirin.
- Yerden ısıtma borusunu onaylanan şemaya göre döşeyin
- Sisteme basınç uygulayın
- Şapın doldurulması
Yerden ısıtmanın radyatörlerle karşılaştırılması
Sıcak zemin ve radyatörlerde ısı dağılımı
Zaten tanıdık radyatör ısıtma sistemini sıcak bir zeminle karşılaştırırsak, o zaman ilk durumda, sıcak hava akışları önce ısıtıldığında yukarı doğru koşar ve sonra sadece aşağı iner. Bu nedenle, radyatörlerde sıklıkla soğuk bir zemin hissediyoruz.
Kurulu yerden ısıtma farklı bir prensipte çalışır. Yerden ısıtma boruları önce şapı ısıtır, ardından şap ısıyı aşağıdan yukarıya eşit olarak yayar. Daha yüksek, daha az yoğun ısıtma.
Bu nedenle ısı dağılımı açısından sıcak zeminler çok daha avantajlı görünmektedir. Ekonomi söz konusu olduğunda, her iki sistem de artı veya eksi aynıdır.
Çoğu zaman yerden ısıtmanın diğer sistemlerden daha ekonomik olduğunu belirtmekten hoşlanırlar.
Bu büyük bir yanılgıdır. Herhangi bir ısıtma sisteminin görevi, evdeki ısı kaybını telafi etmektir. Ve ısı kaybı her zaman değişmez.


Bu nedenle kaynaklar eşit olarak harcanmalıdır. Yerden ısıtma gerçekten çok daha ekonomik olabilir. Düşük sıcaklıklı sistemler için gelişmiş çözümler kullanıyorsanız.
Doğru 3 yollu vana nasıl seçilir
Herhangi bir üç yollu vananın anahtar parametresi verimdir, yani Cihazın birim zamanda kendi içinden geçebileceği su hacmi. Bir cihaz seçerken, bu parametre kazan performansı ile ilişkilendirilmelidir.


Burada bir nüans daha dikkate alınmalıdır. Vananın giriş ve çıkışlarının çapları boyut olarak uygun görünse bile, bu hiçbir şekilde cihazın gerçek kapasitesini göstermez. Bu parametre tamamen, tasarıma bağlı olarak bir bilyeli kilit veya bir ayar başlığı ile kapatılan deliklerin iç bölümü tarafından belirlenir.
Bazı modellerde bu deliğin boyutları giriş çapından 4 kat daha az olabilir. Yanılmamak ve pahalı bir üniteyi yeniden işleme ihtiyacıyla karşılaşmamak için, satın almadan önce beraberindeki belgeleri dikkatlice incelemelisiniz.
Cihazın bir diğer önemli parametresi kesittir. İdeal olarak, vana, ısıtma sistemi borularının boyutlarına tam olarak uymalıdır. Tam bir eşleşme elde edilemezse, ek adaptörler satın almanız gerekecektir.
Ek olarak, aşağıdaki nüanslara da dikkat etmelisiniz:
- Eşlik eden belgelerin mevcut olup olmadığını kontrol ettiğinizden emin olun: garanti kuponları, kurulum ve çalıştırma talimatları, sertifikalar ve lisanslar.
- Bir malzeme seçerken pirinç veya bronz tercih etmelisiniz. Sıcak sıvılarla en iyi şekilde birleştirilen ve aynı zamanda düşük bir termal genleşme seviyesine sahip olan bu metallerdir.Demir içermeyen metallerden yapılan ürünleri ağırlıklarına göre ayırt edebilirsiniz - bunlar, gerekli mukavemet seviyesine sahip olmayan preslenmiş toz malzemelerden yapılan ucuz "damgalama" dan çok daha ağırdır.
Belirli modellere gelince, piyasada uzun süredir kendilerini güvenilir üreticiler olarak kabul eden birkaç şirketin ürünlerini bulabilirsiniz:
- Esbe... Ürünleri güvenilirlik, iyi performans ve çekici görünüm ile öne çıkan bir İsveç şirketi. Garanti süresi en az 5 yıldır.
- Valtec... Uygun maliyeti ve iyi teknik özellikleri birleştiren termo-karışım vanaları üreten bir Rus-İtalyan ortak girişimi. Tüm cihaz yelpazesi 7 yıl garantilidir.
- Honeywell... Üretilen ürünlerin kurulum kolaylığına odaklanan bir Amerikalı üretici. Bu markanın üç yollu vanaları çarpıcı bir tasarıma, yüksek güvenilirliğe sahiptir, ancak daha az maliyetli değildir.
Aşağıdakileri öğrenmenizi öneririz: Dairesel hava kanalları için özellikler ve boru tipleri














