ที่บ้านตามความหมายมันควรจะอบอุ่น สามารถให้ได้หลายวิธี อย่างไรก็ตามเจ้าของที่กระตือรือร้นพยายามที่จะทำสิ่งนี้อย่างมีประสิทธิภาพและประหยัดที่สุด ตัวเลือกเหล่านี้รวมถึงการติดตั้งหม้อต้มก๊าซแบบติดผนัง และนี่เป็นสิ่งที่สมเหตุสมผลเนื่องจากการทำความร้อนด้วยแก๊สนั้นทำกำไรได้มากและอุปกรณ์นั้นค่อนข้างง่ายในการใช้งานและติดตั้ง
หากคุณเริ่มคิดที่จะซื้อหม้อต้มน้ำร้อนแบบติดผนังอย่าลืมอ่านเนื้อหาของเรา ในนั้นเราจะพยายามบอกให้มากที่สุดเกี่ยวกับหลักการทำงานของอุปกรณ์ดังกล่าวและประเภทของอุปกรณ์ผนัง และเราจะพิจารณาความแตกต่างทั้งหมดของการเชื่อมต่อระบบดังกล่าว
หลักการทำงานของหม้อต้มก๊าซแบบติดผนัง
การติดตั้งและการเชื่อมต่อเครื่องทำความร้อนขึ้นอยู่กับประเภท ดังนั้นคุณต้องเข้าใจอย่างถ่องแท้ถึงวิธีการทำงานของอุปกรณ์และความหลากหลายของอุปกรณ์ที่คุณต้องจัดการ
หม้อต้มก๊าซแบบติดผนังใด ๆ เป็นอุปกรณ์ขนาดกะทัดรัดกำลังสูงสุด จำกัด ไว้ที่ 42 กิโลวัตต์
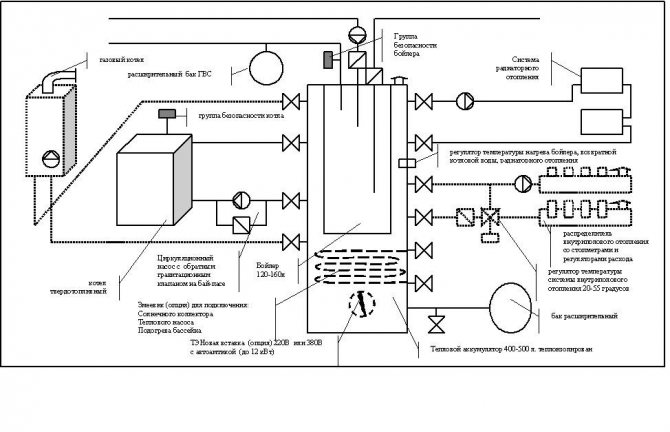
องค์ประกอบหลักของระบบประกอบด้วย:
- เตาแก๊ส... จ่ายก๊าซไปยังห้องที่เกิดกระบวนการเผาไหม้ หัวฉีดกระจายน้ำมันเชื้อเพลิงอย่างเท่าเทียมกันมากที่สุด เตาโมดูเลตสมัยใหม่สามารถรักษาอุณหภูมิที่ตั้งไว้และควบคุมความแรงของเปลวไฟได้
- เครื่องแลกเปลี่ยนความร้อนตามที่สารหล่อเย็นเคลื่อนที่ ประสิทธิภาพที่ดีที่สุดสำหรับอุปกรณ์ทองแดง อาจมีสององค์ประกอบดังกล่าวในหม้อไอน้ำแบบกลั่นตัว
- การขยายตัวถัง... ออกแบบมาเพื่อชดเชยน้ำส่วนเกินที่เกิดจากความร้อน
- ปั๊มหมุนเวียน... โมเดลที่มีประสิทธิภาพสามารถมีสององค์ประกอบเหล่านี้
- ระบบอัตโนมัติของหม้อไอน้ำ หรือระบบอุปกรณ์ที่มีหน้าที่รักษาอุณหภูมิที่กำหนดในห้องอุ่น อาจรวมถึงเครื่องใช้ไฟฟ้าหรือเครื่องใช้ไฟฟ้าที่ไม่ระเหย
- การควบคุมและควบคุมอุปกรณ์ การทำงานของหม้อไอน้ำ
- พัดลม... ใช้ในรุ่นเทอร์โบชาร์จเท่านั้น
- ระบบรักษาความปลอดภัย... หยุดหม้อไอน้ำในกรณีที่เกิดสถานการณ์อันตราย
โมเดลสมัยใหม่ได้รับการติดตั้งระบบวินิจฉัยตัวเองเพิ่มเติมซึ่งสามารถระบุความผิดพลาดของหม้อไอน้ำได้ประมาณ 90% จอแสดงผลจะแสดงหมายเลขของการวินิจฉัยแยกส่วนซึ่งได้รับการแก้ไขทันทีโดยผู้เชี่ยวชาญจากบริการ
อุปกรณ์ผนังที่หลากหลาย
ตามวัตถุประสงค์การใช้งานหน่วยทำความร้อนด้วยแก๊สแบ่งออกเป็นสองกลุ่ม:
- วงจรเดียว ออกแบบมาเพื่อให้ความร้อนเท่านั้น พวกเขาเชื่อมต่อกับวงจรความร้อนและให้ความร้อนกับสารหล่อเย็น ในกรณีนี้การจัดระบบน้ำร้อนจะดำเนินการโดยการติดตั้งเครื่องทำน้ำอุ่นไฟฟ้าหรือแก๊สทุกประเภท
- วงจรคู่ ให้ความร้อนในห้องและให้น้ำร้อน มีวงจรเพิ่มเติมสำหรับน้ำร้อนในหม้อไอน้ำ คุณสมบัติทางเทคโนโลยีของอุปกรณ์คือความเป็นไปไม่ได้ที่จะให้น้ำร้อนและทำความร้อนในห้องพร้อมกัน
การดำเนินการลำดับความสำคัญของหน่วยวงจรสองชั้นคือการให้ความร้อนแก่น้ำการดำเนินการทำความร้อนจะหยุดลงในเวลานี้ เมื่อพิจารณาว่าน้ำสามารถอุ่นได้อย่างรวดเร็วหม้อไอน้ำจึงให้ความร้อนแก่อาคารได้อย่างมีประสิทธิภาพ
ตามวิธีการเผาไหม้เชื้อเพลิงอุปกรณ์ทั้งหมดจะแบ่งออกเป็นสองกลุ่มต่อไปนี้
กลุ่ม # 1 - อุปกรณ์ที่มีห้องเผาไหม้แบบเปิด
อุปกรณ์ดังกล่าวเรียกอีกอย่างว่าเครื่องทำความร้อนแบบร่างธรรมชาติ พวกเขาใช้ออกซิเจนที่จำเป็นสำหรับการเผาไหม้จากห้องที่อุปกรณ์ตั้งอยู่
ในการกำจัดผลิตภัณฑ์จากการเผาไหม้จำเป็นต้องมีปล่องไฟแบบดั้งเดิม ดังนั้นข้อกำหนดเบื้องต้นสำหรับการติดตั้งหม้อไอน้ำดังกล่าวคือการจัดระบบระบายอากาศที่ดี
หากติดตั้งเครื่องทำความร้อนในที่อยู่อาศัยจะต้องติดตั้งการระบายอากาศบริสุทธิ์ที่มีประสิทธิภาพสูงที่นี่
ตัวเลือกที่ดีที่สุดสำหรับการติดตั้งเครื่องทำความร้อนพร้อมเตาไฟแบบเปิดคือการมีห้องแยกต่างหากซึ่งเรียกว่าเตาเผาที่วางไว้
ระบบที่มีการระบายอากาศตามธรรมชาติค่อนข้างเป็นที่นิยมเนื่องจากมีต้นทุนต่ำและความเป็นอิสระด้านพลังงาน
กลุ่ม # 2 - อุปกรณ์ที่มีห้องเผาไหม้แบบปิด
อุปกรณ์เทอร์โบชาร์จติดตั้งห้องเผาไหม้แบบปิด พวกเขาใช้อากาศโดยที่กระบวนการเผาไหม้เป็นไปไม่ได้จากถนน สำหรับสิ่งนี้อุปกรณ์ดังกล่าวมีปล่องไฟชนิดโคแอกเชียล
ปล่องไฟดังกล่าวสร้างขึ้นในรูปแบบของโครงสร้างสองท่อซึ่งท่อหนึ่งฝังอยู่ในอีกท่อหนึ่ง ผลิตภัณฑ์จากการเผาไหม้จะถูกปล่อยออกมาภายนอกผ่านท่อด้านใน
ในขณะเดียวกันอากาศบนท้องถนนจะไหลไปในทิศทางตรงกันข้ามผ่านช่องว่างระหว่างท่อทั้งสอง เป็นที่ชัดเจนว่าหม้อไอน้ำที่มีเตาไฟแบบปิดไม่ส่งผลกระทบต่อองค์ประกอบของอากาศภายในห้อง แต่อย่างใดซึ่งทำให้สามารถติดตั้งได้แม้ในห้องนั่งเล่น
ความร้อนของเตา
เครื่องทำความร้อนแบบเตาสมัยใหม่เหมาะสำหรับบ้านโครงที่มีการใช้งานตามฤดูกาลและตลอดทั้งปี เหมาะอย่างยิ่งสำหรับ kakrasniks เตาเผาเหล็กขนาดกะทัดรัดที่ไม่จำเป็นต้องมีรากฐานที่แข็งแกร่ง
หม้อไอน้ำเชื้อเพลิงแข็งสำหรับให้ความร้อนกับบ้านเฟรม
หม้อไอน้ำเชื้อเพลิงแข็งมีหลายประเภทที่สามารถใช้ในการทำความร้อนจากเตาของบ้านโครง:
- หม้อไอน้ำที่เผาไหม้ตามธรรมชาติ
- หม้อไอน้ำเชื้อเพลิงแข็งอัตโนมัติ
- หม้อไอน้ำไพโรไลซิสซึ่งเป็นหลักการที่ขึ้นอยู่กับการเผาไหม้เชื้อเพลิงในระยะยาว
- หม้อไอน้ำเชื้อเพลิงแข็งซึ่งในระหว่างการทำงานจะจ่ายอากาศทุติยภูมิไปยังเตาเผา
- เตาเผาไหม้ยาวในชั้นบน
หากหม้อไอน้ำเชื้อเพลิงแข็งก่อนหน้านี้เป็นแบบดั้งเดิมตอนนี้มีความซับซ้อนมากกว่าหม้อต้มก๊าซและไฟฟ้า การติดตั้งที่ทันสมัยช่วยดึงประสิทธิภาพสูงสุดจากฟืนทำให้เหลือเถ้าเล็กน้อย มีหม้อไอน้ำที่คุณต้องการ แหล่งจ่ายอากาศบังคับ... จากนั้นพวกเขาจำเป็นต้องติดตั้งเครื่องพ่นควันและอุปกรณ์ต่าง ๆ เพิ่มเติมเพื่อควบคุมอุปกรณ์และการตรวจสอบ

เมื่อเลือกหม้อไอน้ำเชื้อเพลิงแข็งคุณต้องให้ความสนใจเป็นพิเศษว่าฟืนควรเป็นแบบไหนสำหรับการใช้งาน ตัวอย่างเช่นหม้อไอน้ำไพโรไลซิสใช้ฟืนที่มีความหนามากกว่า 10 ซม. และมีความชื้นน้อยกว่า 20 เปอร์เซ็นต์ เพื่อให้ได้ความชื้นดังกล่าวจำเป็นต้องเก็บฟืนเป็นเวลาสองปีในห้องแห้งที่มีอุปกรณ์พิเศษซึ่งมีการไหลเวียนของอากาศเข้มข้นหรือซื้อฟืนที่เตรียมไว้แล้ว
หม้อไอน้ำต้องโหลดเต็มที่ - หากเติมเตาบางส่วนระบบทั้งหมดจะทำงานไม่ถูกต้อง คุณสามารถใส่หม้อไอน้ำเชื้อเพลิงแข็งแบบรวมซึ่งนอกเหนือจากการทำความร้อนจากไม้แล้วยังสามารถใช้แก๊สได้ซึ่งสะดวกและใช้งานได้จริง
มีประโยชน์: เปิดสายไฟในบ้านเฟรม


หม้อไอน้ำเชื้อเพลิงแข็งมีข้อดีดังต่อไปนี้:
- ค่าใช้จ่ายเล็กน้อยสำหรับการทำงานของระบบ
- เป็นมิตรต่อสิ่งแวดล้อมเป็นอันตรายต่อสิ่งแวดล้อมน้อยที่สุด
- ความสามารถในการใช้งานได้ทุกที่ในโลกที่ไม่มีการสื่อสาร
เหมาะสำหรับบ้านหลังเล็ก ๆ เตาอบความร้อนและทำอาหารการรวมหม้อไอน้ำและหม้อหุงที่มีหรือไม่มีเตาอบ
เตาผิงทำความร้อน
โดยปกติจะมีการติดตั้งเตาผิงเพื่อสร้างบรรยากาศสบาย ๆ แต่ก็สามารถเป็นแหล่งความร้อนและพลังงานในบ้านได้เช่นกัน จะไม่เพียงพอที่จะให้ความร้อนแก่อาคารขนาดใหญ่ หากเรากำลังพูดถึงเดชาเล็ก ๆ ซึ่งไม่ค่อยมีใครมาเยี่ยมคุณสามารถเข้าไปได้ด้วยเตาผิงหนึ่งอันนอกจากนี้เตาผิงยังสามารถใช้เป็นแหล่งพลังงานความร้อนเพิ่มเติมได้หากมีระบบทำความร้อนแบบเต็มรูปแบบ
ตามประเภทของเตาไฟเตาผิงสมัยใหม่สามารถแบ่งออกเป็นสองกลุ่ม:
- การเผาไหม้สั้น ๆ
- การเผาไหม้เป็นเวลานาน


ดังนั้นในเตาเผาระยะสั้นพลังงานความร้อนจะถูกปล่อยออกมาเร็วมาก แต่ฟืนจะไหม้หมดภายใน 5-8 ชั่วโมง และในเตาเผาที่ยาวนานฟืนจะถูกเผาไหม้เป็นเวลานานกว่า 8 ชั่วโมง แต่ในขณะเดียวกันห้องก็ร้อนขึ้นอย่างช้าๆ คุณสามารถเปลี่ยนความเข้มของลมเป่าพลังของเตาผิงและลักษณะอื่น ๆ คุณสามารถคำนวณกำลังที่ต้องการของเตาผิงเพื่อให้ความร้อนแก่ห้องได้ดังนี้ทุก ๆ 10 ตร.ม. เมตรต้องใช้พลังงานความร้อน 1 กิโลวัตต์
สามารถติดตั้งด้วยตนเองได้หรือไม่?
ด้วยมือของคุณเองคุณสามารถติดตั้งหม้อต้มก๊าซแบบติดผนังสำหรับการปรับเปลี่ยนที่ง่ายที่สุด ตัวอย่างเช่นอุปกรณ์วงจรเดียวที่มีห้องเผาไหม้แบบเปิด
ในการติดตั้งคุณจะต้องเชื่อมต่อระบบทำความร้อนจ่ายก๊าซและจัดปล่องไฟ อย่างไรก็ตามผู้ผลิตหม้อไอน้ำบางรายในเอกสารทางเทคนิคสำหรับผลิตภัณฑ์ของตนระบุว่าการติดตั้งควรดำเนินการโดยผู้เชี่ยวชาญเท่านั้น
ในกรณีนี้ห้ามประกอบแม้แต่รุ่นที่ง่ายที่สุดด้วยตนเอง ดังนั้นหากคุณวางแผนที่จะติดตั้งอุปกรณ์ด้วยตัวเองคุณควรตรวจสอบให้แน่ใจว่าผู้ผลิตอนุญาตก่อนที่จะซื้อ
การตรวจสอบการติดตั้งและการเชื่อมต่อที่ถูกต้องของอุปกรณ์กับแก๊สหลักควรดำเนินการโดยผู้เชี่ยวชาญที่มีใบอนุญาตพิเศษเท่านั้น
นอกจากนี้ตัวแทนบริการก๊าซยังต้องออกใบอนุญาตในการใช้งานอุปกรณ์ที่ติดตั้ง หากไม่มีสิ่งนี้เจ้าของอุปกรณ์ที่ติดตั้งและใช้งานเองจะต้องเผชิญกับค่าปรับที่ร้ายแรง
ดังนั้นหากไม่ได้รับคำเชิญจากผู้เชี่ยวชาญคุณสามารถเชื่อมต่ออุปกรณ์กับระบบทำความร้อนและกับแหล่งจ่ายน้ำเท่านั้น ยิ่งไปกว่านั้นขอแนะนำให้ทำเฉพาะในกรณีที่คุณมีประสบการณ์บางอย่างเท่านั้น
บริการระบบประปาเร่งด่วน
ความเชี่ยวชาญของ บริษัท ของเราคือการให้บริการระบบประปาที่มีคุณภาพสูงพร้อมบริการที่เป็นเลิศและการรับประกันบังคับสำหรับงานที่ทำ เป็นเวลาหลายปีที่เราดำเนินงานระบบประปาในทุกระดับของความซับซ้อนทั้งในอพาร์ทเมนต์และในภาคเอกชน เรามีทีมช่างประปาที่มีคุณภาพและมีประสบการณ์มากมายในอุตสาหกรรม ทำงานมาสิบปีเราได้เรียนรู้ที่จะหาทางออกที่เหมาะสมแม้ในสถานการณ์ที่ยากลำบากที่สุด
เราให้บริการระบบประปาดังต่อไปนี้สำหรับลูกค้าของเรา:
- การติดตั้งและรื้อระบบประปา
- การติดตั้งอุปกรณ์ประปาใด ๆ (การติดตั้งอ่างล้างหน้าการติดตั้งเครื่องผสมในห้องน้ำการติดตั้งเครื่องผสมในห้องครัวการติดตั้งโถสุขภัณฑ์การติดตั้งห้องน้ำการติดตั้งห้องอาบน้ำ ฯลฯ )
- การติดตั้งและการเชื่อมต่อเครื่องใช้ในครัวเรือน (เครื่องซักผ้าเครื่องล้างจานหม้อไอน้ำ ฯลฯ )
- ซ่อมอุปกรณ์ประปา.
- การเปลี่ยนท่อน้ำในอพาร์ตเมนต์
- โทรหาช่างประปาตลอดเวลามอสโกวและภูมิภาค
หลักการพื้นฐานในการทำงานของช่างประปาในองค์กรของเรา
หลักการทำงานของเรา เป็นแนวทางของทุกคนเพราะเราให้ความสำคัญกับลูกค้าของเรา ผู้เชี่ยวชาญของ บริษัท ของเราทำงานเฉพาะกับอุปกรณ์ล่าสุดและใช้วัสดุคุณภาพสูง เรามั่นใจว่ามีเพียงผู้เชี่ยวชาญที่มีประสบการณ์และปรับปรุงอย่างต่อเนื่องเท่านั้นที่สามารถแบกรับความรับผิดชอบต่องานที่ทำและรับประกันคุณภาพได้อย่างเต็มที่
เราทำงานร่วมกับลูกค้าโดยตรง และนั่นคือเหตุผลที่เรามีเงื่อนไขที่ดีที่สุดสำหรับทั้งสองฝ่าย ระบบส่วนลดที่ยืดหยุ่นใช้กับงานสุขาภิบาล สำหรับผู้มีโอกาสเป็นลูกค้าแต่ละรายเราให้คำปรึกษาฟรีเกี่ยวกับการเลือกใช้วัสดุและแจ้งประเด็นอื่น ๆ ที่น่าสนใจ
เราให้การรับประกันลูกค้าแต่ละราย ... ด้วยเหตุนี้คุณจึงมั่นใจได้ว่าทีมผู้เชี่ยวชาญของเราทำงานประปาในระดับสูงและในช่วงเวลาสั้น ๆ
การคำนวณต้นทุนการทำความร้อน
ค่าซ่อมระบบทำความร้อน
ค่าติดตั้งน้ำประปา
ระบบวิศวกรรม: การจ่ายน้ำร้อน:
- เครื่องทำความร้อนในบ้านไม้ลำดับความสำคัญสำหรับบ้านในชนบทคือไม้ท่อนซุงหรือโครง โดยทั่วไปแล้วบ้านไม้ก็ต้องการให้ความร้อนเช่นกัน สำหรับการทำความร้อนบ้านไม้มีหลายทางเลือก ในส่วนนี้เราจะยกตัวอย่างการทำความร้อนบ้านไม้ด้วยการติดตั้งหม้อต้มก๊าซท่อทองแดงหม้อน้ำคอนเวอเตอร์ ...
- การทำความร้อนท่อน้ำทิ้งในบ้านไม้แนวโน้มของการก่อสร้างชานเมืองที่ทำด้วยไม้ในประเทศของเรากำลังได้รับแรงผลักดัน ในขณะเดียวกันสภาพความเป็นอยู่ที่สะดวกสบายไม่เพียงพอก็เป็นที่ยอมรับไม่ได้สำหรับคนรุ่นราวคราวเดียวกัน และถ้าคนรุ่นเก่าทนกับความยากลำบากตามฤดูกาลและการติดตั้งเครื่องทำความร้อนเป็นข้อ จำกัด ในการจัดบ้านไม้ในชนบท ...
- การทำความร้อนและห้องหม้อไอน้ำต้องคิดให้ดีก่อนที่จะเริ่มการก่อสร้างบ้าน โดยเฉพาะอย่างยิ่งถ้าบ้านหลังนี้ไม่ได้เป็นเพียงที่อยู่อาศัยที่มีแสงสว่างสำหรับผู้อยู่อาศัยในช่วงฤดูร้อนซึ่งเขาใช้เฉพาะในฤดูร้อน แต่เป็นอาคารที่อยู่อาศัยเต็มรูปแบบซึ่งผู้คนต้องอยู่อย่างสะดวกสบายที่สุด ...
- เครื่องทำน้ำอุ่นที่บ้าน - ห้องหม้อไอน้ำเครื่องทำน้ำอุ่นที่บ้านพวกเราส่วนใหญ่คุ้นเคยกับความสะดวกสบายและเงื่อนไขประการหนึ่งสำหรับการจัดหา - ……
- การทำความร้อนในบ้านส่วนตัว - ห้องหม้อไอน้ำการทำความร้อนบ้านส่วนตัวสำหรับรัสเซียเป็นหนึ่งในหัวข้อที่สำคัญที่สุดเมื่อเริ่มการก่อสร้าง แต่ถึงแม้จะมีความสำคัญทั้งหมด แต่หลายคนก็คิดว่ามันง่ายเกินไปที่จะคิดเกี่ยวกับการออกแบบ ในความเป็นจริงแม้แต่ระบบที่ประกอบโดยไม่มีโครงการและการคำนวณ ...
- การซ่อมแซมเครื่องทำความร้อนในบ้านส่วนตัวทางออกที่ดีที่สุดในสถานการณ์นี้คือการติดต่อผู้เชี่ยวชาญที่จะดำเนินการซ่อมแซมระบบทำความร้อนที่จำเป็นการวินิจฉัยและการว่าจ้าง แต่ปัญหาบางอย่างสามารถแก้ไขได้ด้วยตัวเอง ทำอะไรได้บ้าง: ให้เวลาระบบเลเวลใช้เวลาไม่กี่ ...
- การเปลี่ยนระบบทำความร้อนในบ้านส่วนตัวตามกฎแล้วการเปลี่ยนระบบทำความร้อนในบ้านส่วนตัวเริ่มต้นด้วยการเลือกและการคำนวณความจุของอุปกรณ์ทำความร้อนรวมถึงการคำนวณจำนวนหม้อน้ำทำความร้อนที่ต้องการ ในเวลาเดียวกันเราคำนึงถึงทั้งประเภทของเชื้อเพลิงที่มีลำดับความสำคัญสำหรับพื้นที่เฉพาะและพื้นที่ที่มีความร้อน มาจากการนำไปใช้งาน ...
- ห้องหม้อไอน้ำอัตโนมัติ ...
- ห้องหม้อไอน้ำสำหรับทำความร้อนในบ้านคุณต้องการซื้อบ้านส่วนตัวหรือไม่? เตรียมตัวให้พร้อมสำหรับความท้าทายที่น่ากลัวมากมายในการเลือกโซลูชันสำหรับระบบและการออกแบบต่างๆ หนึ่งในคำถามในขั้นตอนการก่อสร้างคือการเลือกระบบทำความร้อน ...
- ห้องหม้อไอน้ำสำหรับบ้านแบบตั้งพื้น►ห้องหม้อไอน้ำสำหรับบ้านแบบตั้งพื้น services บริการพัฒนาโครงการ, ……
- การซ่อมแซมห้องหม้อไอน้ำในบ้านส่วนตัวคำว่า "ห้องหม้อไอน้ำ" ถูกเข้าใจว่าเป็นชุดอุปกรณ์และอุปกรณ์ทางเทคนิคทั้งหมดที่ให้พื้นที่ใช้สอยพร้อมเครื่องทำความร้อนและน้ำร้อน และห้องแยกต่างหากในบ้านหรืออาคารที่มีอุปกรณ์ทำความร้อนทั้งหมดนี้ โดยปกติจะมีการติดตั้งห้องหม้อไอน้ำแยกต่างหากหากไม่มีความเป็นไปได้ในการเชื่อมต่อ ...
- การติดตั้งหม้อน้ำในบ้านส่วนตัวการติดตั้งหม้อน้ำในบ้านส่วนตัวการติดตั้งเครื่องทำความร้อนที่บ้านตามที่ประสบการณ์การใช้งานจริงของเราแสดงให้เห็นเป็นกระบวนการที่ซับซ้อนซึ่งไม่มีเรื่องเล็ก ๆ น้อย ๆ ไม่เพียงพอที่จะติดตั้งโรงงานผลิตหม้อไอน้ำที่ทันสมัยและหวังว่าจะได้รับการปรับปรุงที่สำคัญ ขั้นตอนสำคัญในการปรับปรุงระบบทำความร้อนคือการติดตั้ง ...
- วิธีทำความร้อนในบ้านหน้าที่หลักของระบบทำความร้อนใด ๆ ไม่ว่าจะอยู่ที่ใดก็ตามคือให้ความร้อนในห้อง ฟังก์ชันที่สำคัญนี้เป็นพื้นฐานสำหรับการออกแบบระบบที่ถูกต้องและการได้มาซึ่งส่วนประกอบที่มีคุณภาพสูงสุดระบบทำความร้อนของบ้านส่วนตัวมีองค์ประกอบดังต่อไปนี้: - หม้อไอน้ำร้อน; ...
- การกระจายความร้อนในบ้านส่วนตัวเมื่อแก้ปัญหาตัวเครื่องทำความร้อนมีหลายชุดของการสร้างระบบจ่ายและกำจัดสารทำความร้อน การกระจายความร้อนแต่ละครั้งในบ้านส่วนตัวสามารถจำแนกได้ตามเกณฑ์หลายประการ เราขอเสนอให้เข้าใจความแตกต่างของการจัดเรียงและการดำเนินการของตัวเลือกที่เป็นไปได้ ความเข้าใจหลักการออกแบบข้อดี ...
- ติดตั้งเครื่องทำความร้อนอัตโนมัติคุณภาพสูงในบ้านเพื่อติดตั้งเครื่องทำความร้อนอัตโนมัติคุณภาพสูงในบ้านและไม่เจาะลึกความซับซ้อนทั้งหมดของธุรกิจที่ยากลำบากนี้เจ้าของอสังหาริมทรัพย์ที่มีประสบการณ์……
- การทำความร้อนในบ้านส่วนตัวด้วยแก๊สการทำความร้อนด้วยแก๊สสำหรับบ้านส่วนตัวเป็นตัวเลือกที่ทำกำไรได้มากในแง่ของผลตอบแทนจากการลงทุนระบบทำความร้อน ก๊าซธรรมชาติหากเชื่อมต่อกับบ้านจะมีค่าใช้จ่ายน้อยกว่าไฟฟ้าเล็กน้อยซึ่งช่วยประหยัดน้ำมัน นอกจากนี้ปล่องไฟสำหรับทำความร้อนด้วยแก๊สนั้นง่ายกว่ามาก ...
- ค่าใช้จ่ายในการติดตั้งงาน HEATING WATER SUPPLY การซ่อมแซมเครื่องทำความร้อน►เครื่องคำนวณการคำนวณ◄การติดตั้งเครื่องทำความร้อนในประเทศ การติดตั้งน้ำประปาในช่วงฤดูหนาวสำหรับบ้านส่วนตัว การติดตั้งระบบประปาฤดูหนาวในประเทศการติดตั้งเครื่องทำความร้อนในบ้านส่วนตัว ซ่อมท่อน้ำประปาในบ้านส่วนตัวเปลี่ยนท่อน้ำของระบบทำความร้อนในประเทศติดตั้งท่อ ...
- สั่งติดตั้งเครื่องทำความร้อนสำหรับบ้านส่วนตัวการติดตั้งระบบทำความร้อนสำหรับบ้านส่วนตัวเมื่อเริ่มมีอากาศหนาวเย็นชีวิตของเรากำลังเปลี่ยนแปลงไปมาก ไม่น่าเป็นไปได้ที่คนสมัยใหม่จะสามารถอยู่รอดได้ในสภาพที่ไม่สามารถยอมรับได้อย่างสมบูรณ์สำหรับการใช้ชีวิตและไม่ว่าบ้านจะหรูหราแค่ไหน - ถ้าอากาศหนาวมีไม่กี่คน ...
- ประเภทของเครื่องทำความร้อนในบ้านในชนบทประเภทของเครื่องทำความร้อนในบ้าน เครื่องทำความร้อนด้วยแก๊ส เครื่องทำความร้อนในบ้าน. วันนี้ตัวเลือกที่ได้รับความนิยมมากที่สุดสำหรับการทำความร้อนในบ้านส่วนตัวคือการทำความร้อนด้วยแก๊ส หม้อต้มก๊าซแบบติดผนังมีขนาดโดยรวมที่เล็กซึ่งแตกต่างจากหม้อต้มเชื้อเพลิงแข็งที่ใช้เชื้อเพลิงจากไม้คือติดตั้งในที่ใดก็ได้และให้ความร้อนทั้งบ้าน ....
- การติดตั้งเครื่องทำความร้อนในบ้านอย่างมืออาชีพระบบทำความร้อนของบ้านแต่ละหลังเป็นการออกแบบส่วนบุคคลที่ซับซ้อนการติดตั้งซึ่งต้องมีโครงการเตรียมการที่สะท้อนถึงลักษณะทางเทคนิคของระบบวิธีการติดตั้งที่มีประสิทธิภาพสูงสุดการใช้พลังงานความสะดวกในการติดตั้ง ใช้และอื่น ๆ อีกมากมาย การติดตั้งท่อสำหรับระบบทำความร้อนหม้อไอน้ำหม้อน้ำและองค์ประกอบเครือข่ายอื่น ๆ ...
โพสต์ก่อนหน้า Home Water Services
โพสต์ถัดไปการติดตั้งและขายหม้อไอน้ำ
จะเริ่มการติดตั้งที่ไหน?
ก่อนอื่นคุณต้องเตรียมเอกสารที่คุณต้องติดตั้ง... คุณควรเริ่มต้นด้วยการเริ่มต้นการทำให้เป็นแก๊สในห้อง จะเริ่มต้นได้ก็ต่อเมื่อมีการเชื่อมต่อท่อส่งก๊าซ
จากนั้นเจ้าของจะส่งใบสมัครไปยังบริการที่เกี่ยวข้องซึ่งเขาระบุปริมาณการใช้ก๊าซที่เขาต้องการต่อเดือนหรือปี ในกรณีที่คำตอบที่น่าพอใจสำหรับการใช้งานท่อส่งก๊าซที่เหมาะสมกับห้องจะต้องติดตั้งมิเตอร์
เจ้าของได้รับใบอนุญาตและเงื่อนไขทางเทคนิคในมือของเขาบนพื้นฐานของการพัฒนาโครงการสำหรับการเชื่อมต่ออุปกรณ์
หลังรวมถึงรูปแบบการวางท่อก๊าซจากเครื่องทำความร้อนไปยังจุดที่สอดเข้าไปในสายหลักและเงื่อนไขทั้งหมดสำหรับการติดตั้งอุปกรณ์ โครงการที่พัฒนาจะต้องได้รับการอนุมัติจากบริการก๊าซ
เจ้าของสถานที่ที่จะติดตั้งหม้อไอน้ำร่วมกับโครงการจะให้ใบรับรองความสอดคล้องและหนังสือเดินทางทางเทคนิคของอุปกรณ์ที่ซื้อข้อสรุปการบริการจากผู้เชี่ยวชาญเกี่ยวกับการปฏิบัติตามข้อกำหนดและคำแนะนำในการใช้งานที่ปลอดภัยทั้งหมด
หลังจากโครงการได้รับการอนุมัติคุณสามารถเริ่มติดตั้งเครื่องทำความร้อนได้ ในกรณีนี้ควรปฏิบัติตามทุกประเด็นของเอกสารโครงการอย่างชัดเจน
การทำความร้อนด้วยแก๊สยังคงเป็นตัวเลือกที่ดีที่สุดในการจัดระบบจ่ายความร้อนสำหรับอพาร์ทเมนต์และบ้านในการติดตั้งอุปกรณ์คุณจำเป็นต้องทราบมาตรฐานปัจจุบันรับใบอนุญาตในบริการที่เหมาะสม ความยากลำบากอย่างยิ่งคือการติดตั้งหม้อต้มก๊าซแบบติดผนังในบ้านไม้ด้วยมือของคุณเอง ข้อกำหนดสำหรับอาคารดังกล่าวเข้มงวดกว่าอาคารคอนกรีตเสริมเหล็กหรืออิฐ
โครงการบ้านพร้อมห้องหม้อไอน้ำ
จำนวนโครงการ 1286
- 6 ห้อง
- 1 ห้องน้ำ
โครงการบ้าน VH "84-15" Villosi
- ไปยังรายการโปรด
- 286²พื้นที่ทั้งหมด
จาก 3,861,000 ถู
เวลาในการก่อสร้างเป็นรายบุคคล
- 2 ห้อง
- 1 ห้องน้ำ
โครงการกระท่อม "มิวนิค"
- ไปยังรายการโปรด
- 81²พื้นที่ทั้งหมด
จาก 1,093500 ถู
เวลาในการก่อสร้างเป็นรายบุคคล
- 3 ห้อง
- 2 ห้องน้ำ
โครงการ Avanche House
- ไปยังรายการโปรด
- 144²พื้นที่ทั้งหมด
- พื้นที่อาคาร 9 x 8 ม
จาก 100000 ถู
ระยะเวลาก่อสร้าง 25 วัน
- 4 ห้อง
- 1 ห้องน้ำ
โครงการบ้าน "Palace Mosaic"
- ไปยังรายการโปรด
- 133²พื้นที่ทั้งหมด
- พื้นที่อาคาร 11 x 12 ม
จาก 2,946700 ถู
ระยะเวลาก่อสร้าง 60 วัน
- 3 ห้อง
- 1 ห้องน้ำ
โครงการบ้านเลขที่ 59
- ไปยังรายการโปรด
- 110.11²พื้นที่ทั้งหมด
จาก 1,486485 ถู
เวลาในการก่อสร้างเป็นรายบุคคล
- 7 ห้อง
- 3 ห้องน้ำ
โครงการบ้าน # 13050-KB
- ไปยังรายการโปรด
- 216²พื้นที่ทั้งหมด
- พื้นที่อาคาร 16 x 11m
จาก 7 550107 p.
เวลาในการก่อสร้างเป็นรายบุคคล
- 3 ห้อง
- 2 ห้องน้ำ
โครงการบ้าน "BK 13"
- ไปยังรายการโปรด
- พื้นที่อาคาร 11 x 9 ม
การคำนวณส่วนบุคคล
เวลาในการก่อสร้างเป็นรายบุคคล
- 1 ห้อง
- 2 ห้องน้ำ
โครงการ Bani Cherry
- ไปยังรายการโปรด
- 90.3²พื้นที่ทั้งหมด
จาก 1,482,000 ถู
เวลาในการก่อสร้างเป็นรายบุคคล
- 4 ห้อง
- 2 ห้องน้ำ
โครงการบ้าน KD-16
- ไปยังรายการโปรด
- 112²พื้นที่ทั้งหมด
จาก 884,000 ถู
เวลาในการก่อสร้างเป็นรายบุคคล
- 5 ห้อง
- 2 ห้องน้ำ
โครงการบ้าน "Paolina"
- ไปยังรายการโปรด
- 235.2²พื้นที่ทั้งหมด
- พื้นที่อาคาร 11 x 18 ม
จาก 5,875,000 ถู
เวลาในการก่อสร้างเป็นรายบุคคล
- 4 ห้อง
- 1 ห้องน้ำ
โครงการบ้านสันติ
- ไปยังรายการโปรด
- 116.2²พื้นที่ทั้งหมด
- พื้นที่อาคาร 8 x 8m
การคำนวณส่วนบุคคล
เวลาในการก่อสร้างเป็นรายบุคคล
- 3 ห้อง
- 1 ห้องน้ำ
โครงการบ้าน VH "02-13" Velan
- ไปยังรายการโปรด
- 108²พื้นที่ทั้งหมด
จาก 1,458,000 ถู
เวลาในการก่อสร้างเป็นรายบุคคล
- 5 ห้อง
- 2 ห้องน้ำ
โครงการบ้านนกยูง
- ไปยังรายการโปรด
- 388²พื้นที่ทั้งหมด
จาก 5,238,000 ถู
ระยะเวลาก่อสร้าง 185 วัน
- 2 ห้อง
- 1 ห้องน้ำ
โครงการบานีลัมบาดา
- ไปยังรายการโปรด
- 62.67²พื้นที่ทั้งหมด
จาก 846,045 ถู
ระยะเวลาก่อสร้าง 35 วัน
- 3 ห้อง
- 1 ห้องน้ำ
โครงการบ้าน X-86 ไฮเทค
- ไปยังรายการโปรด
- 86²พื้นที่ทั้งหมด
จาก 1,161,000 ถู
เวลาในการก่อสร้างเป็นรายบุคคล
- 8 ห้อง
- 4 ห้องน้ำ
โครงการบ้าน MS-346 (บ้านสำหรับอพาร์ทเมนท์ 4 ห้อง)
- ไปยังรายการโปรด
- 342.14²พื้นที่ทั้งหมด
- พื้นที่อาคาร 16 x 15 ม
จาก 10452 290 ถู
เวลาในการก่อสร้างเป็นรายบุคคล
- 3 ห้อง
- 1 ห้องน้ำ
โครงการอัลลาเฮาส์
- ไปยังรายการโปรด
- 111²พื้นที่ทั้งหมด
- พื้นที่อาคาร 8 x 10 ม
การคำนวณส่วนบุคคล
เวลาในการก่อสร้างเป็นรายบุคคล
- 6 ห้อง
- 3 ห้องน้ำ
โครงการบ้านดอน 157
- ไปยังรายการโปรด
- 150²พื้นที่ทั้งหมด
จาก 02 062500 ถู
เวลาในการก่อสร้างเป็นรายบุคคล
- 5 ห้อง
- 3 ห้องน้ำ
โครงการบ้าน DOK-224 / Berville
- ไปยังรายการโปรด
- 224.09²พื้นที่ทั้งหมด
- พื้นที่อาคาร 15 x 11 ม
จาก 04,033620 ถู
เวลาในการก่อสร้างเป็นรายบุคคล
- 4 ห้อง
- 3 ห้องน้ำ
โครงการบ้าน "Zemfira"
- ไปยังรายการโปรด
- 240.7²พื้นที่ทั้งหมด
- พื้นที่อาคาร 11 x 20 ม
จาก 3,120,000 รูเบิล
เวลาในการก่อสร้างเป็นรายบุคคล
ดูโครงการทั้งหมด
ห้องหม้อไอน้ำในบ้านส่วนตัวกลายเป็นเรื่องธรรมดาในปัจจุบัน แต่การจัดเตรียมควรดำเนินการตามข้อกำหนดด้านกฎระเบียบเท่านั้น โครงการที่เหมาะสมของสถานที่กำลังได้รับการพัฒนาตามมาตรฐานที่กำหนดเพื่อให้ห้องหม้อไอน้ำเป็นไปตามมาตรฐานที่มีอยู่ พิจารณาคำถามเกี่ยวกับการจัดห้องหม้อไอน้ำ คุณจะได้เรียนรู้ว่าเอกสารใดบ้างที่ต้องใช้และวิธีการออกแบบสถานที่อย่างเหมาะสม


ตัวอย่างห้องหม้อไอน้ำสำหรับบ้านหลังใหญ่พร้อมอุปกรณ์เพิ่มเติมที่มา remont-kotlov77.ru
ข้อกำหนดสำหรับสถานที่
งานแรกคือการเลือกสถานที่ติดตั้ง บรรทัดฐานพื้นฐานกำหนดไว้ใน SNiP เมื่อวันที่ 31 กุมภาพันธ์ 2544 ห้ามติดตั้งในห้องนั่งเล่นห้องน้ำหรือห้องสุขา สามารถติดตั้งในห้องใต้ดินได้ แต่ไม่ใช่ในห้องใต้ดิน ไม่สามารถติดตั้งในห้องใต้หลังคาได้ สำหรับอุปกรณ์ที่มีประสิทธิภาพมากกว่า 36 กิโลวัตต์คุณต้องจัดห้องหม้อไอน้ำแยกต่างหาก
จำเป็นต้องคำนึงถึงข้อกำหนดพื้นฐาน - หม้อต้มก๊าซในบ้านไม้ที่มีความจุสูงถึง 60 กิโลวัตต์สามารถติดตั้งในห้องที่มีพารามิเตอร์ต่อไปนี้:
- ปริมาตรต่ำสุดคือ 15 ลบ.ม. สำหรับพลังงานแต่ละกิโลวัตต์เหนือค่าปกติคุณต้องเพิ่ม 1 ม.?
- ความสูงเพดาน - ตั้งแต่ 2.5 ม. ขึ้นไป
- การมีอยู่ของการระบายอากาศที่ถูกบังคับและเป็นธรรมชาติ
- แสงประดิษฐ์ควรเสริมด้วยแสงธรรมชาติ
สถานที่ติดตั้งถูกแยกออกจากห้องนั่งเล่นด้วยประตูหากการติดตั้งดำเนินการในห้องหม้อไอน้ำแยกจะต้องมีทางออกไปที่ถนนโดยตรง
การติดตั้งหม้อต้มก๊าซแบบติดผนังในบ้านไม้ในห้องหม้อไอน้ำแยกต่างหากจะดำเนินการตามกฎต่อไปนี้:
- ข้อกำหนดมาตรฐานสำหรับปริมาตรและความสูงของเพดาน - 15 เมตร? และ 2.5 ม.
- การตกแต่งผนังภายในด้วยวัสดุทนไฟโดยมีขีด จำกัด การทนไฟ 0.75 ชั่วโมง
- แสงในห้องปกติ - ประดิษฐ์และเป็นธรรมชาติ
- การมีระบบระบายอากาศ
นอกจากประตูสู่ถนนแล้วอาจมีทางเข้าบ้านเพิ่มเติม สิ่งสำคัญคือต้องมีความรัดกุม - ผลิตภัณฑ์จากการเผาไหม้จะต้องไม่เข้าไปในอาคาร พารามิเตอร์การระบายอากาศขึ้นอยู่กับประเภทของห้องเผาไหม้ - ปิดหรือบรรยากาศ ประการที่สองมูลค่าการแลกเปลี่ยนอากาศไม่ควรน้อยกว่า 3 ปริมาตรของห้องหม้อไอน้ำต่อชั่วโมง การบริโภคอากาศจากการเผาไหม้จะถูกนำมาพิจารณาเพิ่มเติมด้วย พารามิเตอร์นี้ระบุไว้ในหนังสือเดินทางหม้อไอน้ำ ระยะห่างจากอุปกรณ์ทำความร้อนถึงรูระบายอากาศอย่างน้อย 2 เมตร พื้นที่กระจกขึ้นอยู่กับปริมาตรของห้องหม้อไอน้ำ ที่ม. 1? ต้องใช้ 0.03 ม.? เปิดไฟ เป็นสิ่งสำคัญ - นี่คือตัวบ่งชี้การไหลเข้าสุทธิของแสงโดยไม่รวมความกว้างของเฟรมและสิ่งปลอมปน
ตัวเลือกสำหรับการจัดห้องหม้อไอน้ำสำหรับตัวเรือนไม้
อย่าลืมว่าห้องหม้อไอน้ำซึ่งจะให้ความร้อนแก่บ้านไม้สามารถติดตั้งได้หลายวิธี หากเราพิจารณารายละเอียดเพิ่มเติมสำหรับทุกคนไม่ทางใดก็ทางหนึ่งมีข้อดีที่สำคัญหลายประการที่ไม่อาจโต้แย้งได้ซึ่งจะส่งผลต่อการเลือกโครงการ
โดยทั่วไปห้องหม้อไอน้ำสำหรับบ้านไม้สามารถจัดระเบียบได้หนึ่งในสามวิธีหลัก:
- โดยตรงในบ้าน.
- ในภาคผนวกของบ้านไม้
- ในอาคารแยกต่างหาก
ห้องหม้อไอน้ำในบ้าน. เมื่อมองแวบแรกนี่เป็นตัวเลือกที่ง่ายและสะดวกที่สุด อย่างไรก็ตามนี่เป็นเรื่องจริงสำหรับกรณีเหล่านั้นเมื่อมีการสร้างและคำนวณห้องหม้อไอน้ำในขั้นตอนการออกแบบ นั่นคือสำหรับการจัดเรียงในโครงการอย่างน้อยก็มีการวางห้องที่สอดคล้องกับมาตรฐานที่กล่าวไว้ข้างต้น หากไม่มีห้องดังกล่าวเจ้าของบ้านไม้มักฝ่าฝืนข้อกำหนดด้านความปลอดภัยโดยการติดตั้งหม้อไอน้ำทั้งในห้องครัวในห้องน้ำหรือในสถานที่ต้องห้ามอื่น ๆ
หากมีห้องสำหรับห้องหม้อไอน้ำและเป็นไปตามกฎและข้อบังคับขั้นต่ำตัวเลือกนี้จะให้ข้อดีหลายประการ:
- สะดวก;
- การสูญเสียพลังงานน้อยที่สุด
- ไม่จำเป็นต้องสร้างอะไรเพิ่มเติม
- ค่าใช้จ่ายในการจัดเรียงกระแสไฟฟ้าและความร้อนเพียงเล็กน้อย
นอกจากนี้ยังมีข้อเสียเช่นเสียงของระบบหม้อไอน้ำอัตโนมัติหรือปั๊มหมุนเวียน อย่างไรก็ตามมีข้อดีมากกว่าและมีความสำคัญมากกว่า
ห้องหม้อไอน้ำในภาคผนวกของบ้าน กำจัดข้อเสียที่ระบุไว้บางส่วนของเวอร์ชันก่อนหน้าและแทบจะไม่สูญเสียข้อดีไปเลย ข้อเสียเปรียบที่สำคัญเพียงประการเดียวคือต้องแนบส่วนขยายและนี่คือค่าใช้จ่ายเพิ่มเติมการคำนวณและอื่น ๆ
ห้องหม้อไอน้ำในอาคารแยกต่างหาก แม้จะดูซับซ้อนและมีต้นทุนสูง แต่เจ้าของบ้านไม้หลายคนก็เลือกใช้ตัวเลือกนี้ ยิ่งไปกว่านั้นอาคารเดี่ยวไม่ได้เป็นเพียงห้องหม้อไอน้ำเท่านั้น แต่ยังเป็นตัวอย่างเช่นโรงรถห้องเก็บของห้องประชุมเชิงปฏิบัติการและอื่น ๆ และทั้งหมดนี้จะถูกทำให้ร้อนด้วยซึ่งสำคัญมากและเป็นประโยชน์สำหรับหลาย ๆ คน
อนุญาตเอกสาร
ซึ่งแตกต่างจากการติดตั้งหม้อไอน้ำเชื้อเพลิงแข็งในบ้านไม้อุปกรณ์แก๊สต้องมีใบอนุญาต ในการดำเนินการนี้คุณต้องติดต่อองค์กรท้องถิ่นที่รับผิดชอบการจ่ายก๊าซ - Oblgaz หรือ Gorgaz การเชื่อมต่อกับแก๊สหลักควรดำเนินการโดยผู้เชี่ยวชาญที่ผ่านการรับรองเท่านั้น แต่การติดตั้งอุปกรณ์หม้อไอน้ำสามารถทำได้อย่างอิสระ


ขั้นตอนการขอใบอนุญาต:
- การขอรับข้อกำหนดทางเทคนิค ระบุข้อกำหนดสำหรับการเชื่อมต่อกับหลักแก๊ส มีความจำเป็นต้องจัดทำแผนผังของบ้านด้วยลักษณะเฉพาะ
- การวาดโครงการก๊าซซิฟิเคชั่น งานนี้ดำเนินการโดยองค์กรเฉพาะที่ได้รับอนุญาต
- บนพื้นฐานของโครงการจะมีการออกใบอนุญาตให้ติดตั้งหม้อไอน้ำเชิงเทินในบ้านไม้ เช่นเดียวกับรุ่นติดผนังหรือตั้งพื้น
- หลังจากการติดตั้งตัวแทนบริการก๊าซจะต้องตรวจสอบอาคารและท่อเพื่อให้เป็นไปตามเงื่อนไขทางเทคนิคและการออกแบบที่ตกลงกันไว้ พวกเขายังเชื่อมต่ออุปกรณ์กับท่อ
เพื่อเพิ่มเวลาและต้นทุนทางการเงินขอแนะนำให้ใช้บริการของ บริษัท ย่อยของ Gorgaz ตัวแทนของพวกเขาทราบถึงความแตกต่างของการออกแบบและการเปลี่ยนแปลงล่าสุดในข้อกำหนดสำหรับอาคารสถานที่และอุปกรณ์
ไดอะแกรมการติดตั้ง
หลังจากเตรียมสถานที่และออกใบอนุญาตแล้วคุณสามารถดำเนินการติดตั้งหม้อไอน้ำได้ สถานที่ติดตั้งอุปกรณ์เสร็จสิ้นด้วยวัสดุทนไฟ สำหรับรุ่นผนังจำเป็นต้องใช้ตัวยึดที่เชื่อถือได้


วิธีแขวนหม้อต้มก๊าซบนผนังไม้และต้องปฏิบัติตามมาตรฐานใด? ในการดำเนินการนี้คุณต้องทำความคุ้นเคยกับกฎทั่วไป:
- วาดแผนภาพ ตำแหน่งของหัวฉีดสำหรับเชื่อมต่อกับท่อตำแหน่งของท่อส่งก๊าซจะถูกนำมาพิจารณา ก่อนที่จะติดตั้งหม้อต้มก๊าซในบ้านไม้แผนภาพจะระบุตำแหน่งของอุปกรณ์เสริม - ถังทำความร้อนทางอ้อมสำหรับการจ่ายน้ำร้อนปั๊มหมุนเวียนถังขยายตัวและกลุ่มป้องกัน
- ระยะห่างต่ำสุดที่อนุญาตกับพื้นผิวของผนังที่ติดตั้งอุปกรณ์คือ 4.5 ซม. ถึงแผ่นด้านข้างค่านี้อย่างน้อย 20 ซม. ระยะห่างจากพื้น 30 ซม. ถึงเพดาน 45 ซม.
- ช่องเปิดในพื้นหรือผนังสำหรับปล่องไฟได้รับการปกป้องโดยปลอกกันไฟพิเศษ หน้าที่ของมันคือการป้องกันการสัมผัสโดยตรงของต้นไม้กับพื้นผิวที่อุ่นของปล่องไฟ
- การใช้ท่อพลาสติกเพื่อให้ความร้อน เพื่อป้องกันพื้นผิวของเส้นจากความร้อนสูงเกินไปขอแนะนำให้ติดตั้งท่อเหล็กยาวไม่เกิน 0.5 ม. ที่เต้ารับน้ำร้อนจากหม้อไอน้ำ
ในทางปฏิบัติการติดตั้งหม้อต้มไม้แบบเดียวกันในบ้านไม้จะง่ายกว่า แต่ในอนาคตค่าใช้จ่ายในการทำความร้อนและการบำรุงรักษาจะสูงกว่าการทำความร้อนด้วยแก๊ส
วัสดุรองพื้นผนัง
ข้อกำหนดหลักในการตกแต่งผนังพื้นและเพดานคือการป้องกันอัคคีภัย สำหรับสิ่งนี้พื้นผิวพิเศษใช้สำหรับหม้อต้มก๊าซในบ้านไม้ ไม่ควรรองรับกระบวนการเผาไหม้ป้องกันผนังจากผลกระทบของอุณหภูมิ


วัสดุสำรองที่แนะนำ:
- ขนสัตว์บะซอลต์ บนฐานแข็ง (แผ่นโลหะ) จะมีการติดตั้งชั้นที่มีความหนา 50 มม. ขึ้นไป ความหนาแน่นของสำลีสูงสุด
- แผ่นวัสดุทนไฟหินบะซอลต์ ในกรณีที่เกิดเปลวไฟพวกเขาจะปกป้องพื้นผิวไม้ของผนังจากผลกระทบด้านความร้อน
ห้ามใช้วัสดุโพลีเมอร์ - โพลีโพรพีลีนโฟม สำหรับรุ่นพื้นให้ความสนใจเป็นพิเศษกับการเตรียมพื้นผิว เป็นวัสดุที่ทนไฟได้รับการปรับระดับ ในกรณีนี้ไม่แนะนำให้ใช้ขนสัตว์บะซอลต์เนื่องจากมวลของหม้อไอน้ำจะถูกบีบอัด ทางออกคือการติดตั้งแผ่นหินบะซอลต์


สั้น ๆ เกี่ยวกับหลัก
ข้อกำหนดสำหรับห้องหม้อไอน้ำในบ้านส่วนตัวสำหรับก๊าซหรือเชื้อเพลิงประเภทอื่น ๆ นั้นสูงมากนี่เป็นเพราะการปฏิบัติตามข้อบังคับของสถานที่ซึ่งมีมาตรฐานความปลอดภัยและการป้องกันอัคคีภัยทั้งหมด
วิธีที่ง่ายที่สุดคือใช้หม้อไอน้ำไฟฟ้า แต่ไม่ได้ใช้กันอย่างแพร่หลายเนื่องจากมีค่าใช้จ่ายในการบำรุงรักษาสูงแม้ว่าจะมีข้อดีหลายประการก็ตาม
หม้อไอน้ำที่ใช้แก๊สและเชื้อเพลิงแข็งยังคงเป็นรุ่นยอดนิยม
ขึ้นอยู่กับกำลังของอุปกรณ์มีการกำหนดความแตกต่างบรรทัดฐานและข้อกำหนดสำหรับห้องหม้อไอน้ำขึ้นอยู่กับกำลังของอุปกรณ์
เมื่อพัฒนาห้องจำเป็นต้องจัดทำโครงการซึ่งมีเพียงผู้เชี่ยวชาญเท่านั้นที่สามารถทำได้
สำหรับงานอื่น ๆ ควรติดต่อผู้เชี่ยวชาญจะดีกว่า
คะแนน 0
เป็นไปได้ไหมที่จะวางหม้อต้มก๊าซในบ้านไม้
ข้อกำหนดของห้องสำหรับการติดตั้งหม้อต้มก๊าซในบ้านไม้มีดังต่อไปนี้:
- ห้องหม้อไอน้ำตั้งอยู่ที่ชั้นใต้ดินหรือในห้องใดห้องหนึ่ง ในบ้านไม้ห้ามมิให้ติดตั้งหม้อต้มก๊าซในห้องใต้ดินยกเว้นห้องที่มีการติดตั้งพิเศษซึ่งมีอุปกรณ์พิเศษ
- ห้องต้องเป็นไปตามข้อกำหนดที่อธิบายไว้ใน PPB และมาตรฐานสุขาภิบาล
- ห้ามวางอุปกรณ์ทำความร้อนในห้องนั่งเล่น ไม่อนุญาตให้ติดตั้งในห้องครัว - ห้องนั่งเล่นห้ามติดตั้งในห้องน้ำและห้องสุขาตามเงื่อนไข
- จำเป็นต้องมีอุปกรณ์ป้องกันส่วนบุคคลและอุปกรณ์ดับเพลิงรวมถึงควันและสัญญาณเตือนไฟไหม้
ก่อนทำการทดสอบระบบทำความร้อนจะได้รับการตรวจสอบความสามารถในการใช้งานรวมถึงการมีโหนดความปลอดภัยที่จำเป็นทั้งหมด ผู้ตรวจสอบ Gaznadzor จะตรวจสอบให้แน่ใจว่าเป็นไปตามข้อกำหนดสำหรับการติดตั้งอุปกรณ์หม้อไอน้ำ
การตรวจสอบจะดำเนินการแยกต่างหากสำหรับการมีเอกสารทั้งหมดที่จำเป็นสำหรับการว่าจ้างหม้อไอน้ำ ชุดเอกสารขั้นต่ำประกอบด้วย:
- ผลการวิจัยของห้องปฏิบัติการไฟฟ้าซึ่งตรวจสอบพารามิเตอร์ของสายดินที่ติดตั้ง
- ได้รับอนุญาตจาก Rostekhnadzor
- โครงการจ่ายแก๊สบ้าน.
ความหลากหลายของห้องหม้อไอน้ำตามสถานที่
ตามธรรมชาติแล้วมีข้อกำหนดด้านความปลอดภัยและจะต้องปฏิบัติตามเมื่อจัดห้องเช่นห้องหม้อไอน้ำ แต่อย่างไรก็ตามพวกเขาจะนำเสนอกฎสำหรับการเลือกในแง่ของประเภทของเชื้อเพลิงขนาดและตำแหน่งของเตาเผา
ตามประเภทของที่พักในบ้านส่วนตัวห้องหม้อไอน้ำสามารถ:


สร้างไว้ในบ้าน. ในกรณีนี้อุปกรณ์ทั้งหมดจะอยู่ในห้องใดห้องหนึ่งของบ้าน (ตามกฎแล้วจะเป็นทางเดินหรือห้องครัว) ในแง่ของราคาถูกและความสะดวกในการจัดเรียงนี่เป็นตัวเลือกที่ดี แต่เหมาะสำหรับกรณีที่คุณวางแผนที่จะใช้หม้อไอน้ำพลังงานต่ำ (ขนาดกะทัดรัด) ในกรณีนี้จะเป็นการดีกว่าที่จะไม่ใช้หม้อต้มก๊าซที่มีหัวเผาแบบเป่าลมเนื่องจากระดับเสียงสูงและอุปกรณ์ที่ใช้น้ำมันดีเซลอาจทำให้เกิดความไม่สะดวกหลายประการเนื่องจากกลิ่นไม่พึงประสงค์ที่รุนแรง- ในอาคารเสริมหรือห้องแยกต่างหากที่บ้าน อุปกรณ์หม้อไอน้ำทั้งหมดตั้งอยู่ในห้องแยกต่างหากซึ่งจะเชื่อมต่อกับบ้านด้วยผนังเพียงด้านเดียวหรือแม้แต่คู่เดียว ประตูห้องดังกล่าวควรปิดด้วยวัสดุที่ไม่ติดไฟ เหมาะอย่างยิ่งในด้านความปลอดภัยและความสะดวกสบาย หากห้องหม้อไอน้ำอยู่ใกล้กับที่อยู่อาศัยตัวเลือกที่ดีที่สุดคือการทำฉนวนกันเสียงเพิ่มเติม - SNiP ไม่ได้พูดอะไรเกี่ยวกับเรื่องนี้ แต่จะสะดวกกว่ามาก
- อาคารเดี่ยว. อุปกรณ์ทั้งหมดสามารถนำออกไปในอาคารแยกต่างหากซึ่งจะติดตั้งตามกฎและข้อบังคับทั้งหมด มันจะเชื่อมต่อกับบ้านโดยใช้ท่อความร้อน ในกรณีนี้มือของคุณจะถูกคลายออกเพราะจะสามารถใช้อุปกรณ์ประเภทต่างๆได้และในเวลาเดียวกันก็ไม่ต้องกังวลกับเสียงรบกวนการมีอยู่ของกลิ่นไม่พึงประสงค์ บ่อยครั้งที่มีการติดตั้งห้องหม้อไอน้ำดังกล่าวเมื่อใช้หม้อต้มก๊าซที่มีระดับพลังงานสูง ข้อเสียคือค่าใช้จ่ายในการสร้างอาคารเช่นเดียวกับการวางระบบสื่อสาร
ห้องหม้อไอน้ำแบบแยกส่วนในกรณีนี้อุปกรณ์จะอยู่ภายในภาชนะซึ่งสามารถเคลื่อนย้ายจากที่หนึ่งไปยังอีกที่หนึ่งได้อย่างง่ายดาย ใช้เป็นเครื่องทำความร้อนชั่วคราวหรือสำรองในสถานประกอบการและโรงงานอุตสาหกรรม แต่ยังสามารถใช้ในบ้านส่วนตัวได้อีกด้วย
ตามหลักการแล้วคุณควรพิจารณาตำแหน่งของห้องหม้อไอน้ำแม้ว่าจะออกแบบบ้านก็ตาม หากบ้านถูกสร้างขึ้นแล้วและจำนวนตัวเลือกตำแหน่งที่เป็นไปได้จะลดลงซึ่งอาจนำไปสู่ความจริงที่ว่าการเลือกอุปกรณ์สำหรับทำความร้อนจะแคบลงอย่างมาก ไม่ว่าในกรณีใดหากคุณเริ่มจัดเตรียมคุณควรติดต่อช่างฝีมือมืออาชีพ
วิธีแขวนหม้อต้มแก๊สในบ้านไม้
เงื่อนไขทางเทคนิคสำหรับการติดตั้งหม้อต้มก๊าซในโครงหรือบ้านไม้ซุงมีความแตกต่างกันอย่างมีนัยสำคัญ
ในกรณีแรกเรากำลังพูดถึงวัสดุกลวงดังนั้นจึงใช้รางยึดพิเศษในการยึด ด้วยอุปกรณ์หม้อไอน้ำที่มีน้ำหนักมากขอแนะนำให้ติดตั้งหม้อต้มก๊าซในบ้านโครงโดยผ่านสลักเกลียวที่ติดตั้งภายนอกอาคาร
บานพับของหม้อไอน้ำในบ้านเฟรมช่วยเพิ่มภาระบนผนังได้อย่างมีนัยสำคัญ มีข้อ จำกัด เกี่ยวกับน้ำหนักของอุปกรณ์ หากคุณวางแผนที่จะติดตั้งโมเดลที่มีถังบัฟเฟอร์ในตัวควรให้ความสำคัญกับหม้อไอน้ำแบบตั้งพื้น
วิธีการติดตั้งหม้อไอน้ำเข้ากับผนังไม้ของท่อนซุงหรือบ้านไม้ซุงนั้นมีความโดดเด่นด้วยความง่ายในการยึด สำหรับการติดตั้งจะใช้สกรูไม้พิเศษซึ่งช่วยให้มั่นใจได้ว่าการยึดที่เชื่อถือได้
เมื่อติดตั้งสิ่งที่แนบมาคุณจะต้องปฏิบัติตามมาตรฐาน PPB และรักษาระยะห่างขั้นต่ำไปยังช่องเปิดประตูและหน้าต่าง


พื้นผิวที่จะใช้กับผนังไม้
หากห้องหม้อไอน้ำเรียงรายไปด้วยไม้จะมีการป้องกันอัคคีภัย พื้นผิวบนผนังไม้สำหรับหม้อต้มก๊าซทำได้หลายวิธี:
- ชั้นของฉนวนหินบะซอลต์แขวนอยู่บนผนังหลังจากนั้นจึงหุ้มด้วยแผ่นเหล็ก
- ใช้แผ่นสารหน่วงไฟบะซอลต์พิเศษ ข้อดีของการแก้ปัญหานี้คือความหนาต่ำสุดของชั้นป้องกันในขณะเดียวกันก็รับประกันการป้องกันอัคคีภัยสูงสุด
ห้ามติดตั้งหม้อไอน้ำแบบติดผนังในบ้านไม้โดยไม่มีชั้นป้องกันเบื้องต้น!
- ผู้แต่ง: Maria Sukhorukikh
- พิมพ์
ให้คะแนนบทความ:
- 5
- 4
- 3
- 2
- 1
(0 คะแนนเฉลี่ย: 0 จาก 5)
แบ่งปันกับเพื่อนของคุณ!
การตกแต่งภายในห้องหม้อไอน้ำ
การตกแต่งภายในของห้องหม้อไอน้ำก่อนอื่นต้องใช้งานได้ เมื่อพัฒนาสิ่งสำคัญคือต้องคิดถึงสิ่งเล็ก ๆ น้อย ๆ ทุกอย่าง พิจารณาตำแหน่งของช่องหน้าต่างและประตูซ็อกเก็ตและสวิตช์ เลือกโทนสีอ่อนเพื่อให้ห้องดูน่าอยู่ สิ่งสำคัญคือต้องคำนึงถึงแสง - ควรมีความเข้มและสม่ำเสมอ
คุณสามารถจัดเตรียมพื้นที่จัดเก็บในรูปแบบของชั้นวางได้ทั้งนี้ขึ้นอยู่กับพื้นที่ของห้อง เฟอร์นิเจอร์ต้องทำจากโลหะ ขอแนะนำให้จัดสรรสถานที่สำหรับถังดับเพลิงในกรณีที่เกิดอันตรายจากไฟไหม้ที่ไม่คาดฝัน
เทคโนโลยีของแคนาดาในการสร้างบ้านถูกนำมาใช้ในหลายประเทศทั่วโลกซึ่งมีภูมิภาคที่มีสภาพอากาศค่อนข้างรุนแรง บ้านกรอบพร้อมห้องหม้อไอน้ำ ได้รับการออกแบบหากมีการสันนิษฐานว่าจะเป็นที่อยู่อาศัยตลอดทั้งปี ตามกฎแล้วกระท่อมในชนบทไม่มีห้องดังกล่าว
คุณสมบัติของห้องหม้อต้มในบ้านกรอบ
เมื่อจัดเตรียมห้องหม้อไอน้ำในบ้านเฟรมซึ่งจะใช้เป็นพื้นฐานในการทำความร้อนทุกห้องคุณต้องคิดถึงความแตกต่างที่สำคัญบางประการก่อน:
- ต้องรักษาอุณหภูมิที่เหมาะสมในห้องหม้อไอน้ำเพื่อให้แน่ใจว่าอุปกรณ์ทำความร้อนทำงานได้ถูกต้องและมีความทนทาน
- ควรซื้อหม้อไอน้ำและชิ้นส่วนประกอบที่จำเป็นก่อนที่จะเริ่มออกแบบห้องหม้อไอน้ำซึ่งจะคำนึงถึงข้อกำหนดทั้งหมดของผู้ผลิตอุปกรณ์สำหรับการจัดวาง
- ห้องจะต้องมีการระบายอากาศและช่องเปิดทางเทคโนโลยีสำหรับอุปกรณ์ของปล่องไฟและการวางท่อความร้อน
- จะดีกว่าถ้าห้องหม้อไอน้ำตั้งอยู่ด้านที่น่าเบื่อของบ้านเฟรม หากไม่สามารถทำได้ต้องซ่อมแซมผนังก่อน
- พื้นที่และความสูงของเพดานห้องหม้อไอน้ำถูกควบคุมโดยข้อกำหนดพิเศษขึ้นอยู่กับประเภทของหม้อไอน้ำและผู้ผลิต







