¿Qué es un diagrama esquemático?
Puedes leer la definición académica de un diagrama esquemático en Wikipedia, aquí te recordaré:
Un diagrama esquemático es un dibujo realizado utilizando símbolos convencionales y que muestra la interacción de elementos de un dispositivo o unidad prefabricada, sin su ubicación física.
El objetivo principal del diagrama esquemático es mostrar cómo se conectan los elementos de instalación y en qué secuencia.
Las designaciones en diagramas esquemáticos normativos se llevan a cabo mediante convenciones, de acuerdo con los documentos GOST. Para calefacción, estos son GOST 21.609-83, GOST 21-606-95: Estándares para la implementación de dibujos de equipos térmicos dentro de un edificio.
Vale la pena señalar que para los sistemas de calefacción en la red puede encontrar muchos diagramas esquemáticos visuales, donde en lugar de símbolos normativos, se utilizan imágenes que muestran los elementos del sistema de calefacción.
Que es un horno
En este artículo te mostraré un diagrama básico de un horno, por lo que no está de más recordar qué es.
El horno de una casa privada es una habitación ubicada dentro de una casa o un anexo, en la que se planea y se colocará el equipo del sistema de calefacción de la casa, es decir, una o dos calderas de calefacción con una capacidad de no más de 100 kW, cada uno.
Las instalaciones del horno requieren una preparación especial. Para ellos, se normalizan el tamaño, la ubicación, la ventilación y otros parámetros que deben observarse. Leer más aquí.
Dibujo del sistema de calefacción de un hogar privado.
En el proceso de ejecución del dibujo del sistema de calefacción, se deben dibujar todas las unidades de ensamblaje y los elementos individuales. Un requisito previo debe ser el establecimiento de dimensiones exactas con un grado de error aceptable.
Los diámetros de todas las tuberías que participarán en el sistema de calefacción deben indicarse en el dibujo. Idealmente, el dibujo del sistema de calefacción de una casa privada lo realiza un diseñador, y luego su trabajo es verificado por otro especialista y aprobado por el ingeniero jefe o el director de la empresa.
Si el inspector presta atención a los defectos en el dibujo, este último se envía para su revisión, ya que no deben producirse errores en los sistemas de calefacción. Los diagramas esquemáticos cuidadosamente ejecutados de los sistemas de calentamiento de agua contienen secciones y planos que se ejecutan claramente con todas las dimensiones y designaciones, para que los trabajadores puedan controlar el proceso de ensamblaje de acuerdo con el dibujo adjunto.
Todos los símbolos del sistema de calefacción se adhieren directamente al dibujo y se descifran en la especificación o en el apéndice técnico. Todas las distancias están marcadas en las áreas donde se colocan las tuberías y se instalan radiadores de calefacción, secciones transversales en las juntas y ramales.

Diagrama esquemático como parte de un proyecto de casa
La construcción de una casa particular, que llamamos correcta, debe realizarse de acuerdo con el proyecto. No importa qué tipo de proyecto sea, confeccionado con modificaciones o individual, lo principal debe ser.
Una parte integral del proyecto de la casa es la parte de ingeniería. Incluye dibujos para todos los equipos de ingeniería y redes de ingeniería dentro y fuera de la casa. La parte de calefacción del proyecto se llama Planos de taller de calefacción y ventilación. Un conjunto de dibujos OV consta de las siguientes hojas (por ejemplo):
- Diagrama del sistema de calefacción;
- Esquemas de calefacción con radiadores y / o pisos cálidos;
- Conexión de armarios de colectores;
- Diagrama esquemático del horno.
Como puede ver, el diagrama esquemático del horno se incluye en el conjunto de dibujos de trabajo para el OV.
Mapa tecnológico del sistema de calefacción
Un diagrama de flujo elaborado profesionalmente para un sistema de calefacción será una excelente ayuda para los artesanos que se ocuparán de las conexiones de tuberías y la instalación de equipos de calefacción.
Para que el sistema de calefacción sea seguro, es necesario prever la creación de un sistema de ventilación eficaz capaz de eliminar los productos de combustión y mantener un intercambio de aire óptimo. Si el sistema está siendo forzado, entonces la notación será la siguiente:
- El compensador está designado por la letra K,
- Elevadores principales del sistema de calefacción GST,
- Rama horizontal GW,
- Todos los demás elevadores del sistema de calefacción Art.
Cuando los dibujos del sistema de calefacción se llevan a cabo profesionalmente en programas especiales, entonces un corte en las áreas más importantes debe ser un requisito previo. Además, el diagrama de flujo del sistema de calefacción debe realizarse necesariamente a escala y en la versión más legible.
Si algunas de las juntas son demasiado pequeñas, se hace una mención a mayor escala para que los trabajadores de la instalación puedan prestar atención a todas las características del conjunto.


Símbolos de esquemas de calefacción.
A diferencia de los esquemas de calentamiento visual, en los que las designaciones son más o menos claras, en el diagrama esquemático correcto, las designaciones requieren una explicación. Puede encontrarlos en GOST 21.205-93 SPDS: Símbolos de elementos de sistemas sanitarios. A continuación se muestran 9 tarjetas con símbolos en los dibujos de los sistemas de calefacción.
Símbolos de tanques y bombas


Símbolos de válvula


Símbolos de la grúa


Símbolos de conducción


Símbolos de tubería


Leyenda para indicaciones de manejo


Símbolos de tuberías


Designaciones en esquemas eléctricos. Información general.
Hola queridos amigos. En este artículo, analizaremos las designaciones en diagramas eléctricos. La lectura de diagramas eléctricos es una habilidad extremadamente importante de los especialistas en instrumentación y automatización, electricistas, electricistas, diseñadores de dispositivos, circuitos y redes eléctricos. Sin embargo, para una persona sin una formación especial, a menudo incluso el circuito eléctrico más simple (especialmente sus elementos) es un producto completamente incomprensible de la actividad profesional de alguien.
Las designaciones en los diagramas eléctricos tienen una larga historia: en la era soviética, el desarrollo de la instrumentación y la ingeniería eléctrica era una de las direcciones estratégicas militares y se le atribuía una gran importancia. En este sentido, se requería una comprensión unificada del significado de los elementos del circuito. Por lo tanto, fue necesario crear una designación gráfica unificada de elementos eléctricos, reglas para la elaboración de circuitos eléctricos. Este trabajo fue realizado por el Comité Estatal de Normalización de la URSS en el marco del Sistema Unificado de Documentación de Diseño (ESKD) y GOST.
En el marco de este artículo, es imposible considerar todas las sutilezas de las designaciones, reglas, principios de construcción de circuitos eléctricos, ya que GOST es un documento bastante voluminoso con una gran cantidad de designaciones gráficas y notas.
Cableado eléctrico en dibujos.
Cableado eléctrico es un término general que se refiere a conductores de baja resistencia que transfieren corriente eléctrica de un elemento del circuito a otro, por ejemplo, de una fuente a un consumidor o de un transformador a un interruptor con distribución adicional. Esta es la explicación más primitiva, ya que existe una gran cantidad de tipos de cableado eléctrico. Una imagen de cables con aislamiento de polímero que van al interruptor desde algún lugar de la pared nace inmediatamente en la cabeza del profano.
Por extraño que parezca, las pistas de cobre en una placa de textolita también son una variante del cableado eléctrico. Así como líneas eléctricas de alta tensión. En los diagramas, la designación de cables eléctricos se realiza con mayor frecuencia en forma de una línea que va de un elemento del circuito a otro.
Estrictamente hablando, GOST propone dividir las designaciones de conductores en grupos:
- conexiones eléctricas
- alambres
- cables
El término "plan de cableado" no es una unidad terminológica completamente correcta, ya que "cableado" en este caso debe entenderse no solo por los cables en sí, sino también por los cables. Si tomamos este término como una designación en los diagramas eléctricos de elementos, entonces la lista se expandirá a aisladores, transformadores, dispositivos de protección y puesta a tierra, etc.
Acerca de los enchufes
Es bien sabido por todos que un enchufe es un dispositivo tipo enchufe diseñado para una conexión no rígida (con posibilidad de desconexión manual) de una red eléctrica (circuito) con un receptor o dispositivo de control. La representación gráfica de la salida en el diagrama está regulada por GOST, que establece las reglas para la representación de dispositivos y dispositivos para iluminación interna y consumo de energía.
Los enchufes se dividen en grupos:
- para instalación abierta
- para instalación oculta
- bloques con interruptor y enchufe
En cada grupo, hay subespecies en función de la polaridad y la presencia de un contacto protector:
- unipolar
- bipolar
- bipolar con contacto protector
- tripolar
- tripolar con contacto de protección
Acerca de los interruptores
Los interruptores son dispositivos para romper una sección de un circuito eléctrico en modo manual o automático. Al igual que los enchufes del circuito eléctrico, los interruptores (junto con los interruptores) se designan en función de sus parámetros de funcionamiento y diseño, así como del grado de protección.
Diseños de interruptores:
- unipolar
- monopolar doble
- triple unipolar
- bipolar
- tripolar
La designación del interruptor en el diagrama eléctrico también está regulada por GOST, que establece las reglas para la representación de dispositivos y dispositivos para iluminación interna y consumo de energía.
Dispositivos de proteccion
Los dispositivos de protección incluyen una serie de dispositivos reutilizables y desechables que son completamente diferentes en diseño, áreas de aplicación, velocidad de respuesta, confiabilidad, condiciones de operación, además de tener en cuenta muchos otros parámetros.
Por ejemplo, todo el mundo conoce bien los fusibles en los electrodomésticos, los enchufes desechables con fusibles en los viejos cuadros de distribución de los apartamentos. También son bien conocidos los disyuntores de varios tipos y diseños. Menos conocidos para una amplia gama de personas son los disyuntores de aire de alto voltaje, los descargadores y otros dispositivos de protección.
La función principal de todos los dispositivos de protección es romper a la fuerza una sección del circuito eléctrico con un aumento repentino de la carga de corriente o con un aumento repentino de voltaje positivo. Las designaciones de otros tipos de dispositivos de protección contra sobrecargas de circuitos están reguladas por otros documentos reglamentarios y técnicos.
Acerca de la puesta a tierra
La conexión a tierra es una conexión de las partes conductoras de un dispositivo eléctrico o máquina eléctrica (de otro diseño) a la tierra, que tiene un potencial negativo, en el que una posible avería de la caja no causará destrucción o riesgo de descarga eléctrica al desviar esta carga al suelo.
GOST distingue los siguientes tipos de representación gráfica de este tipo de protección:
- puesta a tierra (designación general)
- puesta a tierra silenciosa (limpia)
- tierra de protección
- conexión eléctrica a la carcasa (tierra)
Como resultado, además del hecho de que la designación de puesta a tierra en circuitos eléctricos corresponde a la forma básica de dibujar este elemento, el dibujo de la puesta a tierra es de gran importancia, dependiendo del dispositivo o la sección del circuito donde la puesta a tierra se utiliza. Un punto importante en la designación de elementos de circuitos eléctricos es el tamaño de estos elementos, así como las reglas y la secuencia para dibujar varias secciones del circuito eléctrico.
Por ejemplo, sus propias características se indican en los circuitos eléctricos de los elementos de dispositivos electrónicos, dispositivos que operan con señales lógicas, etc.
Continuemos con el tema de las imágenes gráficas condicionales de elementos eléctricos en diagramas, dibujos y planos. Arriba, hemos discutido los puntos generales. Ahora daremos imágenes visuales de elementos tales como enchufes, interruptores, paneles eléctricos y mucho más.
Designaciones de cableado y conexiones eléctricas.


Designaciones de contactos y conexiones de contactos


Nota:
- La designación de autorretorno (o su ausencia) se usa solo cuando es necesario enfatizar específicamente la presencia de dicha función en el conjunto de contactos.
- La desaceleración ocurre cuando se mueve en la dirección desde el borde del arco hasta su centro. Se permite representar la designación del retardador desde el lado opuesto de la designación del contacto móvil.
- Esta designación de contacto se utiliza en el modo espaciado de mostrar el relé.
- La conexión es de clavija desmontable, coaxial (alta frecuencia).
Designación de varios interruptores


Nota:
- Los interruptores de botón son de reinicio automático, excepto aquellos designados como sin reinicio automático.
Designaciones de interruptores, interruptores y descargadores


Designación de fuentes de luz y dispositivos de iluminación.


Nota:
Para indicar el tipo de lámparas, se utilizan designaciones de letras:
- EL - electroluminiscente
- FL - fluorescente.
Designaciones alfanuméricas de terminales y cables.
Abrazaderas.
Terminal de conexión de dispositivo eléctrico de CA:
- U - 1a fase
- V - 2da fase
- W - 3a fase
- N - cable neutro
- PE - conductor de protección
- E - cable de tierra
- TE - cable de tierra silencioso
- MM - cable de tierra (cuerpo)
- CC - cable equipotencial.
Alambres
Corriente alterna - designación del cable:
- L - designación general del conductor de fase
- L1 - 1a fase
- L2 - 2da fase
- L3 - 3a fase
- N - cable neutro (cero de trabajo).
Corriente continua - designación del cable:
- L + - polo positivo
- L- - polo negativo
- M - alambre del medio.
Otros:
- PE - cable de protección con conexión a tierra
- PU - cable protector sin conexión a tierra
- PEN - cable neutro y protector combinado
- E - cable de tierra
- TE - cable de tierra silencioso
- MM - cable de tierra (cuerpo)
- CC - cable equipotencial.
Codificación de colores para cableado eléctrico
Designación del conductor de fase (L) - color del aislamiento:
Blanco, rojo, marrón, negro, naranja, gris, morado, turquesa, rosa.
Designación de conductores neutros y de protección:
- Color azul: conductor neutro (N), cable intermedio (corriente continua)
- Color amarillo verdoso: conductores de protección neutros, de protección y de puesta a tierra (PE)
- Color amarillo verdoso con marcas azules en los extremos: cero combinado y conductores de protección (PEN).
Se aplican marcas azules durante la instalación en los extremos de la línea.
Asignación funcional de conductores según designaciones de color.
- Color negro - conductores de circuitos de potencia.
- Color rojo: conductores de circuitos de control, señalización y medición.
- Color azul - conductores de circuitos de control, señalización y medida para corriente continua
- Color azul - conductores de trabajo cero
- La combinación de colores amarillo y verde: conductores de protección y puesta a tierra.
¡Estaremos encantados de que se suscriba a nuestro Blog!
[wysija_form id = "1"]
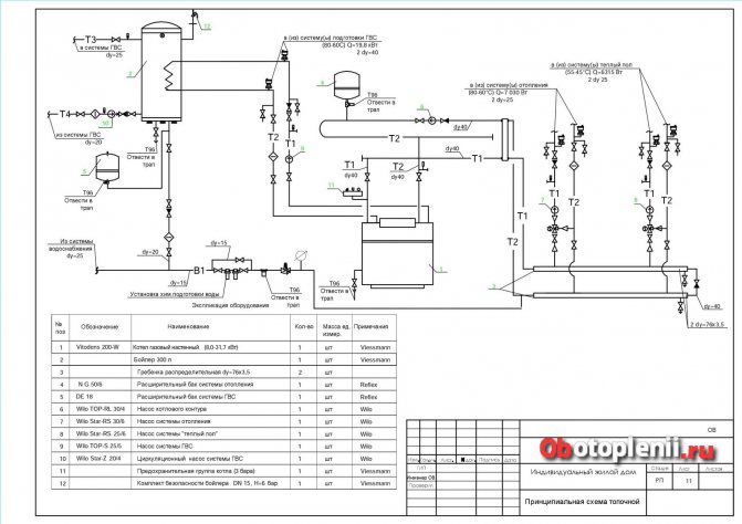
Diagrama esquemático del horno - ejemplo
Propongo ver un ejemplo, un diagrama de horno de un proyecto terminado de una casa particular, con un área de unos 350 metros.


En este ejemplo de un diagrama básico de un horno, se utiliza una caldera de gas montada en la pared, como el tipo más popular de caldera de calefacción. Se utilizan calderas de gas de pared similares en casas de hasta 300 metros cuadrados. metros, la potencia de las calderas es pequeña, de 30 a 50 kW. La construcción de la caldera de gas de pared es muy compacta e incluye todos los elementos necesarios. Debido a esto, las calderas de gas montadas en la pared a menudo se denominan mini salas de calderas.
Descripción del circuito
Este esquema utiliza una caldera de gas de pared de doble circuito de Viesmann (1), con una capacidad de 8.0-31.7 kW. Además del sistema de calefacción, el esquema prevé un sistema de suministro de agua caliente (2) (una caldera de la misma empresa para 300 litros) y un sistema de calefacción con pisos cálidos.
En sistemas de calefacción y agua caliente se utilizan tanques de expansión (4), (5) de Reflex. Para mejorar la circulación en los sistemas, se proporcionan bombas Wilo:
- Bomba del circuito de la caldera (6);
- Bomba del sistema de calefacción (7);
- Bomba del sistema de calefacción por suelo radiante (8);
- Bomba de ACS (9) y bomba de circulación (10).
Se debe prestar especial atención a dos colectores de distribución dу = 76 × 3,5 (según el esquema 3).
Por seguridad, hay dos grupos de Vissmann:
Grupo de seguridad caldera 3 bar (11);
Kit de seguridad caldera (12) DN15, H = 6 bar.
Todos los elementos del diagrama del circuito se detallan en la especificación del circuito.













